ZHCSK46A August   2019  – April 2021 DRV8876N

PRODUCTION DATA  

  1. 特性
  2. 应用
  3. 说明
  4. 修订历史记录
  5. 引脚配置和功能
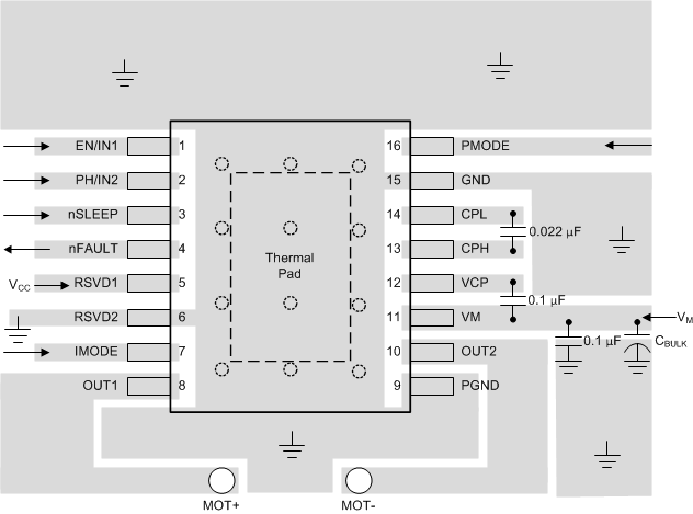
    1.     引脚功能
  6. 规格
    1. 6.1 绝对最大额定值
    2. 6.2 ESD 等级
    3. 6.3 建议运行条件
    4. 6.4 热性能信息
    5. 6.5 电气特性
    6. 6.6 典型特性
  7. 详细说明
    1. 7.1 概述
    2. 7.2 功能方框图
    3. 7.3 特性说明
      1. 7.3.1 外部元件
      2. 7.3.2 控制模式
        1. 7.3.2.1 PH/EN 控制模式(PMODE = 逻辑低电平)
        2. 7.3.2.2 PWM 控制模式(PMODE = 逻辑高电平)
        3. 7.3.2.3 独立半桥控制模式(PMODE = 高阻抗)
      3. 7.3.3 保护电路
        1. 7.3.3.1 VM 电源欠压锁定 (UVLO)
        2. 7.3.3.2 VCP 电荷泵欠压锁定 (CPUV)
        3. 7.3.3.3 OUTx 过流保护 (OCP)
        4. 7.3.3.4 热关断 (TSD)
        5. 7.3.3.5 故障条件汇总
      4. 7.3.4 引脚图
        1. 7.3.4.1 逻辑电平输入
        2. 7.3.4.2 三电平输入
        3. 7.3.4.3 四电平输入
    4. 7.4 器件功能模式
      1. 7.4.1 活动模式
      2. 7.4.2 低功耗睡眠模式
      3. 7.4.3 故障模式
  8. 应用和实现
    1. 8.1 应用信息
    2. 8.2 典型应用
      1. 8.2.1 主要应用
        1. 8.2.1.1 设计要求
        2. 8.2.1.2 详细设计过程
          1. 8.2.1.2.1 功率耗散和输出电流能力
          2. 8.2.1.2.2 热性能
            1. 8.2.1.2.2.1 稳态热性能
            2. 8.2.1.2.2.2 瞬态热性能
        3. 8.2.1.3 应用曲线
      2. 8.2.2 备选应用
        1. 8.2.2.1 设计要求
        2. 8.2.2.2 详细设计过程
        3. 8.2.2.3 应用曲线
  9. 电源相关建议
    1. 9.1 大容量电容
  10. 10布局
    1. 10.1 布局指南
    2. 10.2 布局示例
      1. 10.2.1 HTSSOP 布局示例
  11. 11器件和文档支持
    1. 11.1 文档支持
      1. 11.1.1 相关文档
    2. 11.2 接收文档更新通知
    3. 11.3 社区资源
    4. 11.4 商标
  12. 12机械、封装和可订购信息

封装选项

机械数据 (封装 | 引脚)
散热焊盘机械数据 (封装 | 引脚)
订购信息

HTSSOP 布局示例

GUID-E463E46A-571C-4858-B457-AFEB1F0FCEE7-low.gif图 10-1 HTSSOP (PWP) 示例布局