ZHCSFQ0 November   2016 DRV8872-Q1

PRODUCTION DATA.  

  1. 特性
  2. 应用范围
  3. 说明
  4. 修订历史记录
  5. Pin Configuration and Functions
  6. Specifications
    1. 6.1 Absolute Maximum Ratings
    2. 6.2 ESD Ratings
    3. 6.3 Recommended Operating Conditions
    4. 6.4 Thermal Information
    5. 6.5 Electrical Characteristics
    6. 6.6 Typical Characteristics
  7. Detailed Description
    1. 7.1 Overview
    2. 7.2 Functional Block Diagram
    3. 7.3 Feature Description
      1. 7.3.1 Bridge Control
      2. 7.3.2 Sleep Mode
      3. 7.3.3 Current Regulation
      4. 7.3.4 Dead Time
      5. 7.3.5 Protection Circuits
        1. 7.3.5.1 VM Undervoltage Lockout (UVLO)
        2. 7.3.5.2 Overcurrent Protection (OCP)
        3. 7.3.5.3 Thermal Shutdown (TSD)
    4. 7.4 Device Functional Modes
      1. 7.4.1 PWM With Current Regulation
      2. 7.4.2 PWM Without Current Regulation
      3. 7.4.3 Static Inputs With Current Regulation
      4. 7.4.4 VM Control
  8. Application and Implementation
    1. 8.1 Application Information
    2. 8.2 Typical Application
      1. 8.2.1 Design Requirements
      2. 8.2.2 Detailed Design Procedure
        1. 8.2.2.1 Motor Voltage
        2. 8.2.2.2 Drive Current
        3. 8.2.2.3 Sense Resistor
      3. 8.2.3 Application Curves
  9. Power Supply Recommendations
    1. 9.1 Bulk Capacitance
  10. 10Layout
    1. 10.1 Layout Guidelines
    2. 10.2 Layout Example
    3. 10.3 Thermal Considerations
    4. 10.4 Power Dissipation
      1. 10.4.1 Heatsinking
  11. 11器件和文档支持
    1. 11.1 文档支持
      1. 11.1.1 相关文档
    2. 11.2 接收文档更新通知
    3. 11.3 社区资源
    4. 11.4 商标
    5. 11.5 静电放电警告
    6. 11.6 Glossary
  12. 12机械、封装和可订购信息

封装选项

机械数据 (封装 | 引脚)
散热焊盘机械数据 (封装 | 引脚)
订购信息

Application and Implementation

NOTE

Information in the following applications sections is not part of the TI component specification, and TI does not warrant its accuracy or completeness. TI’s customers are responsible for determining suitability of components for their purposes. Customers should validate and test their design implementation to confirm system functionality.

Application Information

The DRV8872-Q1 device is typically used to drive one brushed DC motor.

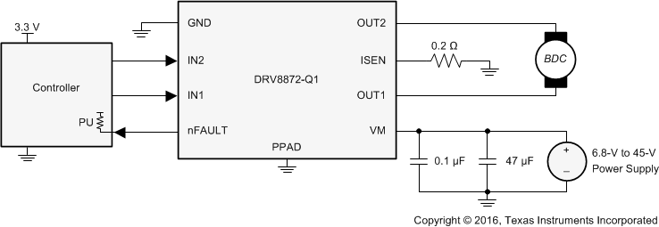
Typical Application

DRV8872-Q1 typ_app_slis175.gif Figure 7. Typical Connections

Design Requirements

Table 3 lists the design parameters.

Table 3. Design Parameters

DESIGN PARAMETER REFERENCE EXAMPLE VALUE
Motor voltage VM 24 V
Motor RMS current IRMS 0.8 A
Motor startup current ISTART 2 A
Motor current trip point ITRIP 2.2 A
Sense resistance RISEN 0.16 Ω
PWM frequency fPWM 5 kHz

Detailed Design Procedure

Motor Voltage

The motor voltage used depends on the ratings of the motor selected and the desired RPM. A higher voltage spins a brushed DC motor faster with the same PWM duty cycle applied to the power FETs. A higher voltage also increases the rate of current change through the inductive motor windings.

Drive Current

The current path is through the high-side sourcing DMOS power driver, motor winding, and low-side sinking DMOS power driver. Power dissipation losses in one source and sink DMOS power driver are shown in Equation 2.

Equation 2. DRV8872-Q1 eq_Pd_SLVSCY8.gif

The DRV8872-Q1 device has been measured to be capable of 2-A RMS current at 25°C on standard FR-4 PCBs. The maximum RMS current varies based on the PCB design, ambient temperature, and PWM frequency. Typically, switching the inputs at 200 kHz compared to 20 kHz causes 20% more power loss in heat.

Sense Resistor

For optimal performance, the sense resistor must have the features that follow:

  • Surface-mount device
  • Low inductance
  • Rated for high enough power
  • Placed closely to the motor driver

The power dissipated by the sense resistor equals IRMS 2 × R. For example, if peak motor current is 3 A, RMS motor current is 1.5 A, and a 0.2-Ω sense resistor is used, the resistor dissipates 1.5 A2 × 0.2 Ω = 0.45 W. The power quickly increases with higher current levels.

Resistors typically have a rated power within some ambient temperature range, along with a derated power curve for high ambient temperatures. When a PCB is shared with other components generating heat, the system designer should add margin. It is always best to measure the actual sense resistor temperature in a final system.

Because power resistors are larger and more expensive than standard resistors, multiple standard resistors can be used in parallel, between the sense node and ground. This configuration distributes the current and heat dissipation.

Application Curves

DRV8872-Q1 app_current_ramp_VM_12V_slvscy8.png Figure 8. Current Ramp With a 2-Ω, 1 mH,
RL Load and VM = 12 V
DRV8872-Q1 app_current_ramp_VM_45V_slvscy8.png Figure 10. Current Ramp With a 2-Ω, 1 mH,
RL Load and VM = 45 V
DRV8872-Q1 app_current_reg_slvscy8.png Figure 12. Current Regulation With RSENSE = 0.26 Ω
DRV8872-Q1 app_current_ramp_VM_24V_slvscy8.png Figure 9. Current Ramp With a 2-Ω, 1 mH,
RL Load and VM = 24 V
DRV8872-Q1 app_tPD_slvscy8.png Figure 11. tPD
DRV8872-Q1 app_OCP_slvscz0.png Figure 13. OCP With 24 V and Outputs Shorted Together