SLVSDM3 February   2017 DRV3220-Q1

PRODUCTION DATA.  

  1. Features
  2. Applications
  3. Description
  4. Revision History
  5. Pin Configuration and Functions
  6. Specifications
    1. 6.1 Absolute Maximum Ratings
    2. 6.2 ESD Ratings
    3. 6.3 Recommended Operating Conditions
    4. 6.4 Thermal Information
    5. 6.5 Electrical Characteristics
    6. 6.6 Serial Peripheral Interface Timing Requirements
    7. 6.7 Typical Characteristics
  7. Detailed Description
    1. 7.1 Overview
    2. 7.2 Functional Block Diagram
    3. 7.3 Programming
      1. 7.3.1 SPI
        1. 7.3.1.1 Address Mode Transfer
          1. 7.3.1.1.1 SPI Address Transfer Phase
        2. 7.3.1.2 SPI Data Transfer Phase
        3. 7.3.1.3 Device Data Response
    4. 7.4 Register Maps
  8. Application and Implementation
    1. 8.1 Application Information
    2. 8.2 Typical Application
      1. 8.2.1 Three-Phase Motor Drive-Device for Automotive Application
    3. 8.3 System Example
  9. Power Supply Recommendations
  10. 10Layout
    1. 10.1 Layout Guidelines
    2. 10.2 Layout Example
  11. 11Device and Documentation Support
    1. 11.1 Documentation Support
      1. 11.1.1 Related Documentation
    2. 11.2 Receiving Notification of Documentation Updates
    3. 11.3 Community Resources
    4. 11.4 Trademarks
    5. 11.5 Electrostatic Discharge Caution
    6. 11.6 Glossary
  12. 12Mechanical, Packaging, and Orderable Information

封装选项

机械数据 (封装 | 引脚)
散热焊盘机械数据 (封装 | 引脚)
订购信息

Detailed Description

Overview

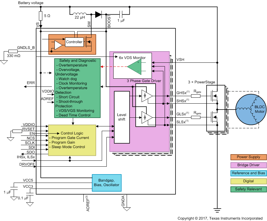
The DRV3220-Q1 is designed to control 3-phase brushless DC motors in automotive applications using pulse-width modulation. Three high-side and three low-side gate drivers can be switched individually with low propagation delay. The input logic prevents simultaneous activation of the high-side and low-side driver of the same channel. A configuration and status register can be accessed through a SPI communication interface.

Functional Block Diagram

DRV3220-Q1 fbd_slvsdm3.gif
x = 1, 2, 3
y = 1, 2, 3
An external reference voltage (VCC5 or VCC3) cannot be used for ADREF voltage.

Programming

SPI

The SPI slave interface is used for serial communication with the external SPI master (external MCU). The SPI communication starts with the NCS falling edge and ends with NCS rising edge. The NCS high level keeps the SPI slave interface in reset state, and the SDO output in tri-state.

Address Mode Transfer

The address mode transfer is an 8-bit protocol. Both SPI slave and SPI master transmit the MSB first.

DRV3220-Q1 addr_mode_transfer_LVSCV1.gif

NOTE:

SPI master (MCU) and SPI slave (DRV3220-Q1) sample received data on the falling SCLK edge and transmit on the rising SCLK edge.
Figure 4. Single 8-Bit SPI Frame/Transfer

After the NCS falling edge, the first word of 7 bits are address bits followed by the RW bit. During first address transfer, the device returns the STAT1 register on SDO.

Each complete 8-bit frame will be processed. If NCS goes high before a multiple of 8 bits is transferred, the bits are ignored.

SPI Address Transfer Phase

Figure 5. SPI Address Transfer Phase Bits
Bit D7 D6 D5 D4 D3 D2 D1 D0
Function ADDR6 ADDR5 ADDR4 ADDR3 ADDR2 ADDR1 ADDR0 RW
    ADDR [6:0] Register address
    RW Read and write access

    RW = 0: Read access. The SPI master performs a read access to selected register. During following SPI transfer, the device returns the requested register read value on SDO, and device interprets SDI bits as a next address transfer.

    RW = 1: Write access. The master performs a write access on the selected register. The slave updates the register value during next SPI transfer (if followed immediately) and returns the current register value on SDO.

SPI Data Transfer Phase

Figure 6. SPI Data Transfer Phase Bits
Bit D7 D6 D5 D4 D3 D2 D1 D0
Function DATA7 DATA6 DATA5 DATA4 ADDR3 DATA2 DATA1 DATA0
    DATA [7:0] Data value for write access (8-Bit).

    The table shows data value encoding scheme during a write access It is possible to mix the two access modes (write and read access) during one SPI communication sequence (NCS = 0). The SPI communication can be terminated after single 8-bit SPI transfer by asserting NCS = 1. Device returns STAT1 register (for the very first SPI transfer after power-up) or current register value that was addressed during SPI Transfer Address Phase.

Device Data Response

Figure 7. Device Data Response Bits
Bit D7 D6 D5 D4 D3 D2 D1 D0
Function REG7 REG6 REG5 REG4 REG3 REG2 REG1 REG0
    REG [7:0] Internal register value. All unused bits are set to 0.

Figure 8 shows a complete 16-bit SPI frame. Figure 9, Figure 10, Figure 11, Figure 12, Figure 13, and Figure 14 show the frame examples.

DRV3220-Q1 SPI_frame_exs_LVSCV1.gif
SPI Master (MCU) and SPI slave (DRV3220-Q1) sample received data on the rising SCLK edge, and transmit data on the falling SCLK edge
Figure 8. 16-Bit SPI Frame
DRV3220-Q1 SPI_frame_01_LVSCV1.gif Figure 9. Write Access Followed by Read Access
DRV3220-Q1 SPI_frame_02_LVSCV1.gif Figure 10. Read Access Followed by Read Access
DRV3220-Q1 SPI_frame_03_LVSCV1.gif Figure 11. Write Access Followed by Write Access
DRV3220-Q1 SPI_frame_04_LVSCV1.gif Figure 12. Read Access Followed by Write Access
DRV3220-Q1 SPI_frame_05_LVSCV1.gif Figure 13. Read Access Followed by Read Access Followed by Write Access
DRV3220-Q1 SPI_frame_06_LVSCV1.gif Figure 14. Read Access Followed by Read Access Followed by Read Access

Register Maps

Table 1. Register Address Map and Summary Table

Address Name Reset Value CRC Check Access State(1) Reset Event(2)
(bit wide exception)
Section
0×01 Configuration register 0 (CFG0) 8'h3F Yes W/R : D,
A([6:3])
R : A(7,[2:0], SF
RST1-4
0×02 Configuration register 1 (CFG1) 8'h3F Yes W/R: D
R: A, SF
RST1-4
0×04 HS 1/2/3 drive register (CURR0) ON 8'h00 Yes W/R: D
R: A, SF
RST1-4
0×05 LS 1/2/3 drive register (CURR1) ON 8'h00 Yes W/R: D
R: A, SF
RST1-4
0×06 HS 1/2/3 drive register (CURR2) OFF 8'h00 Yes W/R: D
R: A, SF
RST1-4
0×07 LS 1/2/3 drive register (CURR3) OFF 8'h00 Yes W/R: D
R: A, SF
RST1-4
0×08 Safety/error configuration register (SECR1) 8'hC0 Yes W/R: D
R: A, SF
RST1
0×09 Safety function configuration register (SFCR1) 8'h80 Yes W/R: D
R: A, SF
RST1-3
0×0A Status register 0 (STAT0) 8'h00 No R: D, A, SF RST1-4
0×0B Status register 1 (STAT1) 8'h80 No R: D, A, SF RST1-3
0×0C Status register 2 (STAT2) 8'h00 No R: D, A, SF RST1-3
0×0D Status register 3 (STAT3) 8'h03 No R: D, A, SF RST1-3
0×0E Status register 4 (STAT4) 8'h00 No R: D, A, SF RST1-3
0×0F Status register 5 (STAT5) 8'h03 No R: D, A, SF RST1-3
(Bit[4]:RST1)
0×10 Status register 6 (STAT6) 8'h00 No R: D, A, SF RST1-3
0×11 Status register 7 (STAT7) 8'h00 No R: D, A, SF RST1-4
0×12 Status register 8 (STAT8) 8'h00 No R: D, A, SF RST1-4
(Bit[0]:RST1)
0×13 Safety error status (SAFETY_ERR_STAT) 8'h00 No R: D, A, SF RST1-3
(Bit[3:1]:RST1)
0×14 Status register 9 (STAT9) 8'h00 No R: D, A, SF RST1-3
0×15 Reserved 1 8'h00 No W/R: D, A, SF RST1-3
0×16 Reserved 2 8'h00 No W/R: D, A, SF RST1-3
0×1E SPI transfer write CRC register (SPIWR_CRC) 8'h00 No W/R: D, A, SF RST1-3
0×1F SPI transfer read CRC register (SPIRD_CRC) 8'hFF No R: D, A, SF RST1-3
0×20 SAFETY_CHECK_CTRL register ( SFCC1) 8'h01 No W/R: D
R: A, SF
RST1-3
0×21 CRC control register (CRCCTL) 8'h00 No W/R: D, A
R: SF
RST1-3
0×22 CRC calculated check sum register (CRCCALC) N/A No W/R: D
R: A, SF
RST1-3
0×23 Reserved 3 8'h00 No W/R: D, A, SF RST1-3
0×24 HS/LS read back (RB0) 8'h00 No R: D, A, SF RST1-3
0×25 HS/LS count control (RB1) 8'h00 No W/R: D, A
R: SF
RST1-4
0×26 HS/LS count (RB2) 8'h00 No R: D, A, SF RST1-4
0×27 Configuration register 3 (CFG3) 8'hAB Yes W/R: D
R: A, SF
RST1-4
0×28 Configuration register 4 (CFG4) 8'h00 Yes W/R: D
R: A, SF
RST1-4
0×29 Configuration register 5 (CFG5) 8'hAB Yes W/R: D
R: A, SF
RST1-3
0×2A CSM unlock (CSM_UNLOCK1) 8'h00 No W/R: D
R: A, SF
RST1-4
0×2B CSM unlock (CSM_UNLOCK2) 8'h3F No W/R: D
R: A, SF
RST1-4
0×2C Reserved 4 8'h00 Yes W/R: D
R: A, SF
RST1-4
0×2D Safety BIST control register 1 (SAFETY_BIST_CTL1) 8'h00 Yes W/R: D
R: SF, A
RST1-3
0×2E SPI test register (SPI_TEST) 8'h00 No W/R: D, A, SF RST1-4
0×2F Reserved 5 8'h00 No W/R: D, A, SF RST1-3
0×30 Safety BIST control register 2 (SAFETY_BIST_CTL2) 8'h00 Yes W/R: D
R: SF, A
RST1-3
(Bit[5]:RST1)
0×31 Watch dog timer configuration register (WDT_WIN1_CFG) 8'h02 Yes W/R: D
R: SF, A
RST1-4
0×32 Watch dog timer configuration register (WDT_WIN2_CFG) 8'h08 Yes W/R: D
R: SF, A
RST1-4
0×33 Watch dog timer TOKEN register (WDT_TOKEN_FDBCK) 8'h04 Yes W/R: D
R: SF, A
RST1
0×34 Watch dog timer TOKEN register (WDT_TOKEN_VALUE) 8'h40 No R: D, SF, A RST1-4
0×35 Watch dog timer ANSWER register (WDT_ANSWER) 8'h00 No W/R: D, A, SF RST1-4
0×36 Watch dog timer status register (WDT_STATUS) 8'hC0 No R: D, A, SG RST1-4
0×37 Watch dog failure detection configuration register (WD_FAIL_CFG) 8'hEC Yes W/R: D
R: SF, A
RST1-4
0×38 Configuration register 6 (CFG6) 8'h10 Yes W/R: D
R: A, SF
RST1-4
0×39 Configuration register 7 (CFG7) 8'h13 Yes W/R : D
R : A, SF
RST1-4
0×3A Configuration register 8 (CFG8) 8'h20 Yes W/R : D
R : A, SF
RST1-4
0×3B Reserved 6 0
W/R: Write and Read access possible, W: Write access possible, R: Read access possible
D: DIAGNOSITC STATE, A: ACTIVE STATE, SF: SAFE STATE, SY: STANDBY STATE, R: RESET
RST1: Power up, RST2: System clock error detected by clock monitor RST3: VCC3 UV/OV or from other state to RESET, RST4: LBIST