SLVSDM3 February   2017 DRV3220-Q1

PRODUCTION DATA.  

  1. Features
  2. Applications
  3. Description
  4. Revision History
  5. Pin Configuration and Functions
  6. Specifications
    1. 6.1 Absolute Maximum Ratings
    2. 6.2 ESD Ratings
    3. 6.3 Recommended Operating Conditions
    4. 6.4 Thermal Information
    5. 6.5 Electrical Characteristics
    6. 6.6 Serial Peripheral Interface Timing Requirements
    7. 6.7 Typical Characteristics
  7. Detailed Description
    1. 7.1 Overview
    2. 7.2 Functional Block Diagram
    3. 7.3 Programming
      1. 7.3.1 SPI
        1. 7.3.1.1 Address Mode Transfer
          1. 7.3.1.1.1 SPI Address Transfer Phase
        2. 7.3.1.2 SPI Data Transfer Phase
        3. 7.3.1.3 Device Data Response
    4. 7.4 Register Maps
  8. Application and Implementation
    1. 8.1 Application Information
    2. 8.2 Typical Application
      1. 8.2.1 Three-Phase Motor Drive-Device for Automotive Application
    3. 8.3 System Example
  9. Power Supply Recommendations
  10. 10Layout
    1. 10.1 Layout Guidelines
    2. 10.2 Layout Example
  11. 11Device and Documentation Support
    1. 11.1 Documentation Support
      1. 11.1.1 Related Documentation
    2. 11.2 Receiving Notification of Documentation Updates
    3. 11.3 Community Resources
    4. 11.4 Trademarks
    5. 11.5 Electrostatic Discharge Caution
    6. 11.6 Glossary
  12. 12Mechanical, Packaging, and Orderable Information

封装选项

机械数据 (封装 | 引脚)
散热焊盘机械数据 (封装 | 引脚)
订购信息

Application and Implementation

NOTE

Information in the following applications sections is not part of the TI component specification, and TI does not warrant its accuracy or completeness. TI’s customers are responsible for determining suitability of components for their purposes. Customers should validate and test their design implementation to confirm system functionality.

Application Information

The DRV3220-Q1 is a predriver for automotive applications featuring three-phase brushless DC-motor control. Because this device has a boost regulator for charging high-side gates, it can handle gate charges of 250 nC. A boost converter allows full control on the power-stages even for a low battery voltage down to 4.75 V.

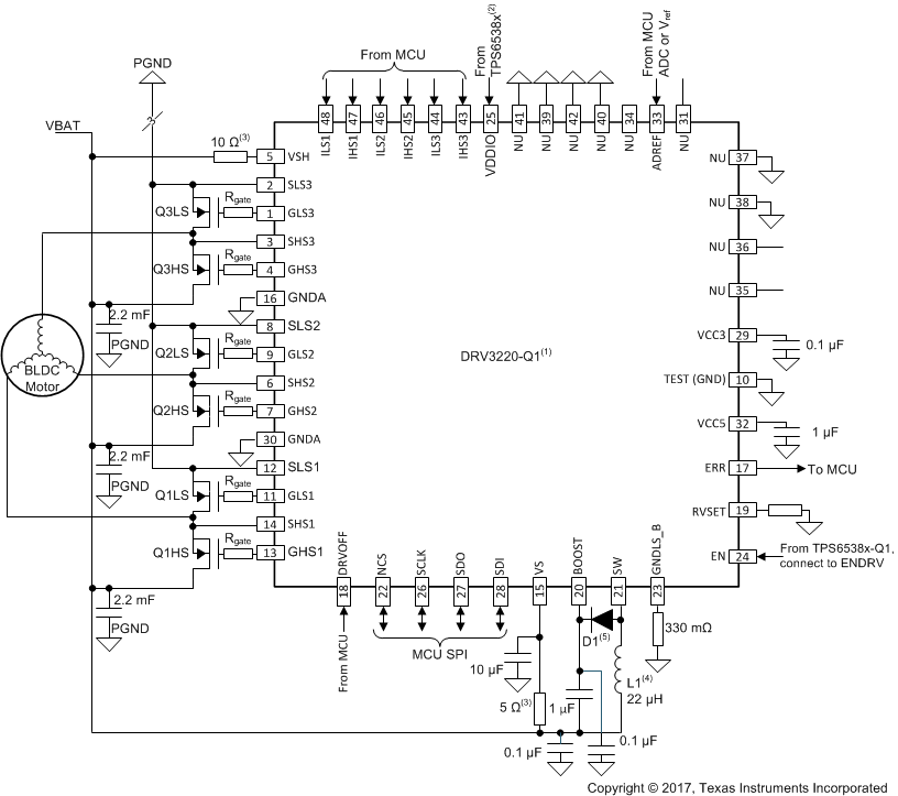
Typical Application

Three-Phase Motor Drive-Device for Automotive Application

DRV3220-Q1 typ_app_slvsdm3.gif
This schematic of the DRV3220-Q1 48-pin HTQFP does not provide a true representation of physical pin locations.
Use same supply from the TPS6538x as the supply used for the MCU IO.
Resistor not required for reverse protected battery.
L1 = B82442A1223K000 INDUCTOR, SMT, 22 uH, 10%, 480 mA). The maximum inductor current must be more than VGNDLS_B / 330 mΩ.
D1 = SS28 (DIODE, SMT, SCHOTTKY, 80 V, 2 A). A fast recovery diode is recommended.
QxHS, QxLS = IRFS3004PBF (HEXFET, N-CHANNEL, POWER MOSFET, D2PACK)
Rgate = Must be adjust based on system requirement such as EMI, Slew rate, and power
Figure 15. Typical Application Diagram

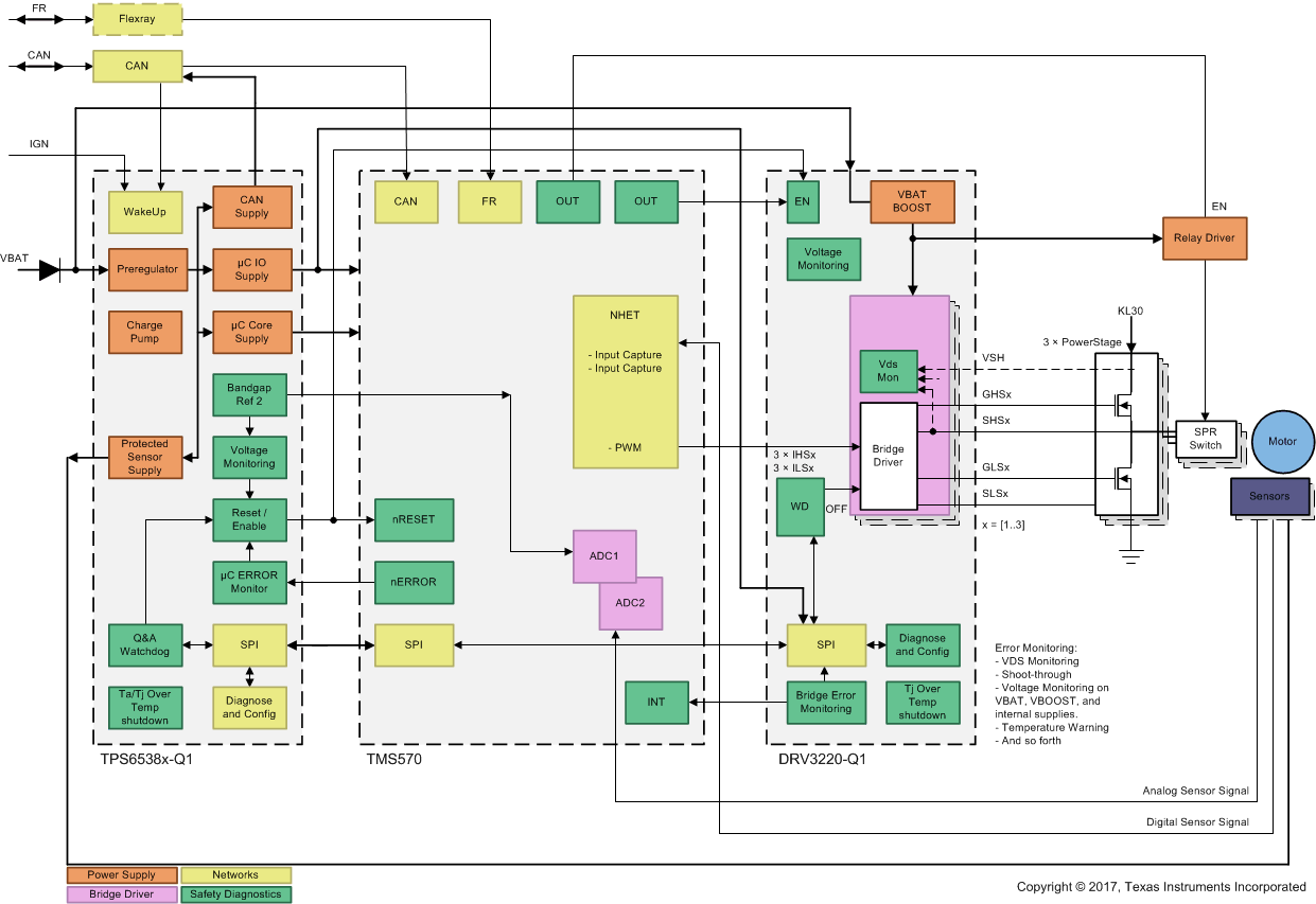
System Example

Figure 16 shows a typical system example for an electric power-steering system.

DRV3220-Q1 typ_system_slvsdm3.gif Figure 16. Typical System – Electrical Power Steering Example