ZHCSJ33F December   2015  – May 2019 DRA745 , DRA746 , DRA750 , DRA756

PRODUCTION DATA.  

  1. 器件概述
    1. 1.1 特性
    2. 1.2 应用
    3. 1.3 说明
    4. 1.4 功能方框图
  2. 修订历史记录
  3. Device Comparison
    1. 3.1 Related Products
  4. Terminal Configuration and Functions
    1. 4.1 Terminal Assignment
      1. 4.1.1 Unused Balls Connection Requirements
    2. 4.2 Ball Characteristics
    3. 4.3 Multiplexing Characteristics
    4. 4.4 Signal Descriptions
      1. 4.4.1  Video Input Ports (VIP)
      2. 4.4.2  Display Subsystem – Video Output Ports
      3. 4.4.3  Display Subsystem – High-Definition Multimedia Interface (HDMI)
      4. 4.4.4  External Memory Interface (EMIF)
      5. 4.4.5  General-Purpose Memory Controller (GPMC)
      6. 4.4.6  Timers
      7. 4.4.7  Inter-Integrated Circuit Interface (I2C)
      8. 4.4.8  HDQ / 1-Wire Interface (HDQ1W)
      9. 4.4.9  Universal Asynchronous Receiver Transmitter (UART)
      10. 4.4.10 Multichannel Serial Peripheral Interface (McSPI)
      11. 4.4.11 Quad Serial Peripheral Interface (QSPI)
      12. 4.4.12 Multichannel Audio Serial Port (McASP)
      13. 4.4.13 Universal Serial Bus (USB)
      14. 4.4.14 SATA
      15. 4.4.15 Peripheral Component Interconnect Express (PCIe)
      16. 4.4.16 Controller Area Network Interface (DCAN)
      17. 4.4.17 Ethernet Interface (GMAC_SW)
      18. 4.4.18 Media Local Bus (MLB) Interface
      19. 4.4.19 eMMC/SD/SDIO
      20. 4.4.20 General-Purpose Interface (GPIO)
      21. 4.4.21 Keyboard controller (KBD)
      22. 4.4.22 Pulse Width Modulation (PWM) Interface
      23. 4.4.23 Audio Tracking Logic (ATL)
      24. 4.4.24 Test Interfaces
      25. 4.4.25 System and Miscellaneous
        1. 4.4.25.1 Sysboot
        2. 4.4.25.2 Power, Reset, and Clock Management (PRCM)
        3. 4.4.25.3 Real Time Clock (RTC) Interface
        4. 4.4.25.4 System Direct Memory Access (SDMA)
        5. 4.4.25.5 Interrupt Controllers (INTC)
        6. 4.4.25.6 Observability
      26. 4.4.26 Power Supplies
  5. Specifications
    1. 5.1 Absolute Maximum Ratings
    2. 5.2 ESD Ratings
    3. 5.3 Power on Hour (POH) Limits
    4. 5.4 Recommended Operating Conditions
    5. 5.5 Operating Performance Points
      1. 5.5.1 AVS and ABB Requirements
      2. 5.5.2 Voltage And Core Clock Specifications
      3. 5.5.3 Maximum Supported Frequency
    6. 5.6 Power Consumption Summary
    7. 5.7 Electrical Characteristics
      1. 5.7.1  LVCMOS DDR DC Electrical Characteristics
      2. 5.7.2  HDMIPHY DC Electrical Characteristics
      3. 5.7.3  Dual Voltage LVCMOS I2C DC Electrical Characteristics
      4. 5.7.4  IQ1833 Buffers DC Electrical Characteristics
      5. 5.7.5  IHHV1833 Buffers DC Electrical Characteristics
      6. 5.7.6  LVCMOS OSC Buffers DC Electrical Characteristics
      7. 5.7.7  ILVDS18 Buffers DC Electrical Characteristics
      8. 5.7.8  BMLB18 Buffers DC Electrical Characteristics
      9. 5.7.9  BC1833IHHV Buffers DC Electrical Characteristics
      10. 5.7.10 USBPHY DC Electrical Characteristics
      11. 5.7.11 Dual Voltage SDIO1833 DC Electrical Characteristics
      12. 5.7.12 Dual Voltage LVCMOS DC Electrical Characteristics
      13. 5.7.13 SATAPHY DC Electrical Characteristics
      14. 5.7.14 PCIEPHY DC Electrical Characteristics
    8. 5.8 Thermal Resistance Characteristics
      1. 5.8.1 Package Thermal Characteristics
    9. 5.9 Power Supply Sequences
  6. Clock Specifications
    1. 6.1 Input Clock Specifications
      1. 6.1.1 Input Clock Requirements
      2. 6.1.2 System Oscillator OSC0 Input Clock
        1. 6.1.2.1 OSC0 External Crystal
        2. 6.1.2.2 OSC0 Input Clock
      3. 6.1.3 Auxiliary Oscillator OSC1 Input Clock
        1. 6.1.3.1 OSC1 External Crystal
        2. 6.1.3.2 OSC1 Input Clock
      4. 6.1.4 RTC Oscillator Input Clock
        1. 6.1.4.1 RTC Oscillator External Crystal
        2. 6.1.4.2 RTC Oscillator Input Clock
    2. 6.2 RC On-die Oscillator Clock
    3. 6.3 DPLLs, DLLs Specifications
      1. 6.3.1 DPLL Characteristics
      2. 6.3.2 DLL Characteristics
      3. 6.3.3 DPLL and DLL Noise Isolation
  7. Timing Requirements and Switching Characteristics
    1. 7.1  Timing Test Conditions
    2. 7.2  Interface Clock Specifications
      1. 7.2.1 Interface Clock Terminology
      2. 7.2.2 Interface Clock Frequency
    3. 7.3  Timing Parameters and Information
      1. 7.3.1 Parameter Information
        1. 7.3.1.1 1.8V and 3.3V Signal Transition Levels
        2. 7.3.1.2 1.8V and 3.3V Signal Transition Rates
        3. 7.3.1.3 Timing Parameters and Board Routing Analysis
    4. 7.4  Recommended Clock and Control Signal Transition Behavior
    5. 7.5  Virtual and Manual I/O Timing Modes
    6. 7.6  Video Input Ports (VIP)
    7. 7.7  Display Subsystem – Video Output Ports
    8. 7.8  Display Subsystem – High-Definition Multimedia Interface (HDMI)
    9. 7.9  External Memory Interface (EMIF)
    10. 7.10 General-Purpose Memory Controller (GPMC)
      1. 7.10.1 GPMC/NOR Flash Interface Synchronous Timing
      2. 7.10.2 GPMC/NOR Flash Interface Asynchronous Timing
      3. 7.10.3 GPMC/NAND Flash Interface Asynchronous Timing
    11. 7.11 Timers
    12. 7.12 Inter-Integrated Circuit Interface (I2C)
      1. Table 7-34 Timing Requirements for I2C Input Timings
      2. Table 7-35 Timing Requirements for I2C HS-Mode (I2C3/4/5 Only)
      3. Table 7-36 Switching Characteristics Over Recommended Operating Conditions for I2C Output Timings
    13. 7.13 HDQ / 1-Wire Interface (HDQ1W)
      1. 7.13.1 HDQ / 1-Wire — HDQ Mode
      2. 7.13.2 HDQ/1-Wire—1-Wire Mode
    14. 7.14 Universal Asynchronous Receiver Transmitter (UART)
      1. Table 7-41 Timing Requirements for UART
      2. Table 7-42 Switching Characteristics Over Recommended Operating Conditions for UART
    15. 7.15 Multichannel Serial Peripheral Interface (McSPI)
    16. 7.16 Quad Serial Peripheral Interface (QSPI)
    17. 7.17 Multichannel Audio Serial Port (McASP)
      1. Table 7-49 Timing Requirements for McASP1
      2. Table 7-50 Timing Requirements for McASP2
      3. Table 7-51 Timing Requirements for McASP3/4/5/6/7/8
      4. Table 7-52 Switching Characteristics Over Recommended Operating Conditions for McASP1
      5. Table 7-53 Switching Characteristics Over Recommended Operating Conditions for McASP2
      6. Table 7-54 Switching Characteristics Over Recommended Operating Conditions for McASP3/4/5/6/7/8
    18. 7.18 Universal Serial Bus (USB)
      1. 7.18.1 USB1 DRD PHY
      2. 7.18.2 USB2 PHY
      3. 7.18.3 USB3 and USB4 DRD ULPI—SDR—Slave Mode—12-pin Mode
    19. 7.19 Serial Advanced Technology Attachment (SATA)
    20. 7.20 Peripheral Component Interconnect Express (PCIe)
    21. 7.21 Controller Area Network Interface (DCAN)
      1. Table 7-69 Timing Requirements for DCANx Receive
      2. Table 7-70 Switching Characteristics Over Recommended Operating Conditions for DCANx Transmit
    22. 7.22 Ethernet Interface (GMAC_SW)
      1. 7.22.1 GMAC MII Timings
        1. Table 7-71 Timing Requirements for miin_rxclk - MII Operation
        2. Table 7-72 Timing Requirements for miin_txclk - MII Operation
        3. Table 7-73 Timing Requirements for GMAC MIIn Receive 10/100 Mbit/s
        4. Table 7-74 Switching Characteristics Over Recommended Operating Conditions for GMAC MIIn Transmit 10/100 Mbits/s
      2. 7.22.2 GMAC MDIO Interface Timings
      3. 7.22.3 GMAC RMII Timings
        1. Table 7-79 Timing Requirements for GMAC REF_CLK - RMII Operation
        2. Table 7-80 Timing Requirements for GMAC RMIIn Receive
        3. Table 7-81 Switching Characteristics Over Recommended Operating Conditions for GMAC REF_CLK - RMII Operation
        4. Table 7-82 Switching Characteristics Over Recommended Operating Conditions for GMAC RMIIn Transmit 10/100 Mbits/s
      4. 7.22.4 GMAC RGMII Timings
        1. Table 7-86 Timing Requirements for rgmiin_rxc - RGMIIn Operation
        2. Table 7-87 Timing Requirements for GMAC RGMIIn Input Receive for 10/100/1000 Mbps
        3. Table 7-88 Switching Characteristics Over Recommended Operating Conditions for rgmiin_txctl - RGMIIn Operation for 10/100/1000 Mbit/s
        4. Table 7-89 Switching Characteristics for GMAC RGMIIn Output Transmit for 10/100/1000 Mbps
    23. 7.23 Media Local Bus (MLB) interface
    24. 7.24 eMMC/SD/SDIO
      1. 7.24.1 MMC1—SD Card Interface
        1. 7.24.1.1 Default speed, 4-bit data, SDR, half-cycle
        2. 7.24.1.2 High speed, 4-bit data, SDR, half-cycle
        3. 7.24.1.3 SDR12, 4-bit data, half-cycle
        4. 7.24.1.4 SDR25, 4-bit data, half-cycle
        5. 7.24.1.5 UHS-I SDR50, 4-bit data, half-cycle
        6. 7.24.1.6 UHS-I SDR104, 4-bit data, half-cycle
        7. 7.24.1.7 UHS-I DDR50, 4-bit data
      2. 7.24.2 MMC2 — eMMC
        1. 7.24.2.1 Standard JC64 SDR, 8-bit data, half cycle
        2. 7.24.2.2 High-speed JC64 SDR, 8-bit data, half cycle
        3. 7.24.2.3 High-speed HS200 JC64 SDR, 8-bit data, half cycle
        4. 7.24.2.4 High-speed JC64 DDR, 8-bit data
      3. 7.24.3 MMC3 and MMC4—SDIO/SD
        1. 7.24.3.1 MMC3 and MMC4, SD Default Speed
        2. 7.24.3.2 MMC3 and MMC4, SD High Speed
        3. 7.24.3.3 MMC3 and MMC4, SD and SDIO SDR12 Mode
        4. 7.24.3.4 MMC3 and MMC4, SD SDR25 Mode
        5. 7.24.3.5 MMC3 SDIO High-Speed UHS-I SDR50 Mode, Half Cycle
    25. 7.25 General-Purpose Interface (GPIO)
    26. 7.26 Audio Tracking Logic (ATL)
      1. 7.26.1 ATL Electrical Data/Timing
        1. Table 7-145 Switching Characteristics Over Recommended Operating Conditions for ATL_CLKOUTx
    27. 7.27 System and Miscellaneous interfaces
    28. 7.28 Test Interfaces
      1. 7.28.1 IEEE 1149.1 Standard-Test-Access Port (JTAG)
        1. 7.28.1.1 JTAG Electrical Data/Timing
          1. Table 7-146 Timing Requirements for IEEE 1149.1 JTAG
          2. Table 7-147 Switching Characteristics Over Recommended Operating Conditions for IEEE 1149.1 JTAG
          3. Table 7-148 Timing Requirements for IEEE 1149.1 JTAG With RTCK
          4. Table 7-149 Switching Characteristics Over Recommended Operating Conditions for IEEE 1149.1 JTAG With RTCK
      2. 7.28.2 Trace Port Interface Unit (TPIU)
        1. 7.28.2.1 TPIU PLL DDR Mode
  8. Applications, Implementation, and Layout
    1. 8.1 Introduction
      1. 8.1.1 Initial Requirements and Guidelines
    2. 8.2 Power Optimizations
      1. 8.2.1 Step 1: PCB Stack-up
      2. 8.2.2 Step 2: Physical Placement
      3. 8.2.3 Step 3: Static Analysis
        1. 8.2.3.1 PDN Resistance and IR Drop
      4. 8.2.4 Step 4: Frequency Analysis
      5. 8.2.5 System ESD Generic Guidelines
        1. 8.2.5.1 System ESD Generic PCB Guideline
        2. 8.2.5.2 Miscellaneous EMC Guidelines to Mitigate ESD Immunity
      6. 8.2.6 EMI / EMC Issues Prevention
        1. 8.2.6.1 Signal Bandwidth
        2. 8.2.6.2 Signal Routing
          1. 8.2.6.2.1 Signal Routing—Sensitive Signals and Shielding
          2. 8.2.6.2.2 Signal Routing—Outer Layer Routing
        3. 8.2.6.3 Ground Guidelines
          1. 8.2.6.3.1 PCB Outer Layers
          2. 8.2.6.3.2 Metallic Frames
          3. 8.2.6.3.3 Connectors
          4. 8.2.6.3.4 Guard Ring on PCB Edges
          5. 8.2.6.3.5 Analog and Digital Ground
    3. 8.3 Core Power Domains
      1. 8.3.1 General Constraints and Theory
      2. 8.3.2 Voltage Decoupling
      3. 8.3.3 Static PDN Analysis
      4. 8.3.4 Dynamic PDN Analysis
      5. 8.3.5 Power Supply Mapping
      6. 8.3.6 DPLL Voltage Requirement
      7. 8.3.7 Loss of Input Power Event
      8. 8.3.8 Example PCB Design
        1. 8.3.8.1 Example Stack-up
        2. 8.3.8.2 vdd_mpu Example Analysis
    4. 8.4 Single-Ended Interfaces
      1. 8.4.1 General Routing Guidelines
      2. 8.4.2 QSPI Board Design and Layout Guidelines
    5. 8.5 Differential Interfaces
      1. 8.5.1 General Routing Guidelines
      2. 8.5.2 USB 2.0 Board Design and Layout Guidelines
        1. 8.5.2.1 Background
        2. 8.5.2.2 USB PHY Layout Guide
          1. 8.5.2.2.1 General Routing and Placement
          2. 8.5.2.2.2 Specific Guidelines for USB PHY Layout
            1. 8.5.2.2.2.1  Analog, PLL, and Digital Power Supply Filtering
            2. 8.5.2.2.2.2  Analog, Digital, and PLL Partitioning
            3. 8.5.2.2.2.3  Board Stackup
            4. 8.5.2.2.2.4  Cable Connector Socket
            5. 8.5.2.2.2.5  Clock Routings
            6. 8.5.2.2.2.6  Crystals/Oscillator
            7. 8.5.2.2.2.7  DP/DM Trace
            8. 8.5.2.2.2.8  DP/DM Vias
            9. 8.5.2.2.2.9  Image Planes
            10. 8.5.2.2.2.10 JTAG Interface
            11. 8.5.2.2.2.11 Power Regulators
        3. 8.5.2.3 Electrostatic Discharge (ESD)
          1. 8.5.2.3.1 IEC ESD Stressing Test
            1. 8.5.2.3.1.1 Test Mode
            2. 8.5.2.3.1.2 Air Discharge Mode
            3. 8.5.2.3.1.3 Test Type
          2. 8.5.2.3.2 TI Component Level IEC ESD Test
          3. 8.5.2.3.3 Construction of a Custom USB Connector
          4. 8.5.2.3.4 ESD Protection System Design Consideration
        4. 8.5.2.4 References
      3. 8.5.3 USB 3.0 Board Design and Layout Guidelines
        1. 8.5.3.1 USB 3.0 interface introduction
        2. 8.5.3.2 USB 3.0 General routing rules
      4. 8.5.4 HDMI Board Design and Layout Guidelines
        1. 8.5.4.1 HDMI Interface Schematic
        2. 8.5.4.2 TMDS General Routing Guidelines
        3. 8.5.4.3 TPD5S115
        4. 8.5.4.4 HDMI ESD Protection Device (Required)
        5. 8.5.4.5 PCB Stackup Specifications
        6. 8.5.4.6 Grounding
      5. 8.5.5 SATA Board Design and Layout Guidelines
        1. 8.5.5.1 SATA Interface Schematic
        2. 8.5.5.2 Compatible SATA Components and Modes
        3. 8.5.5.3 PCB Stackup Specifications
        4. 8.5.5.4 Routing Specifications
      6. 8.5.6 PCIe Board Design and Layout Guidelines
        1. 8.5.6.1 PCIe Connections and Interface Compliance
          1. 8.5.6.1.1 Coupling Capacitors
          2. 8.5.6.1.2 Polarity Inversion
        2. 8.5.6.2 Non-standard PCIe connections
          1. 8.5.6.2.1 PCB Stackup Specifications
          2. 8.5.6.2.2 Routing Specifications
            1. 8.5.6.2.2.1 Impedance
            2. 8.5.6.2.2.2 Differential Coupling
            3. 8.5.6.2.2.3 Pair Length Matching
        3. 8.5.6.3 LJCB_REFN/P Connections
    6. 8.6 Clock Routing Guidelines
      1. 8.6.1 32-kHz Oscillator Routing
      2. 8.6.2 Oscillator Ground Connection
    7. 8.7 DDR2/DDR3 Board Design and Layout Guidelines
      1. 8.7.1 DDR2/DDR3 General Board Layout Guidelines
      2. 8.7.2 DDR2 Board Design and Layout Guidelines
        1. 8.7.2.1 Board Designs
        2. 8.7.2.2 DDR2 Interface
          1. 8.7.2.2.1  DDR2 Interface Schematic
          2. 8.7.2.2.2  Compatible JEDEC DDR2 Devices
          3. 8.7.2.2.3  PCB Stackup
          4. 8.7.2.2.4  Placement
          5. 8.7.2.2.5  DDR2 Keepout Region
          6. 8.7.2.2.6  Bulk Bypass Capacitors
          7. 8.7.2.2.7  High-Speed Bypass Capacitors
          8. 8.7.2.2.8  Net Classes
          9. 8.7.2.2.9  DDR2 Signal Termination
          10. 8.7.2.2.10 VREF Routing
        3. 8.7.2.3 DDR2 CK and ADDR_CTRL Routing
      3. 8.7.3 DDR3 Board Design and Layout Guidelines
        1. 8.7.3.1  Board Designs
          1. 8.7.3.1.1 DDR3 versus DDR2
        2. 8.7.3.2  DDR3 EMIFs
        3. 8.7.3.3  DDR3 Device Combinations
        4. 8.7.3.4  DDR3 Interface Schematic
          1. 8.7.3.4.1 32-Bit DDR3 Interface
          2. 8.7.3.4.2 16-Bit DDR3 Interface
        5. 8.7.3.5  Compatible JEDEC DDR3 Devices
        6. 8.7.3.6  PCB Stackup
        7. 8.7.3.7  Placement
        8. 8.7.3.8  DDR3 Keepout Region
        9. 8.7.3.9  Bulk Bypass Capacitors
        10. 8.7.3.10 High-Speed Bypass Capacitors
          1. 8.7.3.10.1 Return Current Bypass Capacitors
        11. 8.7.3.11 Net Classes
        12. 8.7.3.12 DDR3 Signal Termination
        13. 8.7.3.13 VREF_DDR Routing
        14. 8.7.3.14 VTT
        15. 8.7.3.15 CK and ADDR_CTRL Topologies and Routing Definition
          1. 8.7.3.15.1 Four DDR3 Devices
            1. 8.7.3.15.1.1 CK and ADDR_CTRL Topologies, Four DDR3 Devices
            2. 8.7.3.15.1.2 CK and ADDR_CTRL Routing, Four DDR3 Devices
          2. 8.7.3.15.2 Two DDR3 Devices
            1. 8.7.3.15.2.1 CK and ADDR_CTRL Topologies, Two DDR3 Devices
            2. 8.7.3.15.2.2 CK and ADDR_CTRL Routing, Two DDR3 Devices
          3. 8.7.3.15.3 One DDR3 Device
            1. 8.7.3.15.3.1 CK and ADDR_CTRL Topologies, One DDR3 Device
            2. 8.7.3.15.3.2 CK and ADDR/CTRL Routing, One DDR3 Device
        16. 8.7.3.16 Data Topologies and Routing Definition
          1. 8.7.3.16.1 DQS and DQ/DM Topologies, Any Number of Allowed DDR3 Devices
          2. 8.7.3.16.2 DQS and DQ/DM Routing, Any Number of Allowed DDR3 Devices
        17. 8.7.3.17 Routing Specification
          1. 8.7.3.17.1 CK and ADDR_CTRL Routing Specification
          2. 8.7.3.17.2 DQS and DQ Routing Specification
  9. Device and Documentation Support
    1. 9.1 Device Nomenclature
      1. 9.1.1 Standard Package Symbolization
      2. 9.1.2 Device Naming Convention
    2. 9.2 Tools and Software
    3. 9.3 Documentation Support
    4. 9.4 Related Links
    5. 9.5 Community Resources
    6. 9.6 商标
    7. 9.7 静电放电警告
    8. 9.8 Glossary
  10. 10Mechanical, Packaging, and Orderable Information
    1. 10.1 Packaging Information

封装选项

请参考 PDF 数据表获取器件具体的封装图。

机械数据 (封装 | 引脚)
  • ABC|760
散热焊盘机械数据 (封装 | 引脚)
订购信息

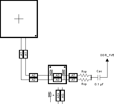
CK and ADDR_CTRL Routing, Two DDR3 Devices

Figure 8-70 shows the CK routing for two DDR3 devices placed on the same side of the PCB. Figure 8-71 shows the corresponding ADDR_CTRL routing.

DRA756 DRA755 DRA754 DRA752 DRA751 DRA750 DRA746 DRA745 DRA744 ck_routing_2_single_sprs614.gifFigure 8-70 CK Routing for Two Single-Side DDR3 Devices
DRA756 DRA755 DRA754 DRA752 DRA751 DRA750 DRA746 DRA745 DRA744 addr_ctrl_routing_2_single_sprs614.gifFigure 8-71 ADDR_CTRL Routing for Two Single-Side DDR3 Devices

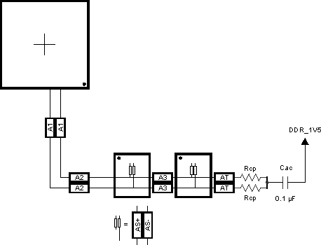
To save PCB space, the two DDR3 memories may be mounted as a mirrored pair at a cost of increased routing and assembly complexity. Figure 8-72 and Figure 8-73 show the routing for CK and ADDR_CTRL, respectively, for two DDR3 devices mirrored in a single-pair configuration.

DRA756 DRA755 DRA754 DRA752 DRA751 DRA750 DRA746 DRA745 DRA744 ck_routing_2_mirror_sprs614.gifFigure 8-72 CK Routing for Two Mirrored DDR3 Devices
DRA756 DRA755 DRA754 DRA752 DRA751 DRA750 DRA746 DRA745 DRA744 addr_ctrl_routing_2_mirror_sprs614.gifFigure 8-73 ADDR_CTRL Routing for Two Mirrored DDR3 Devices