ZHCSLO3D July   2004  – October 2021 DAC5662

PRODUCTION DATA  

  1. 特性
  2. 应用
  3. 描述
  4. Revision History
  5. Pin Configurations and Functions
  6. Specifications
    1. 6.1  Absolute Maximum Ratings
    2. 6.2  ESD Ratings
    3. 6.3  Recommended Operating Conditions
    4. 6.4  Thermal Resistance Characteristics
    5. 6.5  Electrical Characteristics
    6. 6.6  Electrical Characteristics
    7. 6.7  Electrical Characteristics, AC
    8. 6.8  Electrical Characteristics, DC
    9. 6.9  Switching Characteristics
    10. 6.10 Typical Characteristics
  7. Parameter Measurement Information
    1. 7.1 Digital Inputs and Timing
      1. 7.1.1 Digital Inputs
      2. 7.1.2 Input Interfaces
      3. 7.1.3 Dual-Bus Data Interface and Timing
      4. 7.1.4 Single-Bus Interleaved Data Interface and Timing
  8. Detailed Description
    1. 8.1 Overview
    2. 8.2 Functional Block Diagram
    3. 8.3 Feature Description
      1. 8.3.1 DAC Transfer Function
        1. 8.3.1.1 Analog Outputs
      2. 8.3.2 Output Configurations
      3. 8.3.3 Differential With Transformer
      4. 8.3.4 Single-Ended Configuration
      5. 8.3.5 Reference Operation
        1. 8.3.5.1 Internal Reference
        2. 8.3.5.2 External Reference
      6. 8.3.6 Gain Setting Option
    4. 8.4 Device Functional Modes
      1. 8.4.1 Sleep Mode
  9. Application and Implementation
    1. 9.1 Application Informmation
    2. 9.2 Typical Application
      1. 9.2.1 Design Requirements
      2. 9.2.2 Detailed Design Procedure
      3. 9.2.3 Application Curves
  10. 10Power Supply Recommendations
  11. 11Layout
    1. 11.1 Layout Guidelines
    2. 11.2 Layout Example
  12. 12Device and Documentation Support
    1. 12.1 Documentation Support
      1. 12.1.1 Related Documentation
    2. 12.2 接收文档更新通知
    3. 12.3 支持资源
    4. 12.4 Trademarks
    5. 12.5 静电放电警告
    6. 12.6 术语表

封装选项

请参考 PDF 数据表获取器件具体的封装图。

机械数据 (封装 | 引脚)
  • PFB|48
散热焊盘机械数据 (封装 | 引脚)
订购信息

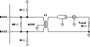
Differential With Transformer

Using an RF transformer provides a convenient way of converting the differential output signal into a single-ended signal while achieving excellent dynamic performance. The appropriate transformer should be carefully selected based on the output frequency spectrum and impedance requirements.

The differential transformer configuration has the benefit of significantly reducing common-mode signals, thus improving the dynamic performance over a wide range of frequencies. Furthermore, by selecting a suitable impedance ratio (winding ratio) the transformer can be used to provide optimum impedance matching while controlling the compliance voltage for the converter outputs.

Figure 8-2 and Figure 8-3 show 50-Ω doubly terminated transformer configurations with 1:1 and 4:1 impedance ratios, respectively. Note that the center tap of the primary input of the transformer has to be grounded to enable a dc-current flow. Applying a 20-mA full-scale output current would lead to a 0.5-VPP output for a 1:1 transformer and a 1-VPP output for a 4:1 transformer. In general, the 1:1 transformer configuration will have slightly better output distortion, but the 4:1 transformer will have 6 dB higher output power.

GUID-4311307C-94AD-492F-8CB2-E3C90DC6574D-low.gifFigure 8-2 Driving a Doubly Terminated 50-Ω Cable Using a 1:1 Impedance Ratio Transformer
GUID-F65CABA8-1532-4E0D-9820-90D95E76BDA7-low.gifFigure 8-3 Driving a Doubly Terminated 50-Ω Cable Using a 4:1 Impedance Ratio Transformer