SNAS424D August   2007  – April 2016 DAC088S085

PRODUCTION DATA.  

  1. Features
  2. Applications
  3. Description
  4. Revision History
  5. Description (continued)
  6. Pin Configuration and Functions
  7. Specifications
    1. 7.1 Absolute Maximum Ratings
    2. 7.2 ESD Ratings
    3. 7.3 Recommended Operating Conditions
    4. 7.4 Thermal Information
    5. 7.5 Electrical Characteristics
    6. 7.6 AC and Timing Requirements
    7. 7.7 Typical Characteristics
  8. Detailed Description
    1. 8.1 Overview
    2. 8.2 Functional Block Diagram
    3. 8.3 Feature Description
      1. 8.3.1 DAC Architecture
      2. 8.3.2 Output Amplifiers
      3. 8.3.3 Reference Voltage
    4. 8.4 Device Functional Modes
      1. 8.4.1 Power-On Reset
      2. 8.4.2 Power-Down Modes
    5. 8.5 Programming
      1. 8.5.1 Serial Interface
      2. 8.5.2 Daisy Chain Operation
      3. 8.5.3 Serial Input Register
  9. Application and Implementation
    1. 9.1 Application Information
      1. 9.1.1 Examples Programming the DAC088S085
        1. 9.1.1.1 Updating DAC Outputs Simultaneously
        2. 9.1.1.2 Updating DAC Outputs Independently
      2. 9.1.2 Bipolar Operation
      3. 9.1.3 Variable Current Source Output
      4. 9.1.4 DSP and Microprocessor Interfacing
        1. 9.1.4.1 ADSP-2101 and ADSP2103 Interfacing
        2. 9.1.4.2 80C51 and 80L51 Interface
        3. 9.1.4.3 68HC11 Interface
        4. 9.1.4.4 Microwire Interface
      5. 9.1.5 Industrial Application
    2. 9.2 Typical Applications
      1. 9.2.1 ADC Reference
        1. 9.2.1.1 Design Requirements
        2. 9.2.1.2 Detailed Design Procedure
        3. 9.2.1.3 Application Curve
      2. 9.2.2 Programmable Attenuator
        1. 9.2.2.1 Design Requirements
        2. 9.2.2.2 Detailed Design Procedure
        3. 9.2.2.3 Application Curve
    3. 9.3 Do's and Don'ts
  10. 10Power Supply Recommendations
    1. 10.1 Using References as Power Supplies
      1. 10.1.1 LM4132
      2. 10.1.2 LM4050
      3. 10.1.3 LP3985
      4. 10.1.4 LP2980
  11. 11Layout
    1. 11.1 Layout Guidelines
    2. 11.2 Layout Example
  12. 12Device and Documentation Support
    1. 12.1 Device Support
      1. 12.1.1 Device Nomenclature
        1. 12.1.1.1 Specification Definitions
    2. 12.2 Community Resources
    3. 12.3 Trademarks
    4. 12.4 Electrostatic Discharge Caution
    5. 12.5 Glossary
  13. 13Mechanical, Packaging, and Orderable Information

封装选项

机械数据 (封装 | 引脚)
散热焊盘机械数据 (封装 | 引脚)
订购信息

10 Power Supply Recommendations

10.1 Using References as Power Supplies

While the simplicity of the DAC088S085 implies ease of use, it is important to recognize that the path from the reference input (VREF1,2) to the DAC outputs has zero Power Supply Rejection Ratio (PSRR). Therefore, it is necessary to provide a noise-free supply voltage to VREF1,2. To use the full dynamic range of the DAC088S085, the supply pin (VA) and VREF1,2 can be connected together and share the same supply voltage. Because the DAC088S085 consumes very little power, a reference source may be used as the reference input or the supply voltage. The advantages of using a reference source over a voltage regulator are accuracy and stability. Some low noise regulators can also be used. Listed below are a few reference and power supply options for the DAC088S085.

10.1.1 LM4132

The LM4132, with its ±0.05% accuracy over temperature, is a good choice as a reference source for the DAC088S085. The 4.096 V version is useful if a 0 V to 4.09 V output range is desirable. Bypassing the LM4132 voltage input pin with a 4.7-µF capacitor and the voltage output pin with a 4.7-µF capacitor improves stability and reduce output noise. The LM4132 comes in a space-saving, 5-pin SOT-23 package.

DAC088S085 30031313.gif Figure 43. The LM4132 as a Power Supply

10.1.2 LM4050

Available with accuracy of ±0.1%, the LM4050 shunt reference is also a good choice as a reference for the DAC088S085. It is available in 4.096 V and 5 V versions and comes in a space-saving, 3-pin SOT-23 package.

DAC088S085 30031314.gif Figure 44. The LM4050 as a Power Supply

The minimum resistor value in the circuit of Figure 44 must be chosen such that the maximum current through the LM4050 does not exceed its 15-mA rating. The conditions for maximum current include the input voltage at its maximum, the LM4050 voltage at its minimum, and the DAC088S085 drawing zero current. The maximum resistor value must allow the LM4050 to draw more than its minimum current for regulation plus the maximum DAC088S085 current in full operation. The conditions for minimum current include the input voltage at its minimum, the LM4050 voltage at its maximum, the resistor value at its maximum due to tolerance, and the DAC088S085 draws its maximum current. These conditions can be summarized as:

Equation 6. R(min) = ( VIN(max) – VZ(min) ) / IZ(max)

and

Equation 7. R(max) = ( VIN(min) – VZ(max) ) / (IDAC(max) + IZ(min) )

where

  • VZ(min) and VZ(max) are the nominal LM4050 output voltages ± the LM4050 output tolerance over temperature
  • IZ(max) is the maximum allowable current through the LM4050, IZ(min) is the minimum current required by the LM4050 for proper regulation
  • IDAC(max) is the maximum DAC088S085 supply current.

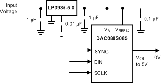
10.1.3 LP3985

The LP3985 is a low-noise, ultra-low dropout voltage regulator with a ±3% accuracy over temperature. It is a good choice for applications that do not require a precision reference for the DAC088S085. It comes in 3 V, 3.3 V, and 5 V versions, among others, and sports a low 30-µV noise specification at low frequencies. Because low frequency noise is relatively difficult to filter, this specification could be important for some applications. The LP3985 comes in a space-saving, 5-pin SOT-23 and 5-bump DSBGA packages.

DAC088S085 30031315.gif Figure 45. Using the LP3985 Regulator

An input capacitance of 1 µF without any ESR requirement is required at the LP3985 input, while a 1-µF ceramic capacitor with an ESR requirement of 5 mΩ to 500 mΩ is required at the output. Careful interpretation and understanding of the capacitor specification is required to ensure correct device operation.

10.1.4 LP2980

The LP2980 is an ultra-low dropout regulator with a ±0.5% or ±1% accuracy over temperature, depending upon grade. It is available in 3 V, 3.3 V, and 5 V versions, among others.

DAC088S085 30031316.gif Figure 46. Using the LP2980 Regulator

Like any low dropout regulator, the LP2980 requires an output capacitor for loop stability. This output capacitor must be at least 1 µF over temperature, but values of 2.2 µF or more provides even better performance. The ESR of this capacitor must be within the range specified in the LP2980 data sheet. Surface-mount solid tantalum capacitors offer a good combination of small size and low ESR. Ceramic capacitors are attractive due to their small size but generally have ESR values that are too low for use with the LP2980. Aluminum electrolytic capacitors are typically not a good choice due to their large size and high ESR values at low temperatures.