SNAS363F May   2006  – March 2016 DAC084S085

PRODUCTION DATA.  

  1. Features
  2. Applications
  3. Description
  4. Revision History
  5. Description
  6. Pin Configuration and Functions
  7. Specifications
    1. 7.1 Absolute Maximum Ratings
    2. 7.2 ESD Ratings
    3. 7.3 Recommended Operating Conditions
    4. 7.4 Thermal Information
    5. 7.5 Electrical Characteristics
    6. 7.6 Timing Requirements
    7. 7.7 Typical Characteristics
  8. Detailed Description
    1. 8.1 Overview
    2. 8.2 Functional Block Diagram
    3. 8.3 Feature Description
      1. 8.3.1 DAC Section
      2. 8.3.2 Output Amplifiers
      3. 8.3.3 Reference Voltage
      4. 8.3.4 Power-On Reset
    4. 8.4 Device Functional Modes
      1. 8.4.1 Power-Down Modes
    5. 8.5 Programming
      1. 8.5.1 Serial Interface
      2. 8.5.2 Input Shift Register
      3. 8.5.3 DSP and Microprocessor Interfacing
        1. 8.5.3.1 ADSP-2101 and ADSP2103 Interfacing
        2. 8.5.3.2 80C51 and 80L51 Interface
        3. 8.5.3.3 68HC11 Interface
        4. 8.5.3.4 Microwire Interface
  9. Application and Implementation
    1. 9.1 Application Information
      1. 9.1.1 Bipolar Operation
    2. 9.2 Typical Application
      1. 9.2.1 Design Requirements
      2. 9.2.2 Detailed Design Procedure
      3. 9.2.3 Application Curve
  10. 10Power Supply Recommendations
    1. 10.1 Using References as Power Supplies
      1. 10.1.1 LM4130
      2. 10.1.2 LM4050
      3. 10.1.3 LP3985
      4. 10.1.4 LP2980
  11. 11Layout
    1. 11.1 Layout Guidelines
    2. 11.2 Layout Example
  12. 12Device and Documentation Support
    1. 12.1 Device Support
      1. 12.1.1 Device Nomenclature
        1. 12.1.1.1 Specification Definitions
    2. 12.2 Community Resources
    3. 12.3 Trademarks
    4. 12.4 Electrostatic Discharge Caution
    5. 12.5 Glossary
  13. 13Mechanical, Packaging, and Orderable Information

封装选项

机械数据 (封装 | 引脚)
散热焊盘机械数据 (封装 | 引脚)
订购信息

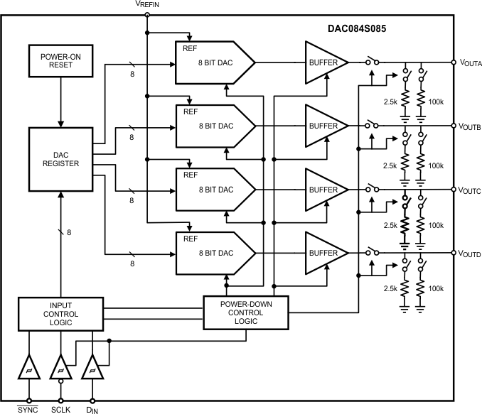
8 Detailed Description

8.1 Overview

The DAC084S085 is a full-featured, general-purpose QUAD 8-bit voltage-output digital-to-analog converter (DAC) that can operate from a single 2.7-V to 5.5-V supply and consumes 1.1 mW at 3 V and 2.5 mW at 5 V. The on-chip output amplifier allows rail-to-rail output swing and the three wire serial interface operates at clock rates up to 40 MHz over the entire supply voltage range. The serial interface is compatible with standard SPI, QSPI, MICROWIRE, and DSP interfaces.

The reference for the DAC084S085 serves all four channels and can vary in voltage between 1 V and VA, providing the widest possible output dynamic range. The DAC084S085 has a 16-bit input shift register that controls the outputs to be updated, the mode of operation, the power-down condition, and the binary input data. All four outputs can be updated simultaneously or individually depending on the setting of the two mode of operation bits.

A power-on reset circuit ensures that the DAC output powers up to zero volts and remains there until there is a valid write to the device. A power-down feature reduces power consumption to less than a microWatt with three different termination options.

8.2 Functional Block Diagram

DAC084S085 20195403.gif

8.3 Feature Description

8.3.1 DAC Section

The DAC084S085 is fabricated on a CMOS process with an architecture that consists of switches and resistor strings that are followed by an output buffer. The reference voltage is externally applied at VREFIN and is shared by all four DACs.

For simplicity, a single resistor string is shown in Figure 29. This string consists of 256 equal valued resistors with a switch at each junction of two resistors, plus a switch to ground. The code loaded into the DAC register determines which switch is closed, connecting the proper node to the amplifier. The input coding is straight binary with an ideal output voltage of:

Equation 1. VOUTA,B,C,D = VREFIN x (D / 256)

where

  • D is the decimal equivalent of the binary code that is loaded into the DAC register. D can take on any value between 0 and 255. This configuration ensures that the DAC is monotonic.
DAC084S085 20195407.gif Figure 29. DAC Resistor String

8.3.2 Output Amplifiers

The output amplifiers are rail-to-rail, providing an output voltage range of 0 V to VA when the reference is VA. All amplifiers, even rail-to-rail types, exhibit a loss of linearity as the output approaches the supply rails (0 V and VA, in this case). For this reason, linearity is specified over less than the full output range of the DAC. However, if the reference is less than VA, there is only a loss in linearity in the lowest codes. The output capabilities of the amplifier are described in Electrical Characteristics.

The output amplifiers are capable of driving a load of 2 kΩ in parallel with 1500 pF to ground or to VA. The zero-code and full-scale outputs for given load currents are available in Electrical Characteristics.

8.3.3 Reference Voltage

The DAC084S085 uses a single external reference that is shared by all four channels. The reference pin, VREFIN, is not buffered and has an input impedance of 30 kΩ. TI recommends that VREFIN be driven by a voltage source with low output impedance. The reference voltage range is 1 V to VA, providing the widest possible output dynamic range.

8.3.4 Power-On Reset

The power-on reset circuit controls the output voltages of the four DACs during power-up. Upon application of power, the DAC registers are filled with zeros and the output voltages are 0 V. The outputs remain at 0 V until a valid write sequence is made to the DAC.

8.4 Device Functional Modes

8.4.1 Power-Down Modes

The DAC084S085 has four power-down modes, two of which are identical. In power-down mode, the supply current drops to 20 µA at 3 V and 30 µA at 5 V. The DAC084S085 is set in power-down mode by setting OP1 and OP0 to 11. Since this mode powers down all four DACs, the address bits, A1 and A0, are used to select different output terminations for the DAC outputs. Setting A1 and A0 to 00 or 11 causes the outputs to be tri-stated (a high impedance state). While setting A1 and A0 to 01 or 10 causes the outputs to be terminated by
2.5 kΩ or 100 kΩ to ground respectively (see Table 1).

Table 1. Power-Down Modes

A1 A0 OP1 OP0 OPERATING MODE
0 0 1 1 High-Z outputs
0 1 1 1 2.5 kΩ to GND
1 0 1 1 100 kΩ to GND
1 1 1 1 High-Z outputs

The bias generator, output amplifiers, resistor strings, and other linear circuitry are all shut down in any of the power-down modes. However, the contents of the DAC registers are unaffected when in power-down. Each DAC register maintains its value prior to the DAC084S085 being powered down unless it is changed during the write sequence which instructed it to recover from power down. Minimum power consumption is achieved in the power-down mode with SYNC and DIN idled low and SCLK disabled. The time to exit power-down (Wake-Up Time) is typically tWU µs as stated in Timing Requirements.

8.5 Programming

8.5.1 Serial Interface

The three-wire interface is compatible with SPI™, QSPI, and MICROWIRE, as well as most DSPs and operates at clock rates up to 40 MHz. See Figure 1 for information on a write sequence.

A write sequence begins by bringing the SYNC line low. Once SYNC is low, the data on the DIN line is clocked into the 16-bit serial input register on the falling edges of SCLK. To avoid misclocking data into the shift register, it is critical that SYNC not be brought low simultaneously with a falling edge of SCLK (see Figure 1). On the 16th falling clock edge, the last data bit is clocked in and the programmed function (a change in the DAC channel address, mode of operation, and/or register contents) is executed. At this point the SYNC line may be kept low or brought high. Any data and clock pulses after the 16th falling clock edge is ignored. In either case, SYNC must be brought high for the minimum specified time before the next write sequence is initiated with a falling edge of SYNC.

Because the SYNC and DIN buffers draw more current when they are high, they must be idled low between write sequences to minimize power consumption.

8.5.2 Input Shift Register

The input shift register, Figure 30, has 16 bits. The first two bits are address bits. They determine whether the register data is for DAC A, DAC B, DAC C, or DAC D. The address bits are followed by two bits that determine the mode of operation (writing to a DAC register without updating the outputs of all four DACs, writing to a DAC register and updating the outputs of all four DACs, writing to the register of all four DACs and updating their outputs, or powering down all four outputs). The final twelve bits of the shift register are the data bits. The data format is straight binary (MSB first, LSB last), with all 0s corresponding to an output of 0 V and all 1s corresponding to a full-scale output of VREFIN – 1 LSB. The contents of the serial input register are transferred to the DAC register on the sixteenth falling edge of SCLK. See Figure 1.

DAC084S085 20195408.gif Figure 30. Input Register Contents

Normally, the SYNC line is kept low for at least 16 falling edges of SCLK and the DAC is updated on the 16th SCLK falling edge. However, if SYNC is brought high before the 16th falling edge, the data transfer to the shift register is aborted and the write sequence is invalid. Under this condition, the DAC register is not updated and there is no change in the mode of operation or in the DAC output voltages.

8.5.3 DSP and Microprocessor Interfacing

Interfacing the DAC084S085 to microprocessors and DSPs is quite simple.

8.5.3.1 ADSP-2101 and ADSP2103 Interfacing

Figure 31 shows a serial interface between the DAC084S085 and the ADSP-2101 or ADSP2103. The DSP must be set to operate in the SPORT Transmit Alternate Framing Mode. It is programmed through the SPORT control register and must be configured for Internal Clock Operation, Active Low Framing and 16-bit Word Length. Transmission is started by writing a word to the Tx register after the SPORT mode has been enabled.

DAC084S085 20195409.gif Figure 31. ADSP-2101 and 2103 Interface

8.5.3.2 80C51 and 80L51 Interface

Figure 32 shows a serial interface between the DAC084S085 and the 80C51 or 80L51 microcontroller. The SYNC signal comes from a bit-programmable pin on the microcontroller. The example shown here uses port line P3.3. This line is taken low when data is transmitted to the DAC084S085. Because the 80C51 and 80L51 transmits 8-bit bytes, only eight falling clock edges occur in the transmit cycle. To load data into the DAC, the P3.3 line must be left low after the first eight bits are transmitted. A second write cycle is initiated to transmit the second byte of data, after which port line P3.3 is brought high. The 80C51 and 80L51 transmit routine must recognize that the 80C51 and 80L51 transmits data with the LSB first while the DAC084S085 requires data with the MSB first.

DAC084S085 20195410.gif Figure 32. 80C51 and 80L51 Interface

8.5.3.3 68HC11 Interface

Figure 33 shows a serial interface between the DAC084S085 and the 68HC11 microcontroller. The SYNC line of the DAC084S085 is driven from a port line (PC7 in the figure), similar to the 80C51 and 80L51.

The 68HC11 must be configured with its CPOL bit as a zero and its CPHA bit as a one. This configuration causes data on the MOSI output to be valid on the falling edge of SCLK. PC7 is taken low to transmit data to the DAC. The 68HC11 transmits data in 8-bit bytes with eight falling clock edges. Data is transmitted with the MSB first. PC7 must remain low after the first eight bits are transferred. A second write cycle is initiated to transmit the second byte of data to the DAC, after which PC7 must be raised to end the write sequence.

DAC084S085 20195411.gif Figure 33. 68HC11 Interface

8.5.3.4 Microwire Interface

Figure 34 shows an interface between a Microwire compatible device and the DAC084S085. Data is clocked out on the rising edges of the SK signal. As a result, the SK of the Microwire device must be inverted before driving the SCLK of the DAC084S085.

DAC084S085 20195412.gif Figure 34. Microwire Interface