ZHCSDL9A December 2014 – March 2015 CSD97395Q4M
PRODUCTION DATA.
NOTE
Information in the following applications sections is not part of the TI component specification, and TI does not warrant its accuracy or completeness. TI’s customers are responsible for determining suitability of components for their purposes. Customers should validate and test their design implementation to confirm system functionality.
The Power Stage CSD97395Q4M is a highly optimized design for synchronous buck applications using NexFET devices with a 5 V gate drive. The Control FET and Sync FET silicon are parametrically tuned to yield the lowest power loss and highest system efficiency. As a result, a rating method is used that is tailored towards a more systems centric environment. The high-performance gate driver IC integrated in the package helps minimize the parasitics and results in extremely fast switching of the power MOSFETs. System level performance curves such as Power Loss, SOA, and normalized graphs allow engineers to predict the product performance in the actual application.
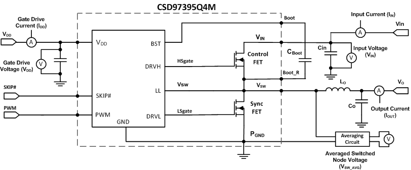
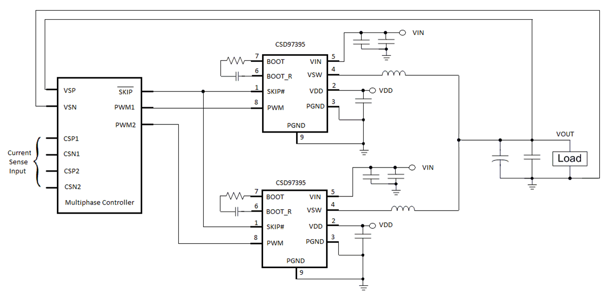
Figure 3. Application Schematic

| VIN = 12 V | VDD = 5 V | VOUT = 1.8 V |
| ƒSW = 500 kHz | LOUT = 0.29 µH |

| VIN = 12 V | VDD = 5 V | VOUT = 1.8 V |
| ƒSW = 500 kHz | LOUT = 0.29 µH |

| VIN = 12 V | VDD = 5 V | VOUT = 1.8 V |
| IOUT = 25 A | LOUT = 0.29 µH |

| VIN = 12 V | VDD = 5 V | IOUT = 25 A |
| ƒSW = 500 kHz | LOUT = 0.29 µH |

| VIN = 12 V | VDD = 5 V | IOUT = 25 A |
| LOUT = 0.29 µH | VOUT = 1.8 V |

| VIN = 12 V | VDD = 5 V | VOUT = 1.8 V |
| ƒSW = 500 kHz | LOUT = 0.29 µH |

| VIN = 12 V | VDD = 5 V | VOUT = 1.8 V |
| ƒSW = 500 kHz | LOUT = 0.29 µH |

| IOUT = 25 A | VDD = 5 V | VOUT = 1.8 V |
| ƒSW = 500 kHz | LOUT = 0.29 µH |

| VIN = 12 V | VDD = 5 V | IOUT = 25 A |
| ƒSW = 500 kHz | VOUT = 1.8 V |

| VIN = 12 V | VDD = 5 V | VOUT = 1.8 V |
| IOUT = 25 A | LOUT = 0.29 µH |
MOSFET centric parameters such as RDS(ON) and Qgd are primarily needed by engineers to estimate the loss generated by the devices. In an effort to simplify the design process for engineers, Texas Instruments has provided measured power loss performance curves. Figure 4 plots the power loss of the CSD97395Q4M as a function of load current. This curve is measured by configuring and running the CSD97395Q4M as it would be in the final application (see Figure 14). The measured power loss is the CSD97395Q4M device power loss which consists of both input conversion loss and gate drive loss. Equation 1 is used to generate the power loss curve.
The power loss curve in Figure 4 is measured at the maximum recommended junction temperature of
TJ = 125°C under isothermal test conditions.
The SOA curves in the CSD97395Q4M datasheet give engineers guidance on the temperature boundaries within an operating system by incorporating the thermal resistance and system power loss. Figure 6 and Figure 7 outline the temperature and airflow conditions required for a given load current. The area under the curve dictates the safe operating area. All the curves are based on measurements made on a PCB design with dimensions of 4.0 inches (W) × 3.5 inches (L) × 0.062 inch (T) and 6 copper layers of 1 oz. copper thickness.
The normalized curves in the CSD97395Q4M data sheet give engineers guidance on the Power Loss and SOA adjustments based on their application specific needs. These curves show how the power loss and SOA boundaries will adjust for a given set of systems conditions. The primary Y-axis is the normalized change in power loss and the secondary Y-axis is the change is system temperature required in order to comply with the SOA curve. The change in power loss is a multiplier for the Power Loss curve and the change in temperature is subtracted from the SOA curve.
Figure 14. Power Loss Test Circuit
The user can estimate product loss and SOA boundaries by arithmetic means (see the Design Example). Though the Power Loss and SOA curves in this datasheet are taken for a specific set of test conditions, the following procedure will outline the steps engineers should take to predict product performance for any set of system conditions.
Operating Conditions: Output Current (lOUT) = 15 A, Input Voltage (VIN ) = 7 V, Output Voltage (VOUT) = 1.5 V, Switching Frequency (ƒSW) = 800 kHz, Output Inductor (LOUT) = 0.2 µH
Figure 15. Power Stage CSD97395Q4M SOA
In the design example above, the estimated power loss of the CSD97395Q4M would increase to 3.1 W. In addition, the maximum allowable board and/or ambient temperature would have to decrease by 1.8°C. Figure 15 graphically shows how the SOA curve would be adjusted accordingly.
In the design example, the SOA temperature adjustment yields a reduction in allowable board/ambient temperature of 1.8°C. In the event the adjustment value is a negative number, subtracting the negative number would yield an increase in allowable board/ambient temperature.