ZHCSDL9A December 2014 – March 2015 CSD97395Q4M
PRODUCTION DATA.
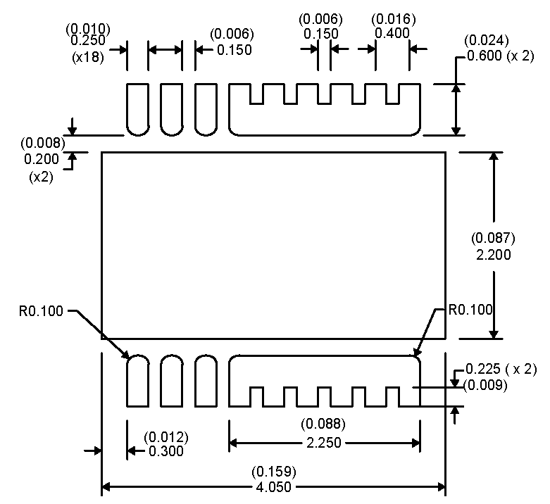
以下页中包括机械、封装和可订购信息。 这些信息是针对指定器件可提供的最新数据。 这些数据会在无通知且不对本文档进行修订的情况下发生改变。 欲获得该数据表的浏览器版本,请查阅左侧的导航栏。

| DIM | 毫米 | 英寸 | ||||
|---|---|---|---|---|---|---|
| 最小值 | 标称值 | 最大值 | 最小值 | 标称值 | 最大值 | |
| A | 0.800 | 0.900 | 1.000 | 0.031 | 0.035 | 0.039 |
| a1 | 0.000 | 0.000 | 0.080 | 0.000 | 0.000 | 0.003 |
| b | 0.150 | 0.200 | 0.250 | 0.006 | 0.008 | 0.010 |
| b1 | 2.000 | 2.200 | 2.400 | 0.079 | 0.087 | 0.095 |
| b2 | 0.150 | 0.200 | 0.250 | 0.006 | 0.008 | 0.010 |
| c1 | 0.150 | 0.200 | 0.250 | 0.006 | 0.008 | 0.010 |
| D2 | 3.850 | 3.950 | 4.050 | 0.152 | 0.156 | 0.160 |
| E | 4.400 | 4.500 | 4.600 | 0.173 | 0.177 | 0.181 |
| E1 | 3.400 | 3.500 | 3.600 | 0.134 | 0.138 | 0.142 |
| E2 | 2.000 | 2.100 | 2.200 | 0.079 | 0.083 | 0.087 |
| e | 0.400 典型值 | 0.016 典型值 | ||||
| K | 0.300 典型值 | 0.012 典型值 | ||||
| L | 0.300 | 0.400 | 0.500 | 0.012 | 0.016 | 0.020 |
| L1 | 0.180 | 0.230 | 0.280 | 0.007 | 0.009 | 0.011 |
| θ | 0.00 | — | — | 0.00 | — | — |


NOTE:
尺寸单位为 mm(英寸)。