ZHCSEM4 February   2016 CSD95472Q5MC

PRODUCTION DATA.  

  1. 1特性
  2. 2应用
  3. 3说明
  4. 4修订历史记录
  5. 5Pin Configuration and Functions
  6. 6Specifications
    1. 6.1 Absolute Maximum Ratings
    2. 6.2 ESD Ratings
    3. 6.3 Recommended Operating Conditions
    4. 6.4 Thermal Information
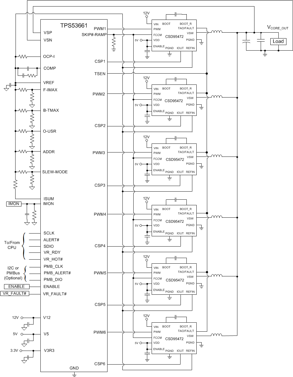
  7. 7Application Schematic
  8. 8器件和文档支持
    1. 8.1 社区资源
    2. 8.2 商标
    3. 8.3 静电放电警告
    4. 8.4 Glossary
  9. 9机械、封装和可订购信息
    1. 9.1 机械制图
    2. 9.2 建议印刷电路板 (PCB) 焊盘图案
    3. 9.3 建议模板开口

封装选项

机械数据 (封装 | 引脚)
  • DMC|12
散热焊盘机械数据 (封装 | 引脚)
订购信息

7 Application Schematic

CSD95472Q5MC Application_SLPS565.gif