SLPS499B March   2014  – March 2016 CSD95372BQ5M

PRODUCTION DATA.  

  1. 1Features
  2. 2Applications
  3. 3Description
  4. 4Revision History
  5. 5Pin Configuration and Functions
  6. 6Specifications
    1. 6.1 Absolute Maximum Ratings
    2. 6.2 Handling Ratings
    3. 6.3 Recommended Operating Conditions
    4. 6.4 Thermal Information
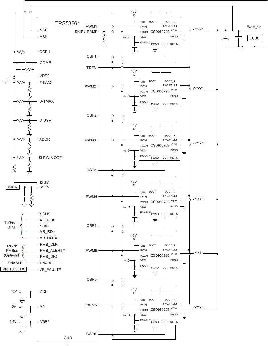
  7. 7Application Schematic
  8. 8Device and Documentation Support
    1. 8.1 Trademarks
    2. 8.2 Electrostatic Discharge Caution
    3. 8.3 Glossary
  9. 9Mechanical, Packaging, and Orderable Information
    1. 9.1 Mechanical Drawing
    2. 9.2 Recommended PCB Land Pattern
    3. 9.3 Recommended Stencil Opening

封装选项

机械数据 (封装 | 引脚)
散热焊盘机械数据 (封装 | 引脚)
订购信息

7 Application Schematic

CSD95372BQ5M Application_SLPS500B.gif