ZHCS390D June   2011  – February 2017 CSD87352Q5D

PRODUCTION DATA.  

  1. 1特性
  2. 2应用范围
  3. 3说明
  4. 4修订历史记录
  5. 5Specifications
    1. 5.1 Absolute Maximum Ratings
    2. 5.2 Recommended Operating Conditions
    3. 5.3 Power Block Performance
    4. 5.4 Thermal Information
    5. 5.5 Electrical Characteristics
    6. 5.6 Typical Power Block Device Characteristics
    7. 5.7 Typical Power Block MOSFET Characteristics
  6. 6Application and Implementation
    1. 6.1 Application Information
      1. 6.1.1 Equivalent System Performance
      2. 6.1.2 Power Loss Curves
      3. 6.1.3 Safe Operating Area (SOA) Curves
      4. 6.1.4 Normalized Curves
    2. 6.2 Typical Application
      1. 6.2.1 Calculating Power Loss and SOA
        1. 6.2.1.1 Design Example
        2. 6.2.1.2 Calculating Power Loss
        3. 6.2.1.3 Calculating SOA Adjustments
  7. 7Layout
    1. 7.1 Layout Guidelines
      1. 7.1.1 Electrical Performance
      2. 7.1.2 Thermal Performance
    2. 7.2 Layout Example
  8. 8器件和文档支持
    1. 8.1 文档支持
      1. 8.1.1 相关文档 
    2. 8.2 接收文档更新通知
    3. 8.3 社区资源
    4. 8.4 商标
    5. 8.5 静电放电警告
    6. 8.6 Glossary
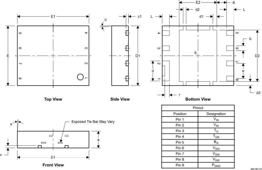
  9. 9机械封装和可订购信息
    1. 9.1 Q5D 封装尺寸
    2. 9.2 焊盘布局建议
    3. 9.3 模板建议
    4. 9.4 Q5D 卷带信息

封装选项

机械数据 (封装 | 引脚)
散热焊盘机械数据 (封装 | 引脚)
订购信息

机械封装和可订购信息

Q5D 封装尺寸

CSD87352Q5D M0187-01_LPS223.gif
DIM 毫米 英寸
最小值 最大值 最小值 最大值
a 1.400 1.500 0.055 0.059
b 0.360 0.460 0.014 0.018
c 0.150 0.250 0.006 0.010
c1 0.150 0.250 0.006 0.010
d 1.630 1.730 0.064 0.068
d1 0.280 0.380 0.011 0.015
d2 0.200 0.300 0.008 0.012
d3 0.291 0.391 0.012 0.015
D1 4.900 5.100 0.193 0.201
D2 4.269 4.369 0.168 0.172
E 4.900 5.100 0.193 0.201
E1 5.900 6.100 0.232 0.240
E2 3.106 3.206 0.122 0.126
e 1.270(典型值) 0.050
f 0.396 0.496 0.016 0.020
L 0.510 0.710 0.020 0.028
θ 0.000
K 0.812 0.032

焊盘布局建议

CSD87352Q5D M0188-01_LPS223.gif

NOTE:

尺寸单位为 mm(英寸)。

模板建议

CSD87352Q5D M0208-01_LPS223.gif

NOTE:

尺寸单位为 mm(英寸)。

有关针对 PCB 设计的建议电路布局布线,请参见《通过 PCB 布局布线技巧来减少振铃》(文献编号:SLPA005)。

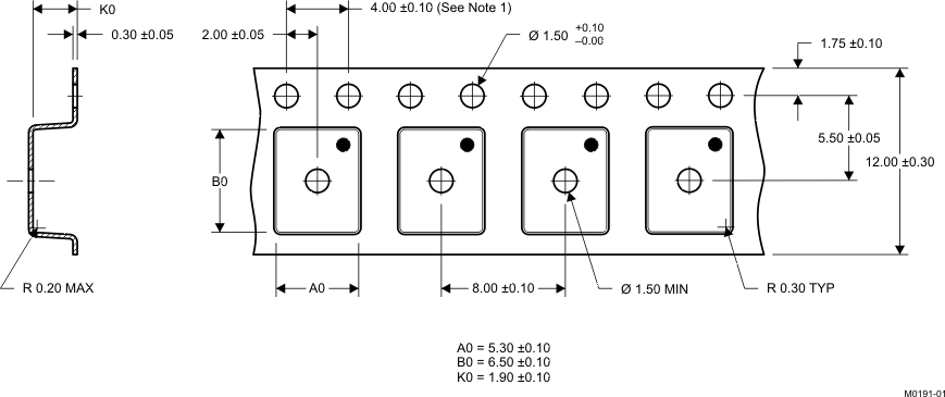
Q5D 卷带信息

CSD87352Q5D M0191-01_LPS223.gif

NOTES:

1. 10 链轮孔距累积容差为 ±0.2
2. 每 100mm 长度的外倾角不能超过 1mm,在 250mm 长度上不累积。
3. 材料:黑色抗静电聚苯乙烯。
4. 全部尺寸单位为 mm,除非另外注明。
5. 厚度:0.3 ± 0.05mm。
6. 符合 MSL1 260°C(红外和对流)PbF 回流焊要求。