ZHCS110E March   2011  – February 2017 CSD87350Q5D

PRODUCTION DATA.  

  1. 1特性
  2. 2应用范围
  3. 3说明
  4. 4修订历史记录
  5. 5Specifications
    1. 5.1 Absolute Maximum Ratings
    2. 5.2 Recommended Operating Conditions
    3. 5.3 Thermal Information
    4. 5.4 Power Block Performance
    5. 5.5 Electrical Characteristics
    6. 5.6 Typical Power Block Device Characteristics
    7. 5.7 Typical Power Block MOSFET Characteristics
  6. 6Application and Implementation
    1. 6.1 Application Information
      1. 6.1.1 Equivalent System Performance
      2. 6.1.2 Power Loss Curves
      3. 6.1.3 Safe Operating Area (SOA) Curves
      4. 6.1.4 Normalized Curves
    2. 6.2 Typical Application
      1. 6.2.1 Design Example: Calculating Power Loss and SOA
      2. 6.2.2 Operating Conditions
        1. 6.2.2.1 Calculating Power Loss
        2. 6.2.2.2 Calculating SOA Adjustments
  7. 7Layout
    1. 7.1 Layout Guidelines
      1. 7.1.1 Electrical Performance
      2. 7.1.2 Thermal Considerations
    2. 7.2 Layout Example
  8. 8器件和文档支持
    1. 8.1 文档支持
      1. 8.1.1 相关文档 
    2. 8.2 接收文档更新通知
    3. 8.3 社区资源
    4. 8.4 商标
    5. 8.5 静电放电警告
    6. 8.6 Glossary
  9. 9机械、封装和可订购信息
    1. 9.1 Q5D 封装尺寸
    2. 9.2 焊盘布局建议
    3. 9.3 模板建议
    4. 9.4 Q5D 卷带信息

封装选项

机械数据 (封装 | 引脚)
散热焊盘机械数据 (封装 | 引脚)
订购信息

Application and Implementation

NOTE

Information in the following applications sections is not part of the TI component specification, and TI does not warrant its accuracy or completeness. TI’s customers are responsible for determining suitability of components for their purposes. Customers should validate and test their design implementation to confirm system functionality.

Application Information

The CSD87350Q5D NexFET power block is an optimized design for synchronous buck applications using 5-V gate drive. The control FET and sync FET silicon are parametrically tuned to yield the lowest power loss and highest system efficiency. As a result, a new rating method is needed which is tailored towards a more systems-centric environment. System-level performance curves such as power loss, Safe Operating Area (SOA), and normalized graphs allow engineers to predict the product performance in the actual application.

Equivalent System Performance

Many of today’s high-performance computing systems require low-power consumption in an effort to reduce system operating temperatures and improve overall system efficiency. This has created a major emphasis on improving the conversion efficiency of today’s synchronous buck topology. In particular, there has been an emphasis in improving the performance of the critical power semiconductor in the power stage of this application (see Figure 28). As such, optimization of the power semiconductors in these applications, needs to go beyond simply reducing RDS(ON).

CSD87350Q5D SLPS288D_Equivalent_System_Top.gif Figure 28. Equivalent System Schematic

The CSD87350Q5D is part of TI’s power block product family which is a highly optimized product for use in a synchronous buck topology requiring high current, high efficiency, and high frequency. It incorporates TI’s latest generation silicon which has been optimized for switching performance, as well as minimizing losses associated with QGD, QGS, and QRR. Furthermore, TI’s patented packaging technology has minimized losses by nearly eliminating parasitic elements between the control FET and sync FET connections (see Figure 29). A key challenge solved by TI’s patented packaging technology is the system level impact of Common Source Inductance (CSI). CSI greatly impedes the switching characteristics of any MOSFET which in turn increases switching losses and reduces system efficiency. As a result, the effects of CSI need to be considered during the MOSFET selection process. In addition, standard MOSFET switching loss equations used to predict system efficiency need to be modified in order to account for the effects of CSI. Further details behind the effects of CSI and modification of switching loss equations are outlined in Power Loss Calculation With Common Source Inductance Consideration for Synchronous Buck Converters (SLPA009).

CSD87350Q5D SLPS288D_Equivalent_System_Bottom.gif Figure 29. Elimination of Parasitic Inductances

The combination of TI’s latest generation silicon and optimized packaging technology has created a benchmarking solution that outperforms industry standard MOSFET chipsets of similar RDS(ON) and MOSFET chipsets with lower RDS(ON). Figure 30 and Figure 31 compare the efficiency and power loss performance of the CSD87350Q5D versus industry standard MOSFET chipsets commonly used in this type of application. This comparison purely focuses on the efficiency and generated loss of the power semiconductors only. The performance of CSD87350Q5D clearly highlights the importance of considering the Effective AC On-Impedance (ZDS(ON)) during the MOSFET selection process of any new design. Simply normalizing to traditional MOSFET RDS(ON) specifications is not an indicator of the actual in-circuit performance when using TI’s power block technology.

CSD87350Q5D D029_SLPS288.gif Figure 30. Efficiency
CSD87350Q5D D030_SLPS288.gif Figure 31. Power Loss

Table 1 compares the traditional DC measured RDS(ON) of CSD87350Q5D versus its ZDS(ON). This comparison takes into account the improved efficiency associated with TI’s patented packaging technology. As such, when comparing TI’s power block products to individually packaged discrete MOSFETs or dual MOSFETs in a standard package, the in-circuit switching performance of the solution must be considered. In this example, individually packaged discrete MOSFETs or dual MOSFETs in a standard package would need to have DC measured RDS(ON) values that are equivalent to CSD87350Q5D’s ZDS(ON) value in order to have the same efficiency performance at full load. Mid- to light-load efficiency will still be lower with individually packaged discrete MOSFETs or dual MOSFETs in a standard package.

Table 1. Comparison of RDS(ON) vs ZDS(ON)

PARAMETER HS LS UNIT
TYP MAX TYP MAX
Effective AC on-impedance ZDS(ON) (VGS = 5 V) 5 1.2
DC measured RDS(ON) (VGS = 4.5 V) 5 6.8 2.1 2.8

Power Loss Curves

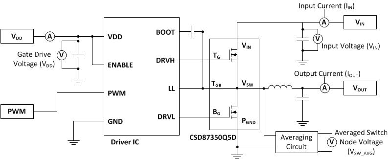
MOSFET centric parameters such as RDS(ON) and Qgd are needed to estimate the loss generated by the devices. In an effort to simplify the design process for engineers, Texas Instruments has provided measured power loss performance curves. Figure 1 plots the power loss of the CSD87350Q5D as a function of load current. This curve is measured by configuring and running the CSD87350Q5D as it would be in the final application (see Figure 32).The measured power loss is the CSD87350Q5D loss and consists of both input conversion loss and gate drive loss. Equation 1 is used to generate the power loss curve.

Equation 1. (VIN × IIN) + (VDD × IDD) – (VSW_AVG × IOUT) = power loss

The power loss curve in Figure 1 is measured at the maximum recommended junction temperatures of 125°C under isothermal test conditions.

Safe Operating Area (SOA) Curves

The SOA curves in the CSD87350Q5D data sheet provides guidance on the temperature boundaries within an operating system by incorporating the thermal resistance and system power loss. Figure 3 to Figure 5 outline the temperature and airflow conditions required for a given load current. The area under the curve dictates the safe operating area. All the curves are based on measurements made on a PCB design with dimensions of
4 in (W) × 3.5 in (L) × 0.062 in (T) and 6 copper layers of 1-oz copper thickness.

Normalized Curves

The normalized curves in the CSD87350Q5D data sheet provides guidance on the power loss and SOA adjustments based on their application specific needs. These curves show how the power loss and SOA boundaries will adjust for a given set of system conditions. The primary Y-axis is the normalized change in power loss and the secondary Y-axis is the change is system temperature required in order to comply with the SOA curve. The change in power loss is a multiplier for the power loss curve and the change in temperature is subtracted from the SOA curve.

Typical Application

CSD87350Q5D SLPS288D_Typical_App.gif Figure 32.

Design Example: Calculating Power Loss and SOA

The user can estimate product loss and SOA boundaries by arithmetic means (see Operating Conditions). Though the power loss and SOA curves in this data sheet are taken for a specific set of test conditions, the following procedure will outline the steps the user should take to predict product performance for any set of system conditions.

Operating Conditions

  • Output current = 25 A
  • Input voltage = 7 V
  • Output voltage = 1 V
  • Switching frequency = 800 kHz
  • Inductor = 0.2 µH

Calculating Power Loss

  • Power Loss at 25 A = 3.5 W (Figure 1)
  • Normalized Power Loss for input voltage ≈ 1.07 (Figure 7)
  • Normalized Power Loss for output voltage ≈ 0.95 (Figure 8)
  • Normalized Power Loss for switching frequency ≈ 1.11 (Figure 6)
  • Normalized Power Loss for output inductor ≈ 1.07 (Figure 9)
  • Final calculated Power Loss = 3.5 W × 1.07 × 0.95 × 1.11 × 1.07 ≈ 4.23 W

Calculating SOA Adjustments

  • SOA adjustment for input voltage ≈ 2°C (Figure 7)
  • SOA adjustment for output voltage ≈ –1.3°C (Figure 8)
  • SOA adjustment for switching frequency ≈ 2.8°C (Figure 6)
  • SOA adjustment for output inductor ≈ 1.6°C (Figure 9)
  • Final calculated SOA adjustment = 2 + (-1.3) + 2.8 + 1.6 ≈ 5.1°C

In the previous design example, the estimated power loss of the CSD87350Q5D would increase to 4.23 W. In addition, the maximum allowable board and/or ambient temperature would have to decrease by 5.1°C. Figure 33 graphically shows how the SOA curve would be adjusted accordingly.

  1. Start by drawing a horizontal line from the application current to the SOA curve.
  2. Draw a vertical line from the SOA curve intercept down to the board/ambient temperature.
  3. Adjust the SOA board/ambient temperature by subtracting the temperature adjustment value.

In the design example, the SOA temperature adjustment yields a reduction in allowable board/ambient temperature of 5.1°C. In the event the adjustment value is a negative number, subtracting the negative number would yield an increase in allowable board/ambient temperature.

CSD87350Q5D SLPS288D_SOA.gif Figure 33. Power Block SOA