ZHCSHU1 March   2018 CSD86336Q3D

PRODUCTION DATA.  

  1. 1特性
  2. 2应用
  3. 3说明
    1.     俯视图
      1.      Device Images
  4. 4修订历史记录
  5. 5Specifications
    1. 5.1 Absolute Maximum Ratings
    2. 5.2 Recommended Operating Conditions
    3. 5.3 Thermal Information
    4. 5.4 Power Block Performance
    5. 5.5 Electrical Characteristics – Q1 Control FET
    6. 5.6 Electrical Characteristics – Q2 Sync FET
    7. 5.7 Typical Power Block Device Characteristics
    8. 5.8 Typical Power Block MOSFET Characteristics
  6. 6Application and Implementation
    1. 6.1 Application Information
      1. 6.1.1 Equivalent System Performance
    2. 6.2 Power Loss Curves
    3. 6.3 Safe Operating Area (SOA) Curves
    4. 6.4 Normalized Curves
    5. 6.5 Calculating Power Loss and Safe Operating Area (SOA)
      1. 6.5.1 Design Example
      2. 6.5.2 Calculating Power Loss
      3. 6.5.3 Calculating SOA Adjustments
  7. 7Layout
    1. 7.1 Recommended Schematic Overview
    2. 7.2 Recommended PCB Design Overview
      1. 7.2.1 Electrical Performance
      2. 7.2.2 Thermal Performance
  8. 8器件和文档支持
    1. 8.1 接收文档更新通知
    2. 8.2 社区资源
    3. 8.3 商标
    4. 8.4 静电放电警告
    5. 8.5 Glossary
  9. 9机械、封装和可订购信息
    1. 9.1 Q3D 封装尺寸
    2. 9.2 引脚配置
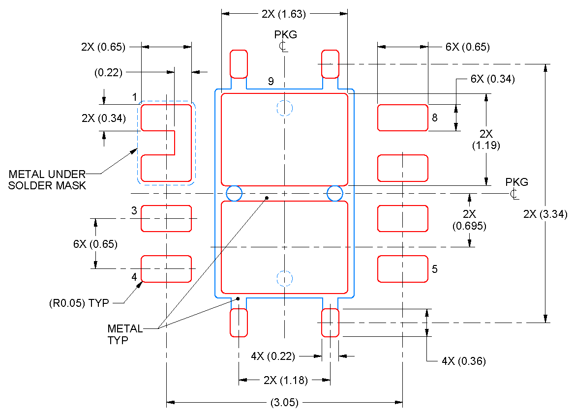
    3. 9.3 焊盘图案建议
    4. 9.4 模版建议

封装选项

机械数据 (封装 | 引脚)
散热焊盘机械数据 (封装 | 引脚)
订购信息

模版建议

CSD86336Q3D Stencil.png
  1. 所有线性尺寸的单位均为毫米。括号中的任何尺寸仅供参考。尺寸和公差值符合 ASME Y14.5M 标准。
  2. 具有漏斗形壁和圆角的激光切割孔可提供更佳的锡膏脱离。IPC-7525 可能提供替代设计建议。