SLPS454B December   2013  – January 2016 CSD25402Q3A

PRODUCTION DATA.  

  1. 1Features
  2. 2Applications
  3. 3Description
  4. 4Revision History
  5. 5Specifications
    1. 5.1 Electrical Characteristics
    2. 5.2 Thermal Information
    3. 5.3 Typical MOSFET Characteristics
  6. 6Device and Documentation Support
    1. 6.1 Community Resources
    2. 6.2 Trademarks
    3. 6.3 Electrostatic Discharge Caution
    4. 6.4 Glossary
  7. 7Mechanical, Packaging, and Orderable Information
    1. 7.1 Q3A Package Dimensions
    2. 7.2 Q3A Recommended PCB Pattern
    3. 7.3 Q3A Recommended Stencil Pattern
    4. 7.4 Q3A Tape and Reel Information

封装选项

机械数据 (封装 | 引脚)
散热焊盘机械数据 (封装 | 引脚)
订购信息

7 Mechanical, Packaging, and Orderable Information

The following pages include mechanical, packaging, and orderable information. This information is the most current data available for the designated devices. This data is subject to change without notice and revision of this document. For browser-based versions of this data sheet, refer to the left-hand navigation.

7.1 Q3A Package Dimensions

CSD25402Q3A Mech_Dwg.png
  1. All linear dimensions are in millimeters. Any dimensions in parenthesis are for reference only. Dimensioning and tolerancing per ASME Y14.5M.
  2. This drawing is subject to change without notice.
  3. The package thermal pad must be soldered to the printed circuit board for thermal and mechanical performance.
  4. Metalized features are supplier options and may not be on the package.
  5. All dimensions do not include mold flash or protrusions.

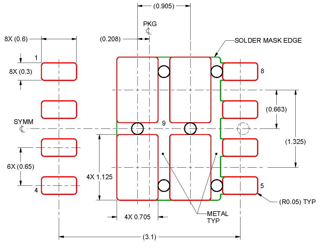
7.2 Q3A Recommended PCB Pattern

CSD25402Q3A PCB.png
  1. This package is designed to be soldered to a thermal pad on the board. For more information, see QFN/SON PCB Attachment application report, SLUA271.
  2. Vias are optional depending on application, refer to device data sheet. If some or all are implemented, recommended via locations are shown.

text added for spacing

For recommended circuit layout for PCB designs, see application note SLPA005Reducing Ringing Through PCB Layout Techniques.

7.3 Q3A Recommended Stencil Pattern

CSD25402Q3A Stencil.png
  1. Laser cutting apertures with trapezoidal walls and rounded corners may offer better paste release. IPC-7525 may have alternate design recommendations.

7.4 Q3A Tape and Reel Information

CSD25402Q3A m0144-01_lps202.gif

NOTES:

1. 10-sprocket hole-pitch cumulative tolerance ±0.2
2. Camber not to exceed 1 mm in 100 mm, noncumulative over 250 mm
3. Material: black static-dissipative polystyrene
4. All dimensions are in mm, unless otherwise specified
5. Thickness: 0.30 ±0.05 mm
6. MSL1 260°C (IR and convection) PbF reflow compatible