ZHCSCT2A September   2014  – January 2016 CSD17578Q3A

PRODUCTION DATA.  

  1. 1特性
  2. 2应用
  3. 3说明
  4. 4修订历史记录
  5. 5Specifications
    1. 5.1 Electrical Characteristics
    2. 5.2 Thermal Information
    3. 5.3 Typical MOSFET Characteristics
  6. 6器件和文档支持
    1. 6.1 社区资源
    2. 6.2 商标
    3. 6.3 静电放电警告
    4. 6.4 Glossary
  7. 7机械、封装和可订购信息
    1. 7.1 Q3A 封装尺寸
    2. 7.2 Q3A 建议的 PCB 布局
    3. 7.3 Q3A 建议的模板布局
    4. 7.4 Q3A 卷带信息

封装选项

请参考 PDF 数据表获取器件具体的封装图。

机械数据 (封装 | 引脚)
  • DNH|8
散热焊盘机械数据 (封装 | 引脚)
订购信息

机械、封装和可订购信息

以下页面包含机械、封装和可订购信息。这些信息是指定器件的最新可用数据。这些数据如有变更,恕不另行通知和修订此文档。如欲获取此产品说明书的浏览器版本,请参阅左侧的导航。

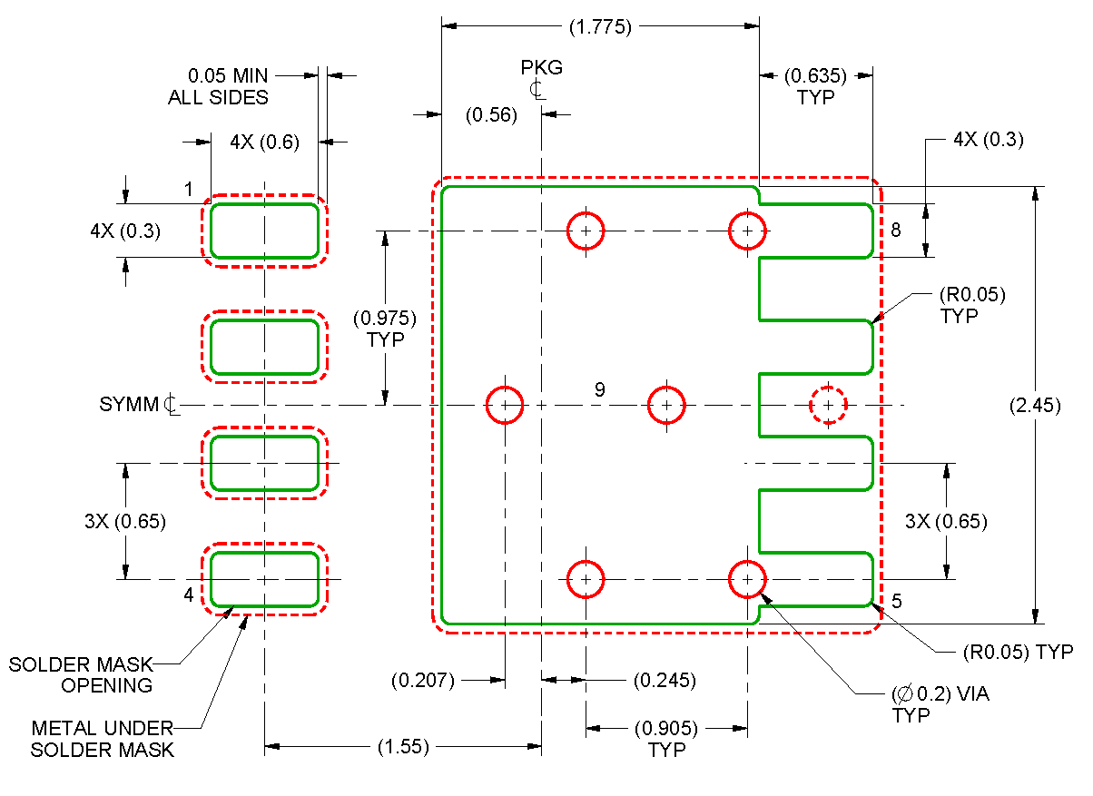
Q3A 封装尺寸

CSD17578Q3A Mech_Dwg.png
  1. 所有线性尺寸的单位均为毫米。括号中的任何尺寸仅供参考。尺寸和公差值符合 ASME Y14.5M 标准。
  2. 本图如有变更,恕不另行通知。
  3. 必须在印刷电路板上焊接封装散热焊盘,以获得良好的散热和机械性能。
  4. 金属化 特性 为供应商选配特性,因此封装上可能不具备。
  5. 所有尺寸不包括模具毛边或突出部分。

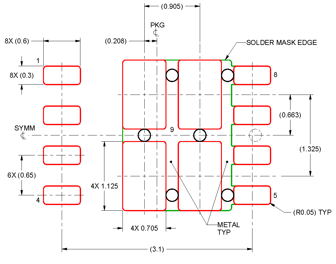
Q3A 建议的 PCB 布局

CSD17578Q3A PCB.png
  1. 此封装设计用于焊接到电路板的散热焊盘上。有关更多信息,请参阅《QFN/SON PCB 连接》应用报告 (SLUA271)。
  2. 根据应用决定是否选用过孔,详情请参见器件产品说明书。如果实现了部分或全部过孔,则会显示建议的过孔位置。

要获得与印刷电路板 (PCB) 设计相关的建议电路布局布线,请参阅《应用说明》SLPA005 - 通过 PCB 布局布线技巧来减少振铃

Q3A 建议的模板布局

CSD17578Q3A Stencil.png
  1. 具有漏斗形壁和圆角的激光切割孔可提供更佳的锡膏脱离。IPC-7525 可能提供其他替代性设计建议。

Q3A 卷带信息

CSD17578Q3A m0144-01_lps202.gif

NOTES:

1. 10 链轮孔距累积容差 ±0.2
2. 每 100mm 长度的翘曲不能超过 1mm,在 250mm 长度上不累积
3. 材料:黑色抗静电聚苯乙烯
4. 全部尺寸单位为 mm,除非另外注明。
5. 厚度:0.30 ± 0.05mm
6. MSL1 260°C(红外 (IR) 和传导)PbF 回流焊兼容