ZHCSCQ3 August 2014 CSD17577Q5A
PRODUCTION DATA.
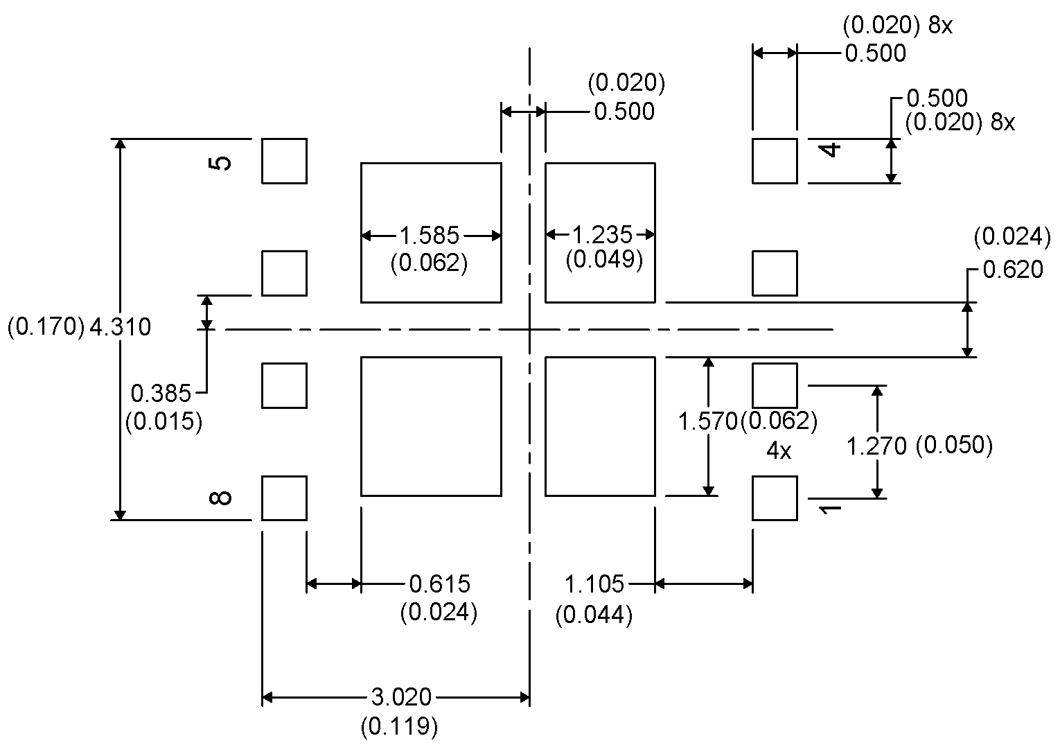
以下页中包括机械封装和可订购信息。 这些信息是针对指定器件可提供的最新数据。 这些数据会在无通知且不对本文档进行修订的情况下发生改变。 欲获得该数据表的浏览器版本,请查阅左侧的导航栏。

| DIM | 毫米 | ||
|---|---|---|---|
| 最小值 | 标称值 | 最大值 | |
| A | 0.90 | 1.00 | 1.10 |
| b | 0.33 | 0.41 | 0.51 |
| c | 0.20 | 0.25 | 0.34 |
| D1 | 4.80 | 4.90 | 5.00 |
| D2 | 3.61 | 3.81 | 4.02 |
| E | 5.90 | 6.00 | 6.10 |
| E1 | 5.70 | 5.75 | 5.80 |
| E2 | 3.38 | 3.58 | 3.78 |
| E3 | 3.03 | 3.13 | 3.23 |
| e | 1.17 | 1.27 | 1.37 |
| e1 | 0.27 | 0.37 | 0.47 |
| e2 | 0.15 | 0.25 | 0.35 |
| H | 0.41 | 0.56 | 0.71 |
| K | 1.10 | — | — |
| L | 0.51 | 0.61 | 0.71 |
| L1 | 0.06 | 0.13 | 0.20 |
| θ | 0° | — | 12° |

| DIM | 毫米 | 英寸 | ||
|---|---|---|---|---|
| 最小值 | 最大值 | 最小值 | 最大值 | |
| F1 | 6.205 | 6.305 | 0.244 | 0.248 |
| F2 | 4.46 | 4.56 | 0.176 | 0.18 |
| F3 | 4.46 | 4.56 | 0.176 | 0.18 |
| F4 | 0.65 | 0.7 | 0.026 | 0.028 |
| F5 | 0.62 | 0.67 | 0.024 | 0.026 |
| F6 | 0.63 | 0.68 | 0.025 | 0.027 |
| F7 | 0.7 | 0.8 | 0.028 | 0.031 |
| F8 | 0.65 | 0.7 | 0.026 | 0.028 |
| F9 | 0.62 | 0.67 | 0.024 | 0.026 |
| F10 | 4.9 | 5 | 0.193 | 0.197 |
| F11 | 4.46 | 4.56 | 0.176 | 0.18 |
要获得与印刷电路板 (PCB) 设计相关的建议电路布局布线,请参见《应用说明》SLPA005 - 通过 PCB 布局布线技巧来减少振铃。


谨记: