ZHCSCQ2 August   2014 CSD17577Q3A

PRODUCTION DATA.  

  1. 1特性
  2. 2应用范围
  3. 3说明
  4. 4修订历史记录
  5. 5Specifications
    1. 5.1 Electrical Characteristics
    2. 5.2 Thermal Information
    3. 5.3 Typical MOSFET Characteristics
  6. 6器件和文档支持
    1. 6.1 Trademarks
    2. 6.2 Electrostatic Discharge Caution
    3. 6.3 术语表
  7. 7机械封装和可订购信息
    1. 7.1 Q3A 封装尺寸
    2. 7.2 Q3A 建议的 PCB 布局
    3. 7.3 Q3A 建议的模板布局
    4. 7.4 Q3A 卷带信息

封装选项

机械数据 (封装 | 引脚)
散热焊盘机械数据 (封装 | 引脚)
订购信息

7 机械封装和可订购信息

以下页中包括机械封装和可订购信息。 这些信息是针对指定器件可提供的最新数据。 这些数据会在无通知且不对本文档进行修订的情况下发生改变。 欲获得该数据表的浏览器版本,请查阅左侧的导航栏。

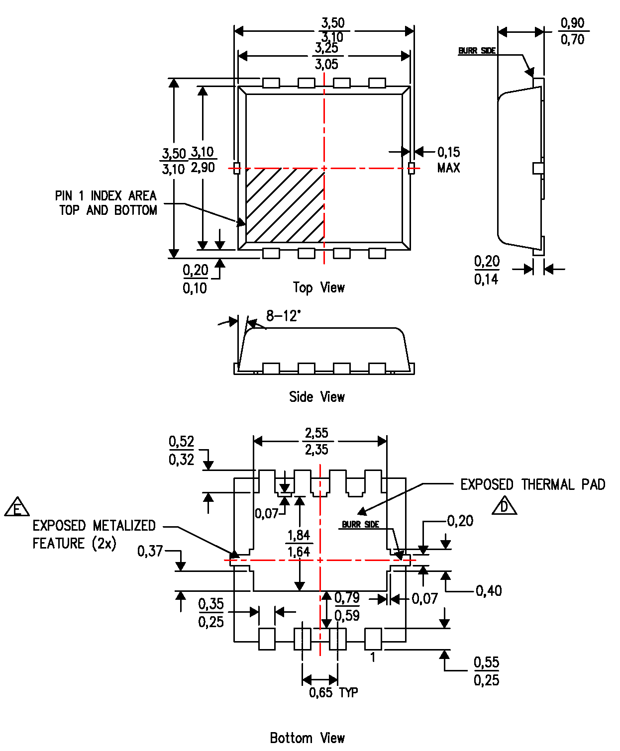
7.1 Q3A 封装尺寸

PackageDimensions_B.png

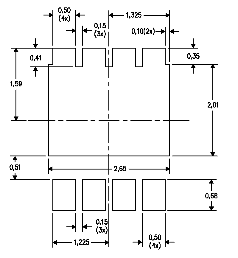
7.2 Q3A 建议的 PCB 布局

Recommended_PCB_Pattern.png

要获得与印刷电路板 (PCB) 设计相关的建议电路布局布线,请参见《应用说明》SLPA005 - 通过 PCB 布局布线技巧来减少振铃

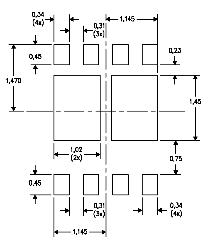
7.3 Q3A 建议的模板布局

Recommended_Stencil_Pattern.png

7.4 Q3A 卷带信息

m0144-01_lps202.gif
1. 10 链轮孔距累积容差 ±0.2
2. 每 100mm 长度的翘曲不能超过 1mm,在 250mm 长度上不累积
3. 材料:黑色抗静电聚苯乙烯
4. 全部尺寸单位为 mm,除非另外注明。
5. 厚度:0.30 ± 0.05mm
6. MSL1 260°C(红外 (IR) 和传导)PbF 回流焊兼容