ZHCSC48D February   2014  – May 2017 CSD17570Q5B

PRODUCTION DATA.  

  1. 1特性
  2. 2应用
  3. 3说明
  4. 4修订历史记录
  5. 5Specifications
    1. 5.1 Electrical Characteristics
    2. 5.2 Thermal Information
    3. 5.3 Typical MOSFET Characteristics
  6. 6器件和文档支持
    1. 6.1 接收文档更新通知
    2. 6.2 社区资源
    3. 6.3 商标
    4. 6.4 静电放电警告
    5. 6.5 Glossary
  7. 7机械、封装和可订购信息
    1. 7.1 Q5B 封装尺寸
    2. 7.2 建议 PCB 布局
    3. 7.3 建议模板布局
    4. 7.4 Q5B 卷带信息

封装选项

请参考 PDF 数据表获取器件具体的封装图。

机械数据 (封装 | 引脚)
  • DNK|8
散热焊盘机械数据 (封装 | 引脚)
订购信息

机械、封装和可订购信息

以下页面包括机械、封装和可订购信息。这些信息是指定器件的最新可用数据。这些数据发生变化时,我们可能不会另行通知或修订此文档。如欲获取此产品说明书的浏览器版本,请参见左侧的导航栏。

Q5B 封装尺寸

CSD17570Q5B Mechanical_Drawing_1404.png
DIM 毫米
最小值 标称值 最大值
A 0.80 1.00 1.05
b 0.36 0.41 0.46
c 0.15 0.20 0.25
c1 0.15 0.20 0.25
c2 0.20 0.25 0.30
D1 4.90 5.00 5.10
D2 4.12 4.22 4.32
D3 3.90 4.00 4.10
d 0.20 0.25 0.30
d1 0.085 典型值
d2 0.319 0.369 0.419
E 4.90 5.00 5.10
E1 5.90 6.00 6.10
E2 3.48 3.58 3.68
e 1.27 典型值
H 0.36 0.46 0.56
L 0.46 0.56 0.66
L1 0.57 0.67 0.77
θ - -
K 1.40 典型值

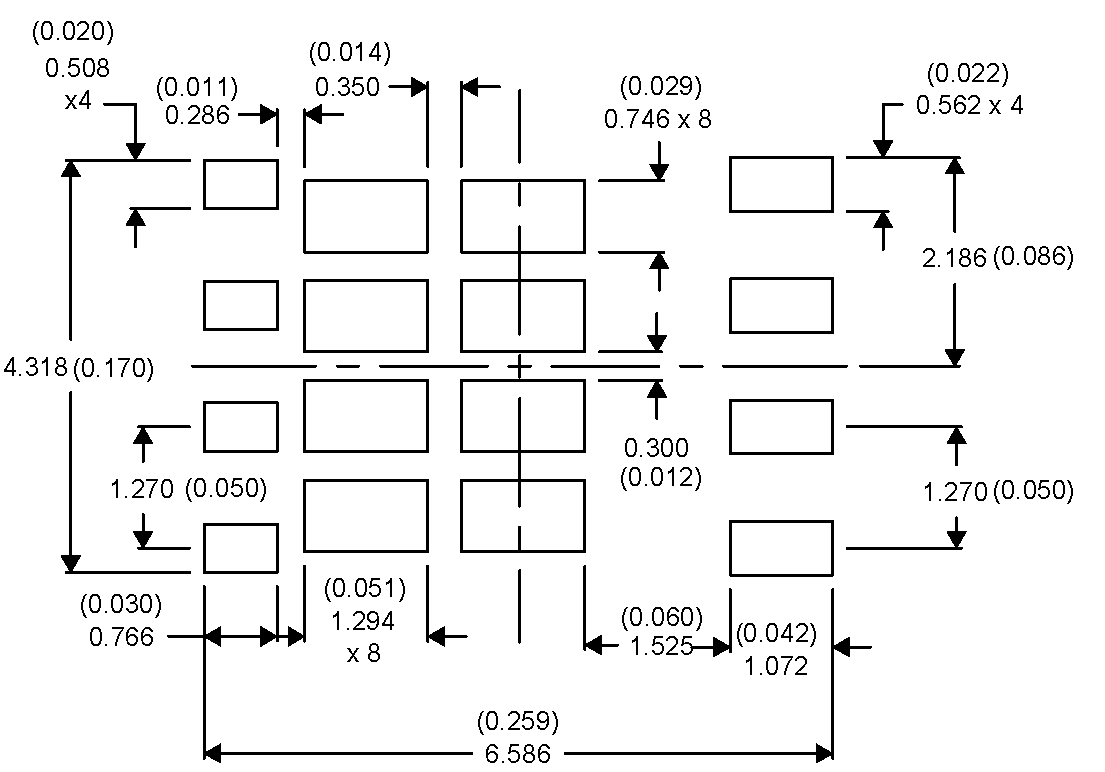
建议 PCB 布局

,焊盘 3 和 4 之间的尺寸从 0.028 英寸更改为了 0.050 英寸CSD17570Q5B Recommended_PCB.gif

要获得与印刷电路板 (PCB) 设计相关的建议电路布局布线,请参见《应用说明》SLPA005 - 通过 PCB 布局布线技巧来减少振铃

建议模板布局

CSD17570Q5B Recommended_Stencil.png

Q5B 卷带信息

CSD17570Q5B M0138-01_LPS198.gif

注释:

  1. 10 个链齿孔的累积容差为 ±0.2
  2. 每 100mm 长度的翘曲不能超过 1mm,在 250mm 长度上不累积
  3. 材料:黑色抗静电聚苯乙烯
  4. 全部尺寸单位为 mm(除非另外注明)。
  5. 高于孔眼底部 0.3mm 的平面上测量得到 A0 和 B0 值.