SLPS243G July   2010  – January 2017 CSD17507Q5A

PRODUCTION DATA.  

  1. 1Features
  2. 2Applications
  3. 3Description
  4. 4Revision History
  5. 5Specifications
    1. 5.1 Electrical Characteristics
    2. 5.2 Thermal Information
    3. 5.3 Typical MOSFET Characteristics
  6. 6Device and Documentation Support
    1. 6.1 Receiving Notification of Documentation Updates
    2. 6.2 Community Resources
    3. 6.3 Trademarks
    4. 6.4 Electrostatic Discharge Caution
    5. 6.5 Glossary
  7. 7Mechanical, Packaging, and Orderable Information
    1. 7.1 Q5A Package Dimensions
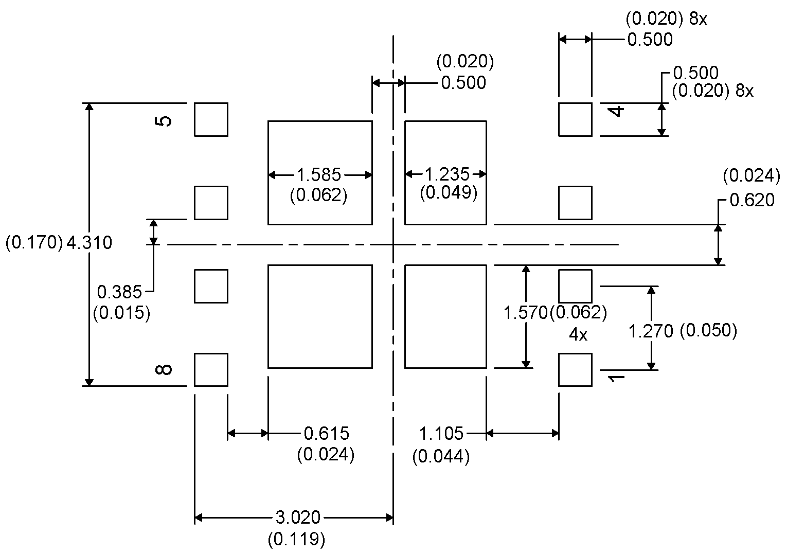
    2. 7.2 Recommended PCB Pattern
    3. 7.3 Recommended Stencil Opening
    4. 7.4 Q5A Tape and Reel Information

封装选项

请参考 PDF 数据表获取器件具体的封装图。

机械数据 (封装 | 引脚)
  • DQJ|8
散热焊盘机械数据 (封装 | 引脚)
订购信息

Mechanical, Packaging, and Orderable Information

The following pages include mechanical, packaging, and orderable information. This information is the most current data available for the designated devices. This data is subject to change without notice and revision of this document. For browser-based versions of this data sheet, refer to the left-hand navigation.

Q5A Package Dimensions

CSD17507Q5A mechanical_data.png
DIM MILLIMETERS
MIN NOM MAX
A 0.90 1.00 1.10
b 0.33 0.41 0.51
c 0.20 0.25 0.34
D1 4.80 4.90 5.00
D2 3.61 3.81 4.02
E 5.90 6.00 6.10
E1 5.70 5.75 5.80
E2 3.38 3.58 3.78
E3 3.03 3.13 3.23
e 1.17 1.27 1.37
e1 0.27 0.37 0.47
e2 0.15 0.25 0.35
H 0.41 0.56 0.71
K 1.10
L 0.51 0.61 0.71
L1 0.06 0.13 0.20
θ 12°

Recommended PCB Pattern

CSD17507Q5A m0139-01_lps198.gif
DIM MILLIMETERS INCHES
MIN MAX MIN MAX
F1 6.205 6.305 0.244 0.248
F2 4.46 4.56 0.176 0.18
F3 4.46 4.56 0.176 0.18
F4 0.65 0.7 0.026 0.028
F5 0.62 0.67 0.024 0.026
F6 0.63 0.68 0.025 0.027
F7 0.7 0.8 0.028 0.031
F8 0.65 0.7 0.026 0.028
F9 0.62 0.67 0.024 0.026
F10 4.9 5 0.193 0.197
F11 4.46 4.56 0.176 0.18

For recommended circuit layout for PCB designs, see Reducing Ringing Through PCB Layout Techniques (SLPA005).

Recommended Stencil Opening

CSD17507Q5A Stencil_opening.png

Q5A Tape and Reel Information

CSD17507Q5A M0138-01_LPS198.gif

Notes:

  1. 10-sprocket hole-pitch cumulative tolerance ±0.2.
  2. Camber not to exceed 1 mm in 100 mm, noncumulative over 250 mm.
  3. Material: black static-dissipative polystyrene.
  4. All dimensions are in mm (unless otherwise specified).
  5. A0 and B0 measured on a plane 0.3 mm above the bottom of the pocket.