SCAS666D June   2001  – October 2015 CDCVF2310

PRODUCTION DATA.  

  1. Features
  2. Applications
  3. Description
  4. Revision History
  5. Pin Configuration and Functions
  6. Specifications
    1. 6.1  Absolute Maximum Ratings
    2. 6.2  ESD Ratings
    3. 6.3  Recommended Operating Conditions
    4. 6.4  Thermal Information
    5. 6.5  Electrical Characteristics
    6. 6.6  Timing Requirements
    7. 6.7  Jitter Characteristics
    8. 6.8  Switching Characteristics
    9. 6.9  Switching Characteristics
    10. 6.10 Typical Characteristics
  7. Parameter Measurement Information
  8. Detailed Description
    1. 8.1 Overview
    2. 8.2 Functional Block Diagram
    3. 8.3 Feature Description
      1. 8.3.1 Output Enable Glitch Suppression Circuit
    4. 8.4 Device Functional Modes
  9. Application and Implementation
    1. 9.1 Application Information
    2. 9.2 Typical Application
      1. 9.2.1 Design Requirements
      2. 9.2.2 Detailed Design Procedure
      3. 9.2.3 Application Curves
  10. 10Power Supply Recommendations
  11. 11Layout
    1. 11.1 Layout Guidelines
    2. 11.2 Layout Example
    3. 11.3 Thermal Considerations
  12. 12Device and Documentation Support
    1. 12.1 Documentation Support
      1. 12.1.1 Related Documentation
    2. 12.2 Community Resources
    3. 12.3 Trademarks
    4. 12.4 Electrostatic Discharge Caution
    5. 12.5 Glossary
  13. 13Mechanical, Packaging, and Orderable Information

封装选项

请参考 PDF 数据表获取器件具体的封装图。

机械数据 (封装 | 引脚)
  • PW|24
散热焊盘机械数据 (封装 | 引脚)
订购信息

9 Application and Implementation

NOTE

Information in the following applications sections is not part of the TI component specification, and TI does not warrant its accuracy or completeness. TI’s customers are responsible for determining suitability of components for their purposes. Customers should validate and test their design implementation to confirm system functionality.

9.1 Application Information

The CDCVF2310 is a LVCMOS buffer solution that can operate up to 200 MHz. Low output skew as well as the ability for glitchless output enable and disable is featured to simultaneously enable or disable buffered clock outputs as necessary in the application.

9.2 Typical Application

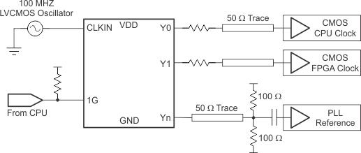
CDCVF2310 CDCLVCxxxx_typApp.gif Figure 7. Example System Configuration

9.2.1 Design Requirements

The CDCVF2310 shown in Figure 7 is configured to fan out a 100-MHz signal from a local LVCMOS oscillator. The CPU is configured to control the output state through 1G.

The configuration example is driving three LVCMOS receivers in a backplane application with the following properties:

  • The CPU clock can accept a full swing DC-coupled LVCMOS signal. A series resistor is placed near the CDCVF2310 to closely match the characteristic impedance of the trace to minimize reflections.
  • The FPGA clock is similarly DC-coupled with an appropriate series resistor placed near the CDCVF2310.
  • The PLL in this example can accept a lower amplitude signal, so a Thevenin's equivalent termination is used. The PLL receiver features internal biasing, so AC-coupling can be used when common-mode voltage is mismatched.

9.2.2 Detailed Design Procedure

Refer to Electrical Characteristics table to determine the appropriate series resistance needed for matching the output impedance of the CDCVF2310 to that of the characteristic impedance of the transmission line.

9.2.3 Application Curves

CDCVF2310 PN_125MHz.png
Figure 8. CDCVF2310 Output Phase Noise 89.1 fs
(12 kHz to 20 MHz), Reference Phase Noise 76.9 fs, Output Frequency 125 MHz
CDCVF2310 PN_30_72MHz.png
Figure 9. CDCVF2310 Output Phase Noise 169.6 fs
(12kHz to 5MHz), Reference Phase Noise 161.5 fs, Frequency 30.72 MHz

The low-additive jitter of the CDCVF2310 can be seen in the previous application plots. The low-noise, 125-MHz input source drives the CDCVF2310, resulting in 45-fs RMS additive jitter when integrated from 12 kHz to 20 MHz for this configuration. The low-noise 30.72-MHz input source drives the CDCVF2310, resulting in 52-fs RMS additive jitter when integrated from 12 kHz to 5 MHz for this configuration.

CDCVF2310 Gate.gif Figure 10. CDCVF2310 Configured as Gate Function for Output Clock

The CDCVF2310 can be configured to generate a gated clock using the GN Please refer to Output Enable Glitch Suppression Circuit for required timings.