ZHCS757A February   2012  – April 2016 CDCM9102

PRODUCTION DATA.  

  1. 特性
  2. 应用范围
  3. 说明
  4. 修订历史记录
  5. Device Comparison Table
  6. Pin Configuration and Functions
  7. Specifications
    1. 7.1 Absolute Maximum Ratings
    2. 7.2 ESD Ratings
    3. 7.3 Recommended Operating Conditions
    4. 7.4 Thermal Information
    5. 7.5 Electrical Characteristics
    6. 7.6 Timing Requirements
    7. 7.7 Typical Characteristics
  8. Parameter Measurement Information
    1. 8.1 Test Configurations
  9. Detailed Description
    1. 9.1 Overview
    2. 9.2 Functional Block Diagrams
    3. 9.3 Feature Description
    4. 9.4 Device Functional Modes
      1. 9.4.1 Crystal Input (XIN) Interface
      2. 9.4.2 Interfacing between LVPECL and HCSL (PCI Express)
    5. 9.5 Programming
      1. 9.5.1 Device Configuration
  10. 10Application and Implementation
    1. 10.1 Application Information
      1. 10.1.1 Start-Up Time Estimation
      2. 10.1.2 Output Termination
      3. 10.1.3 LVPECL Termination
      4. 10.1.4 LVDS Termination
      5. 10.1.5 LVCMOS Termination
      6. 10.1.6 PCI Express Applications
    2. 10.2 Typical Application
      1. 10.2.1 Design Requirements
      2. 10.2.2 Detailed Design Procedure
        1. 10.2.2.1 Device Selection
          1. 10.2.2.1.1 Calculation Using LCM
        2. 10.2.2.2 Device Configuration
      3. 10.2.3 Application Curve
  11. 11Power Supply Recommendations
    1. 11.1 Thermal Management
    2. 11.2 Power Supply Filtering
  12. 12Layout
    1. 12.1 Layout Guidelines
    2. 12.2 Layout Example
  13. 13器件和文档支持
    1. 13.1 社区资源
    2. 13.2 商标
    3. 13.3 静电放电警告
    4. 13.4 Glossary
  14. 14机械、封装和可订购信息

封装选项

机械数据 (封装 | 引脚)
散热焊盘机械数据 (封装 | 引脚)
订购信息

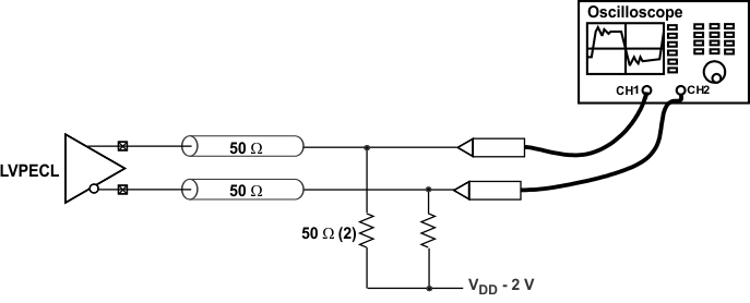
8 Parameter Measurement Information

8.1 Test Configurations

CDCM9102 output_tst_load_cas922.gif Figure 2. LVCMOS Output Test Load
CDCM9102 AC_conf_tst_cas922.gif Figure 3. LVCMOS AC Configuration for Device Test
CDCM9102 DC_conf_tst_cas922.gif Figure 4. LVPECL DC Configuration for Device Test
CDCM9102 LVPECL_conf_tst_cas922.gif Figure 5. LVPECL AC Configuration for Device Test
CDCM9102 LVDS_DC_tst_cas922.gif Figure 6. LVDS DC Configuration for Device Test
CDCM9102 LVDS_AC_tst_cas922.gif Figure 7. LVDS AC Configuration for Device Test