ZHCSEA7A June   2015  – September 2015 CDCEL824

PRODUCTION DATA.  

  1. 特性
  2. 应用
  3. 说明
  4. 修订历史记录
  5. 说明(续)
  6. Pin Configuration and Functions
  7. Specifications
    1. 7.1 Absolute Maximum Ratings
    2. 7.2 ESD Ratings
    3. 7.3 Recommended Operating Conditions
    4. 7.4 Thermal Information
    5. 7.5 Electrical Characteristics
    6. 7.6 CLK_IN Timing Requirements
    7. 7.7 SDA/SCL Timing Requirements
    8. 7.8 EEPROM Specification
    9. 7.9 Typical Characteristics
  8. Parameter Measurement Information
  9. Detailed Description
    1. 9.1 Overview
    2. 9.2 Functional Block Diagram
    3. 9.3 Feature Description
      1. 9.3.1 Control Pins Settings
      2. 9.3.2 SDA/SCL Serial Interface
      3. 9.3.3 SDA/SCL Hardware Interface
    4. 9.4 Device Functional Modes
      1. 9.4.1 Default Device Setting
    5. 9.5 Programming
      1. 9.5.1 Data Protocol
      2. 9.5.2 Command Code Definition
      3. 9.5.3 Generic Programming Sequence
      4. 9.5.4 Byte Write Programming Sequence
      5. 9.5.5 Byte Read Programming Sequence
      6. 9.5.6 Block Write Programming Sequence
      7. 9.5.7 Block Read Programming Sequence
    6. 9.6 Register Maps
      1. 9.6.1 SDA/SCL Configuration Registers
  10. 10Application and Implementation
    1. 10.1 Application Information
    2. 10.2 Typical Application
      1. 10.2.1 Design Requirements
      2. 10.2.2 Detailed Design Procedure
        1. 10.2.2.1 PLL Multiplier/Divider Definition
      3. 10.2.3 Application Curves
  11. 11Power Supply Recommendations
  12. 12Layout
    1. 12.1 Layout Guidelines
    2. 12.2 Layout Example
  13. 13器件和文档支持
    1. 13.1 文档支持
    2. 13.2 社区资源
    3. 13.3 商标
    4. 13.4 静电放电警告
    5. 13.5 Glossary
  14. 14机械、封装和可订购信息

封装选项

机械数据 (封装 | 引脚)
散热焊盘机械数据 (封装 | 引脚)
订购信息

9 Detailed Description

9.1 Overview

The CDCEL824 is a modular PLL-based low-cost, high-performance, programmable clock synthesizer, multiplier, and divider. It generates up to four output clocks from a single input frequency. Each output can be programmed in-system for any clock frequency up to 201 MHz, using up to two independent configurable PLLs.

The CDCEL824 has a separate output supply pins, VDDOUT, which are 1.8 V.

The input accepts an external crystal or LVCMOS clock signal. In case of a crystal input, an on-chip load capacitor is adequate for most applications. The value of the load capacitor is programmable from 0 pF to 20 pF.

The deep M/N divider ratio allows the generation of zero-ppm audio/video, networking (WLAN, Bluetooth, Ethernet, GPS) or interface (USB, IEEE1394, memory stick) clocks from a 27-MHz reference input frequency, for example.

Based on the PLL frequency and the divider settings, the internal loop filter components are automatically adjusted to achieve high stability and optimized jitter transfer characteristic of each PLL.

The device supports nonvolatile EEPROM programming for easy customization of the device in the application. It is preset to a factory default configuration and can be reprogrammed to a different application configuration before it goes onto the PCB or reprogrammed by in-system programming. All device settings are programmable through the SDA/SCL bus, a 2-wire serial interface.

Three, free programmable control inputs, S0, S1, and S2, can be used to select different frequencies, or other control features like outputs disable to low, outputs in high-impedance state, power down, PLL bypass, and so forth.

The CDCx824 operates in a 1.8-V environment. It operates in a temperature range of –40°C to 85°C.

9.2 Functional Block Diagram

CDCEL824 fbd_scas945.gif

9.3 Feature Description

9.3.1 Control Pins Settings

The CDCEL824 has three user-definable control pins (S0, S1, and S2) which allow external control of device settings. They can be programmed to any of the following settings:

  • Frequency selection → switching between any of two user-defined frequencies
  • Output state selection → output configuration and power-down control

The user can predefine up to eight different control settings. Table 1 and Table 2 explain these settings.

Table 1. Control Pin Definition

EXTERNAL
CONTROL
BITS
PLL1 SETTING PLL2 SETTING RSVD SETTING
Control function PLL frequency selection Reserved Output Y1/Y2 selection PLL frequency selection Reserved Output Y3/Y4 selection Reserved

Table 2. PLL Setting (Can Be Selected for Each PLL Individual)(1)

FREQUENCY SELECTION(2)
FSx FUNCTION
0 Frequency0
1 Frequency1
OUTPUT SELECTION(3) (Y1 ... Y4)
YxYx FUNCTION
0 State0
1 State1
(1) Center/down-spread, Frequency0/1 and State0/1 are user-definable in the PLLx configuration register.
(2) Frequency0 and Frequency1 can be any frequency within the specified fVCO range.
(3) State0/1 selection is valid for both outputs of the corresponding PLL module and can be power down, high-impedance state, low, or active

SDA/S1 and SCL/S2 pins of the CDCEL824 are dual-function pins. In the default configuration, they are predefined as the SDA/SCL serial programming interface. They can be programmed to control pins (S1/S2) by setting the relevant bits in the EEPROM. Note that the changes of the bits in the control register (bit [6] of byte 02h) have no effect until they are written into the EEPROM.

Once they are set as control pins, the serial programming interface is no longer available. However, if VDDOUT is forced to GND, the two control pins, S1 and S2, temporally act as serial programming pins (SDA/SCL).

S0 is not a multi-use pin; it is a control pin only.

9.3.2 SDA/SCL Serial Interface

This section describes the SDA/SCL interface of the CDCEL824 device. The CDCEL824 operates as a slave device of the 2-wire serial SDA/SCL bus, compatible with the popular SMBus or I2C specification. It operates in the standard-mode transfer (up to 100 kbit/s) and fast-mode transfer (up to 400 kbit/s) and supports 7-bit addressing.

The SDA/S1 and SCL/S2 pins of the CDCEL824 are dual-function pins. In the default configuration they are used as SDA/SCL serial programming interface. They can be reprogrammed as general-purpose control pins, S1 and S2, by changing the corresponding EEPROM setting, byte 02h, bit [6].

CDCEL824 tim_dia_cas847.gif Figure 5. Timing Diagram for SDA/SCL Serial Control Interface

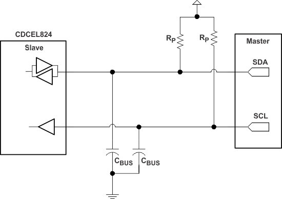
9.3.3 SDA/SCL Hardware Interface

Figure 6 shows how the CDCEL824 clock synthesizer is connected to the SDA/SCL serial interface bus. Multiple devices can be connected to the bus, but the speed may need to be reduced (400 kHz is the maximum) if many devices are connected.

Note that the pullup resistors (RP) depend on the supply voltage, bus capacitance, and number of connected devices. The recommended pullup value is 4.7 kΩ. It must meet the minimum sink current of 3 mA at VOLmax = 0.4 V for the output stages (for more details see the SMBus or I2C Bus specification).

CDCEL824 hardware_if_cas945.gif Figure 6. SDA/SCL Hardware Interface

9.4 Device Functional Modes

9.4.1 Default Device Setting

The internal EEPROM of CDCEL824 is preconfigured as shown in Figure 7. The input frequency is passed through the output as a default. This allows the device to operate in default mode without the extra production step of programming it. The default setting appears after power is supplied or after a power-down/up sequence until it is reprogrammed by the user to a different application configuration. A new register setting is programmed via the serial SDA/SCL interface.

CDCEL824 default_scas945.gif Figure 7. Preconfiguration of CDCEL824 Internal EEPROM

Table 3 shows the factory default setting for the control terminal register (external control pins). Note that even though eight different register settings are possible, in default configuration, only the first two settings (0 and 1) can be selected with S0, as S1 and S2 are configured as programming pins in the default mode.

Table 3. Factory Default Settings for Control Terminal Register(1)

PLL1 SETTINGS PLL2 SETTINGS
EXTERNAL CONTROL PINS FREQUENCY SELECTION OUTPUT SELECTION FREQUENCY SELECTION OUTPUT SELECTION
S2 S1 S0 FS1 Y1Y2 FS2 Y2Y3
SCL (I2C) SDA (I2C) 0 fVCO1_0 High-impedance state fVCO2_0 High-impedance state
SCL (I2C) SDA (I2C) 1 fVCO1_0 Enabled fVCO2_0 Enabled
(1) S1 is SDA and S2 is SCL in default mode or when programmed (SPICON bit 6 of register 2 set to 0). They do not have any control-pin function but they are internally interpreted as if S1 = 0 and S2 = 0. S0, however, is a control pin which in the default mode switches all outputs ON or OFF (as previously predefined).

9.5 Programming

9.5.1 Data Protocol

The device supports Byte Write and Byte Read and Block Write and Block Read operations.

For Byte Write/Read operations, the system controller can individually access addressed bytes.

For Block Write/Read operations, the bytes are accessed in sequential order from lowest to highest byte (with most-significant bit first) with the ability to stop after any complete byte has been transferred. The numbers of bytes read out are defined by byte count in the generic configuration register. At the Block Read instruction, all bytes defined in the byte count must be read out to finish the read cycle correctly.

Once a byte has been sent, it is written into the internal register and is effective immediately. This applies to each transferred byte regardless of whether this is a Byte Write or a Block Write sequence.

If the EEPROM write cycle is initiated, the internal SDA registers are written into the EEPROM. During this write cycle, data is not accepted at the SDA/SCL bus until the write cycle is completed. However, data can be read out during the programming sequence (Byte Read or Block Read). The programming status can be monitored by EEPIP, byte 01h–bit 6.

The offset of the indexed byte is encoded in the command code, as described in Table 4.

Table 4. Slave Receiver Address (7 Bits)

DEVICE A6 A5 A4 A3 A2 A1(1) A0(1) R/W
CDCEL824 1 1 0 0 1 0 0 1/0
(1) Address bits A0 and A1 are programmable via the SDA/SCL bus (byte 01, bit [1:0]. This allows addressing up to four devices connected to the same SDA/SCL bus. The least-significant bit of the address byte designates a write or read operation.

9.5.2 Command Code Definition

Table 5. Command Code Definition

BIT DESCRIPTION
7 0 = Block Read or Block Write operation
1 = Byte Read or Byte Write operation
(6:0) Byte offset for Byte Read, Block Read, Byte Write and Block Write operations.

9.5.3 Generic Programming Sequence

CDCEL824 prog_seq_cas847.gif Figure 8. Generic Programming Sequence

9.5.4 Byte Write Programming Sequence

CDCEL824 byte_wr_cas847.gif Figure 9. Byte Write Protocol

9.5.5 Byte Read Programming Sequence

CDCEL824 byte_rd_cas847.gif Figure 10. Byte Read Protocol

9.5.6 Block Write Programming Sequence1

CDCEL824 block_wr_cas847.gif
1. Data byte 0 bits [7:0] is reserved for Revision Code and Vendor Identification. Also, it is used for internal test purpose and should not be overwritten.
Figure 11. Block Write Protocol

9.5.7 Block Read Programming Sequence

CDCEL824 block_rd_cas847.gif Figure 12. Block Read Protocol

9.6 Register Maps

9.6.1 SDA/SCL Configuration Registers

The clock input, control pins, PLLs, and output stages are user configurable. The following tables and explanations describe the programmable functions of the CDCEL824. All settings can be manually written into the device via the SDA/SCL bus or easily programmed by using the TI Pro-Clock™ software.

Table 6. SDA/SCL Registers

ADDRESS OFFSET REGISTER DESCRIPTION TABLE
00h Generic configuration register Table 8
10h PLL1 configuration register Table 9
20h PLL2 configuration register Table 10

The grey-highlighted bits, described in the Configuration Registers tables in the following pages, belong to the Control Terminal Register. The user can predefine up to eight different control settings. These settings then can be selected by the external control pins, S0, S1, and S2. Table 7 explains the corresponding bit assignment between the Control Terminal Register and the Configuration Registers.

Table 7. Configuration Register, External Control Terminals

PLL1 SETTINGS PLL2 SETTINGS
EXTERNAL CONTROL PINS FREQUENCY
SELECTION
OUTPUT
SELECTION
FREQUENCY
SELECTION
OUTPUT
SELECTION
S2 S1 S0 FS1 Y1Y2 FS2 Y3Y4
0 0 0 0 FS1_0 Y1Y2_0 FS2_0 Y3Y4_0
1 0 0 1 FS1_1 Y1Y2_1 FS2_1 Y3Y4_1
2 0 1 0 FS1_2 Y1Y2_2 FS2_2 Y3Y4_2
3 0 1 1 FS1_3 Y1Y2_3 FS2_3Reserved Reserved
4 1 0 0 FS1_4 Y1Y2_4 FS2_4Reserved Reserved
5 1 0 1 FS1_5 Y1Y2_5 FS2_5 Y3Y4_5
6 1 1 0 FS1_6 Y1Y2_6 FS2_6 Y3Y4_6
7 1 1 1 FS1_7 Y1Y2_7 FS2_7 Y3Y4_7
Address offset(1) 13h 15h 23h 25h
(1) Address offset refers to the byte address in the configuration register in Table 8, Table 9, and Table 10.

Table 8. Generic Configuration Register

OFFSET(1) BIT(2) ACRONYM DEFAULT(3) DESCRIPTION
00h 7 E_EL 0b Device identification (read-only): 0 is CDCEL824 (1.8 V out)
6:4 RID Xb Revision identification number (read-only)
3:0 VID 1h Vendor identification number (read-only)
01h 7 0b Reserved – always write 0
6 EEPIP 0b EEPROM programming Status4:(4) (read-only) 0 – EEPROM programming is completed
1 – EEPROM is in programming mode
5 EELOCK 0b Permanently lock EEPROM data(5) 0 – EEPROM is not locked
1 – EEPROM is permanently locked
4 PWDN 0b Device power down (overwrites S0/S1/S2 setting; configuration register settings are unchanged)
Note: PWDN cannot be set to 1 in the EEPROM.
0 – Device active (all PLLs and all outputs are enabled)
1 – Device power down (all PLLs in power down and all outputs in high-impedance state)
3:2 INCLK 00b Input clock selection: 00 – Xtal  01 – VCXO   10 – LVCMOS 1 – Reserved
1:0 SLAVE_ADR 00b Address bits A0 and A1 of the slave receiver address
02h 7 M1 0b RSVD 0 – Input clock  1 – PLL1 clock
6 SPICON 0b Operation mode selection for pins 14/15(6)
0 – Serial programming interface SDA (pin 15) and SCL (pin 14)
1 – Control pins S1 (pin 15) and S2 (pin 14)
5:4 RSVD 01b RSVD Reserved
3:2 RSVD 01b
1:0 RSVD 001h RSVD Reserved
03h 7:0 RSVD
04h 7 Reserved 0b RSVD Reserved
6 Reserved 0b
5 Reserved 0b
4 Reserved 0b
3 Reserved 0b
2 Reserved 0b
1 Reserved 0b
05h 7:3 XCSEL 0Ah Crystal load-capacitor selection(7) 00h – 0 pF
01h – 1 pF
02h – 2 pF
  :
14h to 1Fh – 20 pF
2:0 0b Reserved – do not write other than 0.
06h 7:1 BCOUNT 30h 7-bit byte count (defines the number of bytes which will be sent from this device at the next Block Read transfer); all bytes must be read out to correctly finish the read cycle.
0 EEWRITE 0b Initiate EEPROM write cycle(8) 0 – No EEPROM write cycle
1 – Start EEPROM write cycle (internal registers are saved to the EEPROM)
07h-0Fh 0h Reserved – do not write other than 0
(1) Writing data beyond 30h may affect device function.
(2) All data transferred with the MSB first
(3) Unless customer-specific setting
(4) During EEPROM programming, no data is allowed to be sent to the device via the SDA/SCL bus until the programming sequence is completed. Data, however, can be read out during the programming sequence (Byte Read or Block Read).
(5) If this bit is set to high in the EEPROM, the actual data in the EEPROM is permanently locked. No further programming is possible. Data, however can still be written via the SDA/SCL bus to the internal register to change device function on the fly. But new data can no longer be saved to the EEPROM. EELOCK is effective only if written into the EEPROM.
(6) Selection of control pins is effective only if written into the EEPROM. Once written into the EEPROM, the serial programming pins are no longer available. However, if VDDOUT is forced to GND, the two control pins, S1 and S2, temporally act as serial programming pins (SDA/SCL), and the two slave receiver address bits are reset to A0 = 0 and A1 = 0.
(7) The internal load capacitor (C1, C2) must be used to achieve the best clock performance. External capacitors should be used only to finely adjust CL by a few picofarads. The value of CL can be programmed with a resolution of 1 pF for a crystal load range of 0 pF to 20 pF. For CL > 20 pF, use additional external capacitors. Also, the value of the device input capacitance has to be considered which always adds 1.5 pF (6 pF/2 pF) to the selected CL. For more information about VCXO configuration and crystal recommendation, see application report SCAA085.
(8) Note: The EEPROM WRITE bit must be sent last. This ensures that the content of all internal registers are stored in the EEPROM. The EEWRITE cycle is initiated with the rising edge of the EEWRITE bit. A static level-high does not trigger an EEPROM WRITE cycle. The EEWRITE bit must be reset to low after the programming is completed. The programming status can be monitored by reading out EEPIP. If EELOCK is set to high, no EEPROM programming is possible.

Table 9. PLL1 Configuration Register

OFFSET(1) BIT(2) ACRONYM DEFAULT(3) DESCRIPTION
10h 7:0 Reserved 00000000b Reserved
11h 7:0 Reserved 00000000b Reserved
12h 7:0 Reserved 00000000b Reserved
13h 7 FS1_7 0b FS1_x: PLL1 frequency selection(4)
6 FS1_6 0b 0 – fVCO1_0 (predefined by PLL1_0 – multiplier/divider value)
1 – fVCO1_1 (predefined by PLL1_1 – multiplier/divider value)
5 FS1_5 0b
4 FS1_4 0b
3 FS1_3 0b
2 FS1_2 0b
1 FS1_1 0b
0 FS1_0 0b
14h 7 MUX1 1b PLL1 multiplexer: 0 – PLL1
1 – PLL1 bypass (PLL1 is in power down)
6 M2 1b Output Y1 multiplexer: 0 – bypass
1 – Pdiv2
5:4 M3 10b Output Y2 multiplexer: 00 – bypass
01 – Pdiv2-divider
10 – Pdiv3-divider
11 – Reserved
3:2 Y1Y2_ST1 11b Y1, Y2-state0/1definition: 00 – Y1/Y2 disabled to high-impedance state (PLL1 is in power down)
01 – Y1/Y2 disabled to high-impedance state (PLL1 on)
10 – Y1/Y2 disabled to low (PLL1 on)
11 – Y1/Y2 enabled (normal operation, PLL1 on)
1:0 Y1Y2_ST0 01b
15h 7 Y1Y2_7 0b Y1Y2_x output state selection(4)
6 Y1Y2_6 0b 0 – state0 (predefined by Y1Y2_ST0)
1 – state1 (predefined by Y1Y2_ST1)
5 Y1Y2_5 0b
4 Y1Y2_4 0b
3 Y1Y2_3 0b
2 Y1Y2_2 0b
1 Y1Y2_1 1b
0 Y1Y2_0 0b
16h 7 Reserved 0b RSVD Reserved
6:0 Pdiv2 01h 7-bit Y1-output-divider Pdiv2: 0 – Reset and in standby
1 to 127 – Divider value
17h 7 0b Reserved – do not write others than 0
6:0 Pdiv3 01h 7-bit Y2-output-divider Pdiv3: 0 – Reset and in standby
1 to 127 – Divider value
18h 7:0 PLL1_0N [11:4 004h PLL1_0(4): 30-bit multiplier/divider value for frequency fVCO1_0
(for more information, see the PLL Multiplier/Divider Definition paragraph).
19h 7:4 PLL1_0N [3:0]
3:0 PLL1_0R [8:5] 000h
1Ah 7:3 PLL1_0R[4:0]
2:0 PLL1_0Q [5:3] 10h
1Bh 7:5 PLL1_0Q [2:0]
4:2 PLL1_0P [2:0] 010b
1:0 VCO1_0_RANGE 00b fVCO1_0 range selection: 00 – fVCO1_0 < 125 MHz
01 – 125 MHz ≤ fVCO1_0 < 150 MHz
10 – 150 MHz ≤ fVCO1_0 < 175 MHz
11 – fVCO1_0 ≥ 175 MHz
1Ch 7:0 PLL1_1N [11:4] 004h PLL1_1(4): 30-bit multiplier/divider value for frequency fVCO1_1
(for more information see the PLL Multiplier/Divider Definition paragraph)
1Dh 7:4 PLL1_1N [3:0]
3:0 PLL1_1R [8:5] 000h
1Eh 7:3 PLL1_1R[4:0]
2:0 PLL1_1Q [5:3] 10h
1Fh 7:5 PLL1_1Q [2:0]
4:2 PLL1_1P [2:0] 010b
1:0 VCO1_1_RANGE 00b fVCO1_1 range selection: 00 – fVCO1_1 < 125 MHz
01 – 125 MHz ≤ fVCO1_1 < 150 MHz
10 – 150 MHz ≤ fVCO1_1 < 175 MHz
11 – fVCO1_1 ≥ 175 MHz
(1) Writing data beyond 30h may adversely affect device function.
(2) All data is transferred MSB-first.
(3) Unless a custom setting is used
(4) PLL settings limits: 16 ≤ q ≤ 63, 0 ≤ p ≤ 7, 0 ≤ r ≤ 511, 0 < N < 4096

Table 10. PLL2 Configuration Register

OFFSET(1) BIT(2) ACRONYM DEFAULT(3) DESCRIPTION
20h 7:0 Reserved 0000000b Reserved
21h 7:0 Reserved 0000000b Reserved
22h 7:0 Reserved 0000000b Reserved
23h 7 FS2_7 0b FS2_x: PLL2 frequency selection(4)
6 FS2_6 0b 0 – fVCO2_0 (predefined by PLL2_0 – multiplier/divider value)
1 – fVCO2_1 (predefined by PLL2_1 – multiplier/divider value)
5 FS2_5 0b
4 FS2_4 0b
3 FS2_3 0b
2 FS2_2 0b
1 FS2_1 0b
0 FS2_0 0b
24h 7 MUX2 1b PLL2 multiplexer: 0 – PLL2
1 – PLL2 bypass (PLL2 is in power down)
6 M4 1b Output Y3 multiplexer: 0 – Pdiv2
1 – Pdiv4
5:4 M5 10b Output Y4 multiplexer: 00 – Pdiv2-divider
01 – Pdiv4-divider
10 – Pdiv5-divider
11 – Reserved
3:2 Y3Y4_ST1 11b Y3, Y4-State0/1definition: 00 – Y3/Y4 disabled to high-impedance state (PLL2 is in power down)
01 – Y3/Y4 disabled to high-impedance state (PLL2 on)
10–Y3/Y4 disabled to low (PLL2 on)
11 – Y3/Y4 enabled (normal operation, PLL2 on)
1:0 Y3Y4_ST0 01b
25h 7 Y3Y4_7 0b Y3Y4_x output state selection(4)
6 Y3Y4_6 0b 0 – state0 (predefined by Y3Y4_ST0)
1 – state1 (predefined by Y3Y4_ST1)
5 Y3Y4_5 0b
4 Y3Y4_4 0b
3 Y3Y4_3 0b
2 Y3Y4_2 0b
1 Y3Y4_1 1b
0 Y3Y4_0 0b
26h 7 Reserved 0b Reserved 0 – Down
1 – Center
6:0 Pdiv4 01h 7-Bit Y3-output-divider Pdiv4: 0 – Reset and in standby
1 to 127 – Divider value
27h 7 0b Reserved – do not write others than 0
6:0 Pdiv5 01h 7-bit Y4-output-divider Pdiv5: 0 – Reset and in standby
1 to 127 – Divider value
28h 7:0 PLL2_0N [11:4 004h PLL2_0(4): 30-Bit Multiplier/Divider value for frequency fVCO2_0
(for more information see the PLL Multiplier/Divider Definition paragraph)
29h 7:4 PLL2_0N [3:0]
3:0 PLL2_0R [8:5] 000h
2Ah 7:3 PLL2_0R[4:0]
2:0 PLL2_0Q [5:3] 10h
2Bh 7:5 PLL2_0Q [2:0]
4:2 PLL2_0P [2:0] 010b
1:0 VCO2_0_RANGE 00b fVCO2_0 range selection: 00 – fVCO2_0 < 125 MHz
01 – 125 MHz ≤ fVCO2_0 < 150 MHz
10 – 150 MHz ≤ fVCO2_0 < 175 MHz
11 – fVCO2_0 ≥ 175 MHz
2Ch 7:0 PLL2_1N [11:4] 004h PLL2_1(4): 30-bit multiplier/divider value for frequency fVCO2_1
(for more information see the PLL Multiplier/Divider Definition paragraph)
2Dh 7:4 PLL2_1N [3:0]
3:0 PLL2_1R [8:5] 000h
2Eh 7:3 PLL2_1R[4:0]
2:0 PLL2_1Q [5:3] 10h
2Fh 7:5 PLL2_1Q [2:0]
4:2 PLL2_1P [2:0] 010b
1:0 VCO2_1_RANGE 00b fVCO2_1 range selection: 00 – fVCO2_1 < 125 MHz
01 – 125 MHz ≤ fVCO2_1 < 150 MHz
10 – 150 MHz ≤ fVCO2_1 < 175 MHz
11 – fVCO2_1 ≥ 175 MHz
(1) Writing data beyond 30h may adversely affect device function.
(2) All data is transferred MSB-first.
(3) Unless a custom setting is used
(4) PLL settings limits: 16 ≤ q ≤ 63, 0 ≤ p ≤ 7, 0 ≤ r ≤ 511, 0 < N < 4096