ZHCSQ18E November   1997  – February 2022 CD54HC367 , CD54HC368 , CD54HCT367 , CD74HC367 , CD74HC368 , CD74HCT367 , CD74HCT368

PRODUCTION DATA  

  1. 特性
  2. 说明
  3. Revision History
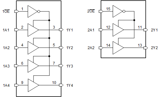
  4. Pin Configuration and Functions
  5. Specifications
    1. 5.1 Absolute Maximum Ratings
    2. 5.2 Recommended Operating Conditions
    3. 5.3 Thermal Information
    4. 5.4 Electrical Characteristics
    5. 5.5 Switching Characteristics
  6. Parameter Measurement Information
  7. Detailed Description
    1. 7.1 Overview
    2. 7.2 Functional Block Diagram
    3. 7.3 Device Functional Modes
  8. Power Supply Recommendations
  9. Layout
    1. 9.1 Layout Guidelines
  10. 10Device and Documentation Support
    1. 10.1 接收文档更新通知
    2. 10.2 支持资源
    3. 10.3 Trademarks
    4. 10.4 Electrostatic Discharge Caution
    5. 10.5 术语表
  11. 11Mechanical, Packaging, and Orderable Information

封装选项

请参考 PDF 数据表获取器件具体的封装图。

机械数据 (封装 | 引脚)
  • N|16
  • D|16
散热焊盘机械数据 (封装 | 引脚)
订购信息

说明

HC367、HCT367、HC368 和 CD74HCT368 硅栅 CMOS 三态缓冲器是通用型高速同相和反相缓冲器。HC367 和 HCT367 是同相缓冲器,而 HC368 和 CD74HCT368 是反相缓冲器。它们具有大驱动电流输出,因而即使在驱动大的总线电容时仍能实现高速运作。这些电路具有很低的 CMOS 电路功耗,然而速度却与低功耗肖特基 TTL 电路不相上下。这两种电路均能够驱动多达 15 个低功耗肖特基输入。

器件信息
器件型号 封装(1) 封装尺寸(标称值)
CD74HC367M SOIC (16) 9.90mm × 3.90mm
CD74HC368M SOIC (16) 9.90mm × 3.90mm
CD74HCT367M SOIC (16) 9.90mm × 3.90mm
CD74HCT368M SOIC (16) 9.90mm × 3.90mm
CD74HC367E PDIP (16) 19.31mm × 6.35mm
CD74HC368E PDIP (16) 19.31mm × 6.35mm
CD74HCT367E PDIP (16) 19.31mm × 6.35mm
CD74HCT368E PDIP (16) 19.31mm × 6.35mm
CD54HC367F3A CDIP (16) 24.38mm × 6.92mm
CD54HC368F3A CDIP (16) 24.38mm × 6.92mm
CD54HCT367F3A CDIP (16) 24.38mm × 6.92mm
如需了解所有可用封装,请参阅数据表末尾的可订购产品附录。
GUID-20220211-SS0I-LXCD-HFMS-QGXTMGBG2VMH-low.gif功能方框图