ZHCSPT1G February   1998  – October 2022 CD54HC73 , CD74HC73 , CD74HCT73

PRODUCTION DATA  

  1. 特性
  2. 说明
  3. Revision History
  4. Pin Configuration and Functions
  5. Specifications
    1. 5.1 Absolute Maximum Ratings (1)
    2. 5.2 Recommended Operating Conditions
    3. 5.3 Thermal Information
    4. 5.4 Electrical Specifications
    5. 5.5 Prerequisite for Switching Specifications
    6. 5.6 Switching Specifications
  6. Parameter Measurement Information
  7. Detailed Description
    1. 7.1 Overview
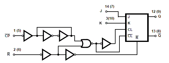
    2. 7.2 Functional Block Diagram
    3. 7.3 Device Functional Modes
  8. Power Supply Recommendations
  9. Layout
    1. 9.1 Layout Guidelines
  10. 10Device and Documentation Support
    1. 10.1 接收文档更新通知
    2. 10.2 支持资源
    3. 10.3 Trademarks
    4. 10.4 Electrostatic Discharge Caution
    5. 10.5 术语表
  11. 11Mechanical, Packaging, and Orderable Information

封装选项

请参考 PDF 数据表获取器件具体的封装图。

机械数据 (封装 | 引脚)
  • D|14
  • N|14
散热焊盘机械数据 (封装 | 引脚)
订购信息

Functional Block Diagram

GUID-CE5F7AD9-4551-4050-986A-16C1F98CCD7D-low.gif