ZHCSJU5C February   2019  – December 2024 CC3135

PRODUCTION DATA  

  1.   1
  2. 特性
  3. 应用
  4. 说明
  5. 功能方框图
  6. Device Comparison
    1. 5.1 Related Products
  7. Pin Configuration and Functions
    1. 6.1 Pin Diagram
    2. 6.2 Pin Attributes
    3. 6.3 Signal Descriptions
      1.      12
    4. 6.4 Connections for Unused Pins
  8. Specifications
    1. 7.1  Absolute Maximum Ratings
    2. 7.2  ESD Ratings
    3. 7.3  Power-On Hours (POH)
    4. 7.4  Recommended Operating Conditions
    5. 7.5  Current Consumption Summary: 2.4 GHz RF Band
    6. 7.6  Current Consumption Summary: 5 GHz RF Band
    7. 7.7  TX Power Control for 2.4 GHz Band
    8. 7.8  TX Power Control for 5 GHz
    9. 7.9  Brownout and Blackout Conditions
      1.      24
    10. 7.10 Electrical Characteristics for DIO Pins
      1.      26
      2.      27
    11. 7.11 Electrical Characteristics for Pin Internal Pullup and Pulldown
    12. 7.12 WLAN Receiver Characteristics
      1.      30
      2.      31
    13. 7.13 WLAN Transmitter Characteristics
      1.      33
      2.      34
    14. 7.14 WLAN Transmitter Out-of-Band Emissions
      1.      36
      2.      37
    15. 7.15 BLE/2.4 GHz Radio Coexistence and WLAN Coexistence Requirements
    16. 7.16 Thermal Resistance Characteristics for RGK Package
    17. 7.17 Timing and Switching Characteristics
      1. 7.17.1 Power Supply Sequencing
      2. 7.17.2 Device Reset
      3. 7.17.3 Reset Timing
        1. 7.17.3.1 nRESET (32-kHz Crystal)
        2.       45
        3. 7.17.3.2 nRESET (External 32-kHz Crystal)
          1.        47
      4. 7.17.4 Wakeup From HIBERNATE Mode
        1.       49
      5. 7.17.5 Clock Specifications
        1. 7.17.5.1 Slow Clock Using Internal Oscillator
          1.        52
        2. 7.17.5.2 Slow Clock Using an External Clock
          1.        54
        3. 7.17.5.3 Fast Clock (Fref) Using an External Crystal
          1.        56
        4. 7.17.5.4 Fast Clock (Fref) Using an External Oscillator
          1.        58
      6. 7.17.6 Interfaces
        1. 7.17.6.1 Host SPI Interface Timing
          1.        61
        2. 7.17.6.2 Flash SPI Interface Timing
          1.        63
        3. 7.17.6.3 DIO Interface Timing
          1. 7.17.6.3.1 DIO Output Transition Time Parameters (Vsupply = 3.3 V)
            1.         66
          2. 7.17.6.3.2 DIO Input Transition Time Parameters
            1.         68
    18. 7.18 External Interfaces
      1. 7.18.1 SPI Flash Interface
      2. 7.18.2 SPI Host Interface
      3. 7.18.3 Host UART Interface
        1. 7.18.3.1 5-Wire UART Topology
        2. 7.18.3.2 4-Wire UART Topology
        3. 7.18.3.3 3-Wire UART Topology
  9. Detailed Description
    1. 8.1 Overview
    2. 8.2 Device Features
      1. 8.2.1 WLAN
      2. 8.2.2 Network Stack
      3. 8.2.3 Security
      4. 8.2.4 Host Interface and Driver
      5. 8.2.5 System
    3. 8.3 FIPS 140-2 Level 1 Certification
    4. 8.4 Power-Management Subsystem
      1. 8.4.1 VBAT Wide-Voltage Connection
    5. 8.5 Low-Power Operating Modes
      1. 8.5.1 Low-Power Deep Sleep
      2. 8.5.2 Hibernate
      3. 8.5.3 Shutdown
    6. 8.6 Memory
      1. 8.6.1 External Memory Requirements
    7. 8.7 Restoring Factory Default Configuration
    8. 8.8 Hostless Mode
  10. Applications, Implementation, and Layout
    1. 9.1 Application Information
      1. 9.1.1 BLE/2.4GHz Radio Coexistence
      2. 9.1.2 Antenna Selection
      3. 9.1.3 Typical Application
    2. 9.2 PCB Layout Guidelines
      1. 9.2.1 General PCB Guidelines
      2. 9.2.2 Power Layout and Routing
        1. 9.2.2.1 Design Considerations
      3. 9.2.3 Clock Interface Guidelines
      4. 9.2.4 Digital Input and Output Guidelines
      5. 9.2.5 RF Interface Guidelines
  11. 10Device and Documentation Support
    1. 10.1  第三方产品免责声明
    2. 10.2  Tools and Software
    3. 10.3  Firmware Updates
    4. 10.4  Device Nomenclature
    5. 10.5  Documentation Support
    6. 10.6  支持资源
    7. 10.7  Trademarks
    8. 10.8  静电放电警告
    9. 10.9  Export Control Notice
    10. 10.10 术语表
  12. 11Revision History
  13. 12Mechanical, Packaging, and Orderable Information
    1. 12.1 Packaging Information
    2. 12.2 Tape and Reel Information

封装选项

机械数据 (封装 | 引脚)
散热焊盘机械数据 (封装 | 引脚)
订购信息

Typical Application

Figure 9-7 shows the schematic of the engine area for the CC3135 device in the wide-voltage mode of operation, with the corresponding bill of materials show in Table 9-1. Figure 9-8 provides the schematic for the RF implementation with and without BLE/2.4GHz coexistence, with the corresponding bill of materials shown in Table 9-2. For a full operation reference design, see the CC3135 SimpleLink™ WI-Fi® BoosterPack™ Design Files.

CC3135 CC3135 Engine AreaFigure 9-7 CC3135 Engine Area
Table 9-1 Bill of Materials for CC3135 Engine Area
QuantityDesignatorValueManufacturerPart NumberDescription
2C1, C2100 µFTaiyo YudenLMK325ABJ107MMHTCAP, CERM, 100 µF, 10 V,
+/- 20%, X5R, AEC-Q200 Grade 3, 1210
3C3, C5, C64.7 µFTaiyo YudenJMK105BC6475MV-FCAP, CERM, 4.7 uF, 6.3 V,
+/- 20%, X6S, 0402
3C4, C15, C250.6 pFMuRataGJM0335C1ER60BB01DCAP, CERM, 0.6pF, 25 V,
+/- 16%, C0G/NP0, 0201
1C70.5 pFMurataGJM0335C1ER50BB01DCAP, CERM, 0.5 pF, 25 V,
+/- 20%, C0G/NP0, 0201
6C8, C9, C10, C12, C21, C220.1 µFWalsinCL05B104KO5NNNCCAP, CERM, 0.1 µF, 16 V,
+/- 10%, X7R, 0402
1C260.01 µFWalsin0402B103K500CTCAP, CERM, 0.01 µF, 50 V,
+/- 10%, X7R, 0402
3C11, C19, C2410 µFTaiyo YudenLMK107BC6106MA-TCAP, CERM, 10 uF, 10 V,
+/- 20%, X6S, 0603
1C130.2 pFMuRataGJM0335C1ER20BB01DCAP, CERM, 0.2pF, 25 V,
+/- 50%, C0G/NP0, 0201
2C14, C230.1 µFSamsung Electro-MechanicsCL03A104KP3NNNCCAP, CERM, 0.1 uF, 10 V,
+/- 10%, X5R, 0201
2C16, C1722 µFMuRataGRM188C80G226ME15JCAP, CERM, 22 uF, 4 V,
+/- 20%, X6S, 0603
1C181 µFWalsinCL05A105MP5NNNCCAP, CERM, 1 µF, 10 V,
+/- 20%, X5R, 0402
2C27, C2810 pFWalsin0402N100J500CTCAP, CERM, 10 pF, 50 V,
+/- 5%, C0G/NP0, 0402
2C29, C306.2 pFWalsin0402N6R2C500CTCAP, CERM, 6.2 pF, 50 V,
+/- 4%, C0G/NP0, 0402
3J1, J2, J3Wurth Elektronik61300311121Header, 2.54 mm, 3x1, Gold, TH
2L1, L32.2 µHMuRataLQM2MPN2R2NG0Inductor, Multilayer, Ferrite, 2.2 uH, 1.2 A, 0.11 ohm, SMD
1L21 µHMuRataLQM2HPN1R0MG0LInductor, Multilayer, Ferrite, 1 uH, 1.6 A, 0.055 ohm, SMD
1R1Vishay-DaleCRCW040210K0JNEDRES, 10 k, 5%, 0.063 W, AEC-Q200 Grade 0, 0402
10R2, R3, R4, R5, R6, R7, R11, R13, R14, R15100kVishay-DaleCRCW0402100KJNEDRES, 100 k, 5%, 0.063 W,
AEC-Q200 Grade 0, 0402
1R8270Vishay-DaleCRCW0402270RJNEDRES, 270, 5%, 0.063 W,
AEC-Q200 Grade 0, 0402
1R12100kYageo AmericaRC0201JR-07100KLRES, 100 k, 5%, 0.05 W, 0201
4R9, R10, R16, R1769.8kVishay-DaleCRCW040269K8FKEDRES, 69.8 k, 1%, 0.063 W,
AEC-Q200 Grade 0, 0402
1U1Macronix International Co., LTDMX25R3235FM1IL0Ultra low power, 32M-bit
[x 1/x 2/x 4] CMOS MXSMIO (serial multi I/O) Flash memory, SOP-8
1U2Texas InstrumentsCC3135RNMRGKRSimpleLink Wi-Fi, Dual-Band Network Processor, RGK0064B
(VQFN-64)
1Y1Abracon CorporationABS07-32.768KHZ-9-TCrystal, 32.768 kHz, 9PF, SMD
1Y2TXC Corporation8Y40072002Crystal, 40 MHz, 8 pF, SMD
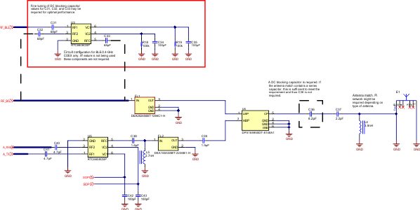
CC3135 CC3135 RF Schematic Implementation with and Without CoexistenceFigure 9-8 CC3135 RF Schematic Implementation with and Without Coexistence
Note:

The following guidelines are recommended for implementation of the RF design:

  • Ensure an RF path is designed with an impedance of 50Ω.
  • Tuning of the antenna impedance π matching network is recommended after manufacturing of the PCB to account for PCB parasitics.
  • π or L matching and tuning may be required between cascaded passive components on the RF path.
Table 9-2 Bill of Materials For CC3135 RF Section
QuantityDesignatorValueManufacturerPart NumberDescription
3C31(1), C32(1), C33(1)68 pFMurataGRM0335C1H680JA1DCAP, CERM, 68 pF, 50 V, +/- 5%, C0G/NP0, 0201
4C34(1), C35(1), C42, C43100 pFYageoCC0201JRNPO8BN101CAP, CERM, 100 pF, 25 V, +/- 5%, C0G/NP0, 0201
1C368.2 pFWalsin0402N8R2C500CTCAP, CERM, 8.2 pF, 50 V, +/- 3%, C0G/NP0, 0402
1C372.2 pFMuRataGJM1555C1H2R2BB01DCAP, CERM, 2.2 pF, 50 V, +/- 4.5%, C0G/NP0, 0402
1C381.6 pFMuRataGRM0335C1H1R6BA01DCAP, CERM, 1.6 pF, 50 V, +/- 7%, C0G/NP0, 0201
1C391.9 pFMuRataGJM1555C1H1R9WB01DCAP, CERM, 1.9 pF, 50 V, +/- 2.6%, C0G/NP0, 0402
2C40, C414.7 pFMuRataGRM0335C1H4R7BA01DCAP, CERM, 4.7 pF, 50 V, +/- 3%, C0G/NP0, 0201
1E1EthertronicsM830520WLAN ANTENNA 802.11, SMD
1FL1TDKDEA202450BT-1294C1-HMultilayer Chip Band Pass Filter For 2.4GHz W-LAN/Bluetooth, SMD
1FL2TDKDEA165538BT-2236B1-HMultilayer Band Pass Filter For 5GHz W-LAN/LTE-U
1L43.9 nHMuRataLQG15HS3N9S02DInductor, Multilayer, Air Core,
3.9 nH, 0.75 A, 0.14 ohm, SMD
1L52.7 nHMuRataLQG15WH2N7C02DInductor, Multilayer, Air Core,
2.7 nH, 0.9 A, 0.07 ohm, AEC-Q200 Grade 1, SMD
2R18(1), R19(1)100kVishay-DaleCRCW0402100KJNEDRES, 100 k, 5%, 0.063 W,
AEC-Q200 Grade 0, 0402
2U3(1), U5RichwaveRTC6608OSP0.03 GHz-6 GHz SPDT Switch
1U4TDKDPX165950DT-8148A1Multilayer Diplexer for 2.4 GHz
W-LAN & Bluetooth / 5 GHz W-LAN
If the BLE/2.4 GHz Coexistence features is not used, these components are not required.