ZHCSE72 September   2015

PRODUCTION DATA.  

  1. 特性
  2. 应用
  3. 说明
  4. 简化电路原理图
  5. 修订历史记录
  6. Pin Configuration and Functions
  7. Specifications
    1. 7.1  Absolute Maximum Ratings
    2. 7.2  ESD Ratings
    3. 7.3  Recommended Operating Conditions
    4. 7.4  Supply Current
    5. 7.5  Power Supply Control
    6. 7.6  Low-Voltage General Purpose I/O, TS1
    7. 7.7  Power-On Reset (POR)
    8. 7.8  Internal 1.8-V LDO
    9. 7.9  Current Wake Comparator
    10. 7.10 Coulomb Counter
    11. 7.11 ADC Digital Filter
    12. 7.12 ADC Multiplexer
    13. 7.13 Cell Balancing Support
    14. 7.14 Internal Temperature Sensor
    15. 7.15 NTC Thermistor Measurement Support
    16. 7.16 High-Frequency Oscillator
    17. 7.17 Low-Frequency Oscillator
    18. 7.18 Voltage Reference 1
    19. 7.19 Voltage Reference 2
    20. 7.20 Instruction Flash
    21. 7.21 Data Flash
    22. 7.22 Current Protection Thresholds
    23. 7.23 Current Protection Timing
    24. 7.24 N-CH FET Drive (CHG, DSG)
    25. 7.25 I2C and HDQ Interface I/O
    26. 7.26 I2C Interface Timing
    27. 7.27 HDQ Interface Timing
    28. 7.28 Typical Characteristics
  8. Detailed Description
    1. 8.1 Overview
    2. 8.2 Functional Block Diagram
    3. 8.3 Feature Description
      1. 8.3.1  Battery Parameter Measurements
        1. 8.3.1.1 bq78z100 Processor
      2. 8.3.2  Coulomb Counter (CC)
      3. 8.3.3  CC Digital Filter
      4. 8.3.4  ADC Multiplexer
      5. 8.3.5  Analog-to-Digital Converter (ADC)
      6. 8.3.6  ADC Digital Filter
      7. 8.3.7  Internal Temperature Sensor
      8. 8.3.8  External Temperature Sensor Support
      9. 8.3.9  Power Supply Control
      10. 8.3.10 Power-On Reset
      11. 8.3.11 Bus Communication Interface
      12. 8.3.12 Cell Balancing Support
      13. 8.3.13 N-Channel Protection FET Drive
      14. 8.3.14 Low Frequency Oscillator
      15. 8.3.15 High Frequency Oscillator
      16. 8.3.16 1.8-V Low Dropout Regulator
      17. 8.3.17 Internal Voltage References
      18. 8.3.18 Overcurrent in Discharge Protection
      19. 8.3.19 Short-Circuit Current in Charge Protection
      20. 8.3.20 Short-Circuit Current in Discharge 1 and 2 Protection
      21. 8.3.21 Primary Protection Features
      22. 8.3.22 Gas Gauging
      23. 8.3.23 Charge Control Features
      24. 8.3.24 Authentication
    4. 8.4 Device Functional Modes
      1. 8.4.1 Lifetime Logging Features
      2. 8.4.2 Configuration
        1. 8.4.2.1 Coulomb Counting
        2. 8.4.2.2 Cell Voltage Measurements
        3. 8.4.2.3 Current Measurements
        4. 8.4.2.4 Auto Calibration
        5. 8.4.2.5 Temperature Measurements
  9. Applications and Implementation
    1. 9.1 Application Information
    2. 9.2 Typical Applications
      1. 9.2.1 Design Requirements (Default)
      2. 9.2.2 Detailed Design Procedure
        1. 9.2.2.1 Setting Design Parameters
      3. 9.2.3 Calibration Process
      4. 9.2.4 Gauging Data Updates
        1. 9.2.4.1 Application Curve
  10. 10Power Supply Requirements
  11. 11Layout
    1. 11.1 Layout Guidelines
    2. 11.2 Layout Example
  12. 12器件和文档支持
    1. 12.1 文档支持
    2. 12.2 社区资源
    3. 12.3 商标
    4. 12.4 静电放电警告
    5. 12.5 Glossary
  13. 13机械、封装和可订购信息

封装选项

机械数据 (封装 | 引脚)
散热焊盘机械数据 (封装 | 引脚)
订购信息

1 特性

  • 高精度库伦计数器,输入偏移误差 < 1µV(典型值)
  • 高侧场效应晶体管 (FET) 驱动器,允许在故障期间进行串行总线通信
  • 具有双路独立模数转换器 (ADC) 的模拟前端
    • 支持电流和电压的同步采样
  • 总线通信接口选项
    • I2C
    • HDQ
  • SHA-1 哈希消息验证码 (HMAC) 响应器,用于提高电池组安全性
    • 存储在安全存储器中的分裂密钥 (Split Key) (2 × 64)
  • 可编程的保护功能:
    • 放电过流
    • 充电短路
    • 放电短路
    • 过电压
    • 欠电压
    • 过热
  • 支持 1mΩ 至 3mΩ 电流感测电阻
  • 紧凑型 12 引脚小外形尺寸无引线 (SON) 封装 (DRZ)

2 应用

  • 便携式和可佩戴式健康器件
  • 便携式无线电
  • 工业数据收集

3 说明

bq78z100 器件提供了一套基于电池组的全集成解决方案,其具有闪存可编程的定制精简指令集 CPU (RISC)、安全保护以及认证功能,适用于 1 节和 2 节锂离子和锂聚合物电池组。

bq78z100 电量监测计通过 I2C 兼容接口或单线制 HDQ 接口进行通信,并将超低功耗的高速德州仪器 (TI) bqBMP 处理器、高精度模拟测量功能、集成闪存、大量的外设和通信端口、N 沟道 FET 驱动器以及 SHA-1 认证转换响应器完美融合于一套完整的高性能电池管理解决方案。

bq78z100 器件提供有大量的电池和系统安全功能,其中包括针对电池的放电过流、充电短路和放电短路功能,针对 N 沟道 FET 的 FET 保护,内部 AFE 看门狗以及电池平衡功能。 该器件可通过固件添加更多保护特性,例如过压、欠压、过热等。

器件信息(1)

部件号 封装 封装尺寸(标称值)
bq78z100 VSON (12) 4.00mm x 2.50mm
  1. 要了解所有可用封装,请见数据表末尾的可订购产品附录。

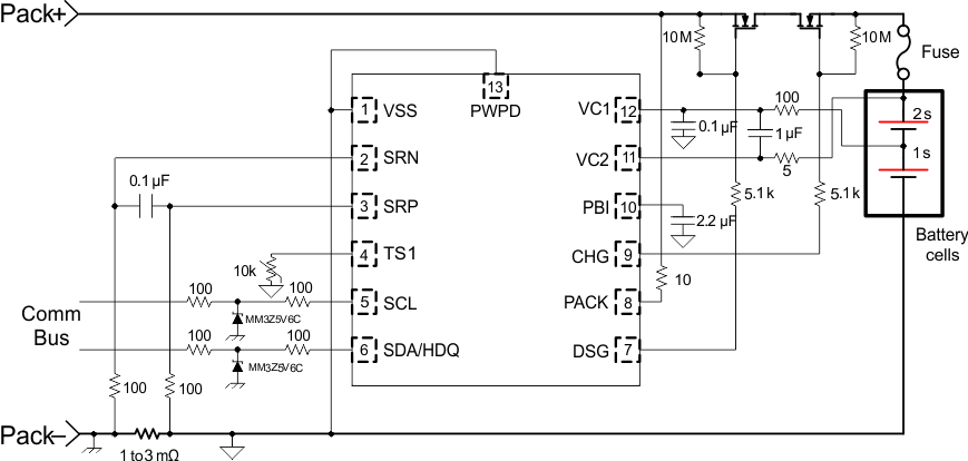
4 简化电路原理图

bq78z100 Simplified_schematic_NO_BTP.gif