ZHCS336C June   2011  – October 2016

PRODUCTION DATA.  

  1. 特性
  2. 应用
  3. 说明
  4. 修订历史记录
  5. Pin Configuration and Functions
  6. Specifications
    1. 6.1 Absolute Maximum Ratings
    2. 6.2 ESD Ratings
    3. 6.3 Recommended Operating Conditions
    4. 6.4 Thermal Information
    5. 6.5 Electrical Characteristics
    6. 6.6 Timing Characteristics - AC SPI Data Interface
    7. 6.7 Vertical Communications Bus
    8. 6.8 Typical Characteristics
  7. Detailed Description
    1. 7.1 Overview
    2. 7.2 Functional Block Diagram
    3. 7.3 Feature Description
      1. 7.3.1 Analog-to-Digital Conversion (ADC)
        1. 7.3.1.1  General Features
        2. 7.3.1.2  3-to-6 Series Cell Configuration
        3. 7.3.1.3  Cell Voltage Measurements
        4. 7.3.1.4  GPAI or VBAT Measurements
          1. 7.3.1.4.1 Converting GPAI Result to Voltage
          2. 7.3.1.4.2 Converting VBAT Result to Voltage
        5. 7.3.1.5  Temperature Measurement
          1. 7.3.1.5.1 External Temperature Sensor Support (TS1+, TS1-, TS2+, and TS2-)
          2. 7.3.1.5.2 Converting TSn Result to Voltage (Ratio)
        6. 7.3.1.6  ADC Band-Gap Voltage Reference
        7. 7.3.1.7  Conversion Control
          1. 7.3.1.7.1 Convert Start
            1. 7.3.1.7.1.1 Hardware Start
            2. 7.3.1.7.1.2 Firmware Start
          2. 7.3.1.7.2 Data Ready
          3. 7.3.1.7.3 ADC Channel Selection
          4. 7.3.1.7.4 Conversion Time Control
          5. 7.3.1.7.5 Automatic Versus Manual Control
        8. 7.3.1.8  Secondary Protection
          1. 7.3.1.8.1 Protector Functionality
            1. 7.3.1.8.1.1 Using the Protector Functions With 3-5 Cells
        9. 7.3.1.9  Cell Overvoltage Fault Detection (COV)
        10. 7.3.1.10 Cell Undervoltage Fault Detection (CUV)
        11. 7.3.1.11 Overtemperature Detection
          1. 7.3.1.11.1 Ratiometric Sensing
          2. 7.3.1.11.2 Thermistor Power
          3. 7.3.1.11.3 Thermistor Input Conditioning
        12. 7.3.1.12 Fault and Alert Behavior
          1. 7.3.1.12.1 Fault Recovery Procedure
        13. 7.3.1.13 Secondary Protector Built-In Self-Test Features
      2. 7.3.2 Cell Balancing
        1. 7.3.2.1 Cell Balance Control Safety Timer
      3. 7.3.3 Other Features and Functions
        1. 7.3.3.1 Internal Voltage Regulators
          1. 7.3.3.1.1 Internal 5-V Analog Supply
          2. 7.3.3.1.2 Internal 5-V Digital Supply
          3. 7.3.3.1.3 Low-Dropout Regulator (REG50)
          4. 7.3.3.1.4 Auxiliary Power Output (AUX)
        2. 7.3.3.2 Undervoltage Lockout and Power-On Reset
          1. 7.3.3.2.1 UVLO
          2. 7.3.3.2.2 Power-On Reset (POR)
          3. 7.3.3.2.3 Reset Command
        3. 7.3.3.3 Thermal Shutdown (TSD)
        4. 7.3.3.4 GPIO
      4. 7.3.4 Communications
        1. 7.3.4.1 SPI Communications - Device to Host
      5. 7.3.5 Device-to-Device Vertical Bus (VBUS) Interface
      6. 7.3.6 Packet Formats
        1. 7.3.6.1 Data Read Packet
        2. 7.3.6.2 Data Write Packet
        3. 7.3.6.3 Broadcast Writes
        4. 7.3.6.4 Communications Packet Structure
        5. 7.3.6.5 CRC Algorithm
        6. 7.3.6.6 Data Packet Usage Examples
      7. 7.3.7 Device Addressing
      8. 7.3.8 Changes and Enhancements for bq76PL536A
    4. 7.4 Device Functional Modes
      1. 7.4.1 SLEEP Functionality
        1. 7.4.1.1 SLEEP State Entry (Bit Set)
        2. 7.4.1.2 Sleep State Exit (Bit Reset)
    5. 7.5 Programming
      1. 7.5.1 Programming the EPROM Configuration Registers
    6. 7.6 Register Maps
      1. 7.6.1  I/O Register Details
      2. 7.6.2  Register Types
        1. 7.6.2.1 Read-Only (Group 1)
        2. 7.6.2.2 Read / Write (Group 2)
        3. 7.6.2.3 Read / Write, Initialized From EPROM (Group3)
        4. 7.6.2.4 Error Checking and Correcting (ECC) EPROM
      3. 7.6.3  Register Details
        1. 7.6.3.1 DEVICE_STATUS Register (0x00)
      4. 7.6.4  GPAI (0x01, 0x02) Register
      5. 7.6.5  VCELLn Register (0x03…0x0e)
      6. 7.6.6  TEMPERATURE1 Register (0x0f, 0x10)
      7. 7.6.7  TEMPERATURE2 Register (0x11, 0x12)
      8. 7.6.8  ALERT_STATUS Register (0x20)
      9. 7.6.9  FAULT_STATUS Register (0x21)
      10. 7.6.10 COV_FAULT Register (0x22)
      11. 7.6.11 CUV_FAULT Register (0x23)
      12. 7.6.12 PARITY_H Register (0x24) (PRESULT_A (R/O))
      13. 7.6.13 PARITY_H Register (0x25) (PRESULT_B (R/O))
      14. 7.6.14 ADC_CONTROL Register (0x30)
      15. 7.6.15 IO_CONTROL Register (0x31)
      16. 7.6.16 CB_CTRL Register (0x32)
      17. 7.6.17 CB_TIME Register (0x33)
      18. 7.6.18 ADC_CONVERT Register (0x34)
      19. 7.6.19 SHDW_CTRL Register (0x3a)
      20. 7.6.20 ADDRESS_CONTROL Register (0x3b)
      21. 7.6.21 RESET Register (0x3c)
      22. 7.6.22 TEST_SELECT Register (0x3d)
      23. 7.6.23 E_EN Register (0x3f)
      24. 7.6.24 FUNCTION_CONFIG Register (0x40)
      25. 7.6.25 IO_CONFIG Register (0x41)
      26. 7.6.26 CONFIG_COV Register (0x42)
      27. 7.6.27 CONFIG_COVT Register (0x43)
      28. 7.6.28 CONFIG_UV Register (0x44)
      29. 7.6.29 CONFIG_CUVT Register (0x45)
      30. 7.6.30 CONFIG_OT Register (0x46)
      31. 7.6.31 CONFIG_OTT Register (0x47)
      32. 7.6.32 USERx Register (0x48-0x4b) (USER1-4)
  8. Application and Implementation
    1. 8.1 Application Information
      1. 8.1.1 Anti-Aliasing Filter
      2. 8.1.2 Host SPI Interface Pin States
    2. 8.2 Typical Application
      1. 8.2.1 Design Requirements
      2. 8.2.2 Detailed Design Procedure
      3. 8.2.3 Application Curves
    3. 8.3 Other Schematics
  9. Power Supply Recommendations
    1. 9.1 Power Supply Decoupling
  10. 10Layout
    1. 10.1 Layout Guidelines
    2. 10.2 Layout Example
  11. 11器件和文档支持
    1. 11.1 接收文档更新通知
    2. 11.2 社区资源
    3. 11.3 商标
    4. 11.4 静电放电警告
    5. 11.5 Glossary
  12. 12机械、封装和可订购信息

封装选项

机械数据 (封装 | 引脚)
散热焊盘机械数据 (封装 | 引脚)
订购信息

Application and Implementation

NOTE

Information in the following applications sections is not part of the TI component specification, and TI does not warrant its accuracy or completeness. TI’s customers are responsible for determining suitability of components for their purposes. Customers should validate and test their design implementation to confirm system functionality.

Application Information

The bq76PL536A is a series-cell Lithium-Ion battery monitor and secondary protector for Uninterruptible Power Systems (UPS), E-Bikes and Scooters, Large-Format Battery Systems, and so forth. To allow for optimal performance in the end application, special consideration must be taken to ensure minimization of measurement error through proper printed circuit board (PCB) layout.

Anti-Aliasing Filter

An anti-aliasing filter is required for each VCn input VC6–VC1, consisting of a 1-kΩ, 1% series resistor and 100-nF capacitor. Good-quality components should be used. A 1% resistor is recommended, because the resistor creates a small error by forming a voltage divider with the input impedance of the part. The part is factory-trimmed to compensate for the error introduced by the filter.

Host SPI Interface Pin States

The CS_H pin is active-low. The host asserts the pin to a logic zero to initiate communications. The CS pin should remain low until the end of the current packet. When the CS_H pin is asserted, the SPI receiver and interface of the device are reset and resynchronized. This action ensures that a slave device that has lost synchronization during a previous transmission or as the result of noise on the bus does not remain permanently hung. CS_H must be driven false (high) between packets; see Timing Characteristics – AC SPI Data Interface for timing details.

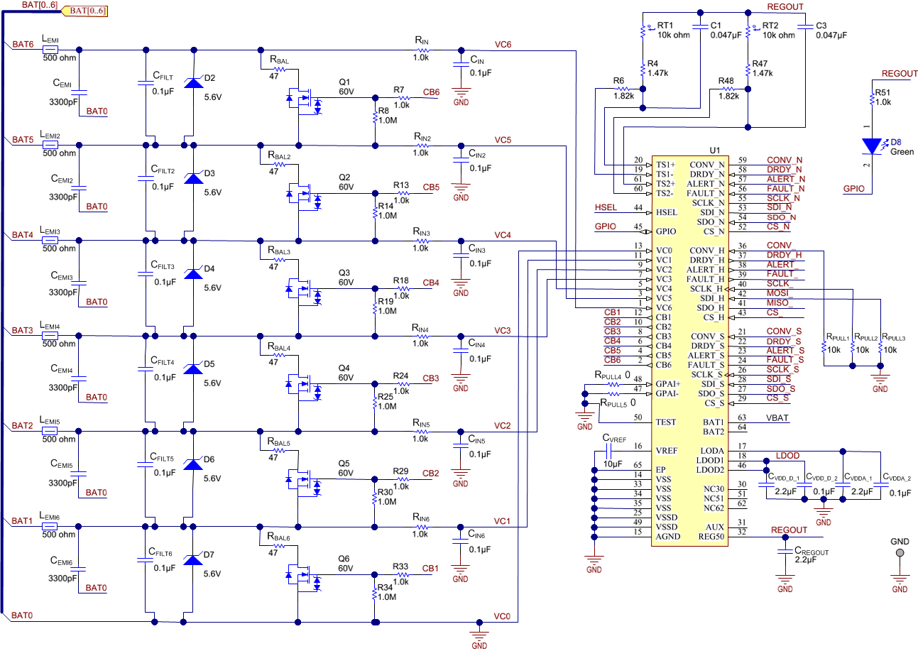
Typical Application

Figure 57 shows the recommended reference design components.

bq76PL536A LUSAD3_app_schem.gif Figure 57. Application Schematic

Design Requirements

For this design example, use the parameters listed in Table 26.

Table 26. Design Parameters

PARAMETER DESCRIPTION EXAMPLE VALUE UNIT
CEMI EMI Capacitor 3300 pF
CFILT Filter Capacitor 0.1 µF
CIN Input Capacitor 0.1 µF
CREGOUT REGOUT Capacitor 2.2 (minimum) µF
CVDDA_1 Internal analog 5-V LDO bypass connection 1 2.2 µF
CVDDA_2 Internal analog 5-V LDO bypass connection 2 0.2 µF
CVDD_D_1 Capacitor for internal digital 5-V LDO bypass connection 1 2.2 µF
CVDD_D_2 Capacitor for internal digital 5-V LDO bypass connection 2 0.2 µF
CVREF VREF Capacitor 10 µF
LEMI EMI Ferrite Resistor 500 Ω
RBAL Balance Resistor 47 Ω
RIN Input Resistor 1
RPULL1-RPULL3 Pullup Resistors for digital open-drain I/O 10
RPULL4-RPULL5 Pullup Resistors for general-purpose (differential) analog input (GPAI), connect to VSS if unused

Detailed Design Procedure

Use the following for the procedure for the recommended front-end circuit:

  1. Select the RC filter closest to the cell for filter requirements. Additional poles can be added with a differential capacitor to get very low fc.
  2. ADC is calibrated to use RIN = 1 kΩ and CIN = 0.1 µF.
  3. Select Zener diode for lowest possible reverse leakage.
  4. A balance FET gate-protection diode is required (available internally).
  5. Select the capacitors for LDO Filters according to Table 26.
    • LDO1 and LDO2 require a 2.2-µF ceramic capacitor for stability. These pins are tied together internally. Tie LDO1 to LDOD2 externally.
  6. For pullup supply, the following information applies:
    1. REG50 turns off in SLEEP mode
    2. Use LDOD for pullups in normal use
    3. Use REG50 for programming EEPROM (LDOD will see 7 V)
    4. Connect GPAI+ and GPA– to VSS if unused
  7. Select low impedance and polarized connectors. Numbered or colored connectors are also good options.
  8. Select the input Zener TVS so that it clamps below 5.6 Vdc, with low-leakage current, and must be able to handle transient surge energy
  9. Select capacitors based on temperature and environment with voltages well above the operating voltage
  10. Select balancing MOSFETs according to the following:
    1. Low turn on threshold voltage (must turn on with the lowest cell voltage)
    2. Drain-to-source voltage and gate-to-source voltage
    3. Power dissipation
    4. Current based on selected bleed resistor value
  11. Select the Bleed Resistor according to the following:
    1. Value based on desired current
    2. Wattage to handle the current and temperature rise such as 4.2 V × 47 = 0.089 A ∴ 0.37 W)

Application Curves

bq76PL536A firmwareconvadc_on.gif
Figure 58. Firmware Conversion with ADC_ON = 0
bq76PL536A hardwareconvadcon0.gif
Figure 60. Hardware Conversion with ADC_ON = 0
bq76PL536A zoominhwconv.gif
Figure 62. ZOOM IN Hardware Conversion
bq76PL536A firmwareconvadc_on1.gif
Figure 59. Firmware Conversion with ADC_ON = 1
bq76PL536A hardwareconvadcon1.gif
Figure 61. Hardware Conversion with ADC_ON = 1

Other Schematics

The device generic part number, bq76PL536, is shown in these schematics.

Full-size reference schematics are available from TI on request.

bq76PL536A S001_LUSAB1.gif Figure 63. Schematic (Page 1 of 4)
bq76PL536A S002_LUSAB1.gif Figure 64. Schematic (Page 2 of 4)
bq76PL536A S003_LUSAB1.gif Figure 65. Schematic (Page 3 of 4)
bq76PL536A S004_LUSAB1.gif Figure 66. Schematic (Page 4 of 4)
bq76PL536A sys_conn_LUSAD3.gif Figure 67. Simplified System Connection