ZHCSF53A April   2016  – June 2016

PRODUCTION DATA.  

  1. 特性
  2. 应用
  3. 说明
  4. 修订历史记录
  5. Device Comparison
  6. Pin Configuration and Functions
  7. Specifications
    1. 7.1 Absolute Maximum Ratings
    2. 7.2 ESD Ratings
    3. 7.3 Recommended Operating Conditions
    4. 7.4 Thermal Information
    5. 7.5 Electrical Characteristics
    6. 7.6 Typical Characteristics
  8. Detailed Description
    1. 8.1 Overview
    2. 8.2 Functional Block Diagram
    3. 8.3 Feature Description
      1. 8.3.1  MP-A5 Coil Specification
      2. 8.3.2  High Voltage Dedicated Charging Port (HVDCP) Negotiation
      3. 8.3.3  Fast Charge Support
      4. 8.3.4  Option Select Pins
      5. 8.3.5  FOD and Parasitic Metal Object Detect (PMOD) Calibration
      6. 8.3.6  FOD Ping Calibration
      7. 8.3.7  Shut Down Through External Thermal Sensor or Trigger
      8. 8.3.8  Fault Handling and Indication
      9. 8.3.9  Power Transfer Start Signal
      10. 8.3.10 Power-On Reset
      11. 8.3.11 External Reset, RESET Pin
      12. 8.3.12 Trickle Charge and CS100
    4. 8.4 Device Functional Modes
      1. 8.4.1 LED Modes
      2. 8.4.2 Power Transfer
      3. 8.4.3 Communication
      4. 8.4.4 Power Trains
      5. 8.4.5 Power Train Voltage Control
      6. 8.4.6 Signal Processing Components
  9. Application and Implementation
    1. 9.1 Application Information
    2. 9.2 Typical Application
      1. 9.2.1 Design Requirements
      2. 9.2.2 Detailed Design Procedure
        1. 9.2.2.1 Capacitor Selection
        2. 9.2.2.2 Current Monitoring Requirements
        3. 9.2.2.3 All Unused Pins
        4. 9.2.2.4 Input Regulators
        5. 9.2.2.5 Input Power Requirements
        6. 9.2.2.6 LED Mode
      3. 9.2.3 Application Curves
  10. 10Power Supply Recommendations
  11. 11Layout
    1. 11.1 Layout Guidelines
    2. 11.2 Layout Example
  12. 12器件和文档支持
    1. 12.1 器件支持
    2. 12.2 接收文档更新通知
    3. 12.3 社区资源
    4. 12.4 商标
    5. 12.5 静电放电警告
    6. 12.6 Glossary
  13. 13机械、封装和可订购信息

封装选项

机械数据 (封装 | 引脚)
散热焊盘机械数据 (封装 | 引脚)
订购信息

8 Detailed Description

8.1 Overview

The principle of wireless power transfer is simply an open-cored transformer consisting of transmitter and receiver coils. The transmitter coil and electronics are typically built into a charger pad and the receiver coil and electronics are typically built into a portable device, such as a cell phone. When the receiver coil is positioned on the transmitter coil, magnetic coupling occurs when the transmitter coil is driven. The flux is coupled into the secondary coil, which induces a voltage and current flows. The secondary voltage is rectified, and power can be transferred effectively to a load, wirelessly. Power transfer can be managed through any of the various closed-loop control schemes.

After power is applied and the device comes out of reset, it can automatically begin the process of detecting and powering a receiver. The bq501210 sends a ping to detect the presence of a receiver on the pad. After a receiver is detected, the bq501210 attempts to establish communication and begin power transfer. If the transmitter detects a v1.2 medium power WPC compliant receiver, it negotiates a maximum power with the receiver and provides the requested power (up to 15 W). If the transmitter detects the bq51025 receiver through its proprietary authentication protocol, the transmitter allows 10-W operation. If a standard 5-W WPC compliant receiver is detected, the transmitter allows 5-W of delivered power as per WPC specification. The bq501210 controls a full-bridge power stage to drive the primary coil. It regulates the power being delivered to the receiver by modulating the supply voltage of the power stage while operating at a constant frequency. The full bridge power stage allows for higher power delivery for a given supply voltage.

8.2 Functional Block Diagram

bq501210 bq501210-BD.gif

8.3 Feature Description

8.3.1 MP-A5 Coil Specification

The bq501210 controller supports MP-A5 TX coil type. The coil and matching capacitor specification for MP-A5 transmitter has been established by the WPC Standard. This is fixed and cannot be changed on the transmitter side.

For a current list of coil vendors, see bqTESLA Transmitter Coil Vendors, SLUA649.

8.3.2 High Voltage Dedicated Charging Port (HVDCP) Negotiation

If the system input voltage is detected to be < 6 V at startup, the bq501210 attempts to negotiate for higher input voltage.

8.3.3 Fast Charge Support

The bq501210 attempts to negotiate with receiver devices supporting Fast Charge operation to provide additional power for rapid charging.

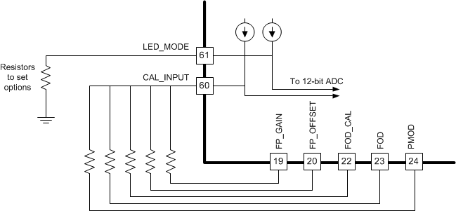
8.3.4 Option Select Pins

There are two option select pins (pin 60, CAL_INPUT, and pin 61, LED_MODE) on the bq501210 and five selector outputs (pins 19, 20, 22, 23, and 24) used to read multiple voltage thresholds. All the pin voltages will be read by bq501210 at power-up.

  • Pin 60 (CAL_INPUT) is used to program the FOD algorithms.
  • Pin 61 (LED_MODE) is used to select the LED mode of the device.
  • Pins 19, 20, 22, 23, and 24 are used to sequentially bias the five programming resistors shown in Figure 5.

At power-up, a bias current is applied to pins LED_MODE and CAL_INPUT, and the resulting voltage is measured to identify the value of the attached programming resistor. For LED_MODE, the selected bin determines the LED behavior based on Table 3. For the CAL_INPUT, the FP_GAIN, FP_OFFSET, FOD_CAL, FOD and PMOD pins are biased sequentially to measure each pins resistance. The selected bin sets various calibration parameters based on Table 1. See FOD and Parasitic Metal Object Detect (PMOD) Calibration for more information.

bq501210 led_mod_sluscf5.gif Figure 5. Pin Connections for CAL_INPUT and LED_MODE

8.3.5 FOD and Parasitic Metal Object Detect (PMOD) Calibration

The bq501210 supports multiple levels of protection against heating metal objects placed in the magnetic field. An initial analysis of the impulse response to a short ping (FOD ping) detects most metal objects before any power transfer is initiated. If a foreign metallic object is detected by the FOD ping, an FOD warning is issued (see Table 3) for up to 6 seconds after the object is removed. If a potential foreign object is detected, the bq501210 transmitter will postpone the FOD determination until the receiver sends the WPC standard "FOD Status Packet" during WPC v1.2 negotiations. After power transfer has started, improved FOD (WPC v1.2) and enhanced PMOD (WPC v1.0) features continuously monitor input power, known losses, and the value of power reported by the RX device being charged. Using these inputs, the bq501210 can estimate how much power is unaccounted for and presumed lost due to metal objects placed in the wireless power transfer path. If this unexpected loss exceeds the threshold set by the FOD or PMOD resistors, a fault is indicated and power transfer is halted. The ID packet of the receiver being charged determines whether the FOD or PMOD algorithm is used. The ultimate goal of the FOD feature is safety, to protect misplaced metal objects from becoming hot. Reducing the loss threshold and making the system too sensitive leads to false trips and a bad user experience. Find the balance which best suits the application. If the application requires disabling one function or the other (or both), it is possible by leaving the respective FOD/PMOD terminal open. For example, to selectively disable the PMOD function, PMOD should be left open. A final level of protection is provided with an optional temperature sensor to detect any large increase in temperature in the system (see Shut Down Through External Thermal Sensor or Trigger).

NOTE

Disabling FOD results in a TX solution that is not WPC v1.1 or WPC v1.2 compliant.

Resistors of 1% tolerance should be used for a reliable selection of the desired threshold. Resistors on the FOD and PMOD pins program the permitted power loss for the FOD and PMOD algorithms respectively. The FOD_CAL resistor can be used to compensate for any load-dependent effect on the power loss. Using a calibrated FOD reference receiver with no foreign objects present, the FOD_CAL resistor should be selected such that the calculated loss across the load range is substantially constant (within approximately 100 mW). After correcting for the load dependence, the FOD and PMOD thresholds should be re-set above the resulting average by approximately 400 mW for the transmitter to satisfy the WPC requirements on tolerated heating.

Contact TI for the TX tuning tool to set appropriate FOD, PMOD, and FOD_CAL resistor values for your design.

Table 1. Option Select Bins

Bin Number Resistance (kΩ) Loss Threshold (mW)
0 <36.5 250
1 42.2 300
2 48.7 350
3 56.2 400
4 64.9 450
5 75.0 500
6 86.6 550
7 100 600
8 115 650
9 133 700
10 154 750
11 178 800
12 205 850
13 >237 Feature disabled

8.3.6 FOD Ping Calibration

The bq501210 is able to detect most metal objects in the charging pad by analyzing the impulse response to a short ping (FOD ping) sent before any power transfer is initiated. The bq501210 does this analysis by measuring the change in resonant frequency and decay of the pulse response and comparing it to given threshold values that are set by resistor in FP_GAIN and FP_OFFSET pins.

Resistors of 1% tolerance should be used for a reliable selection of the desired threshold. The FP_GAIN and FP_OFFSET resistors program the boundary conditions to determine if a receiver or a metal object is detected. The recommended resistor value for both FP_GAIN and FP_OFFSET pins is 86.6 kΩ.

Contact TI for inquiries regarding FOD ping calibration.

NOTE

Removing resistors from FP_OFFSET and FP_GAIN pins disables FOD ping and hence foreign object detection prior to power transfer. The Received Power calibration relies on this detection, and thus, the FOD ping is required for WPC v1.2 Medium Power transmitter designs.

8.3.7 Shut Down Through External Thermal Sensor or Trigger

Typical applications of the bq501210 do not require additional thermal protection. This shutdown feature is provided for enhanced applications and is not limited to thermal shutdown. The key parameter is the 1-V threshold on the T_SENSE pin. A voltage below 1 V on T_SENSE causes the device to shut down.

The application of thermal monitoring through a negative temperature coefficient (NTC) sensor, for example, is straightforward. The NTC forms the lower leg of a temperature-dependant voltage divider. The NTC leads are connected to the bq501210 device between T_SENSE and GND. The threshold onT_SENSE is set to 1 V, below which the system shuts down and a fault is indicated (depending on LED mode chosen).

To implement this feature follow these steps:

  1. Consult the NTC data sheet and find the resistance versus temperature curve.
  2. Determine the actual temperature where the NTC will be placed by using a thermal probe.
  3. Read the NTC resistance at that temperature in the NTC data sheet, that is R_NTC.
  4. Use the following formula to determine the upper leg resistor (R_Setpoint):
Equation 1. bq501210 qu1_lusao2.gif

The system restores normal operation after approximately five minutes or if the receiver is removed. If the feature is not used, this pin must be pulled hgh (typically to V33A).

NOTE

T_SENSE must always be terminated; otherwise, erratic behavior may occur.

bq501210 NTC_sluscf5.gif Figure 6. NTC Application

8.3.8 Fault Handling and Indication

Table 2 shows end power transfer (EPT) packet responses, fault conditions, and the duration of how long the condition lasts until a retry in attempted. The LED mode selected determines how the LED indicates the condition or fault.

Table 2. Fault Handling and Indication

CONDITION TYPICAL DURATION (2)
(BEFORE RETRY)
HANDLING
EPT-00 Immediate(1) Unknown
EPT-01 up tp 5 seconds(3) Charge complete
EPT-02 Infinite Internal fault
EPT-03 5 minutes Over temperature
EPT-04 Immediate(1) Over voltage
EPT-05 Immediate(1) Over current
EPT-06 Infinite Battery failure
EPT-07 Not applicable Reserved
EPT-08 Immediate(1) No response
EPT-09 Not applicable Reserved
EPT-0A Immediate Negotiation Failure
EPT-0B Immediate Restart Power Transfer
OVP (over voltage) Immediate(1)
OC (over current) 1 minute
NTC (external sensor) 5 minutes
PMOD/FOD warning 6 seconds 0 to 4 seconds LED only,
4 to 6 seconds LED + AC and DC buzzers
PMOD/FOD 5 minutes
(1) Immediate is <1 s.
(2) After a FAULT, the magnetic field is recharacterized to improve the ability to detect the removal of the at-fault receiver. If the receiver is removed in the first second immediately following the detection of this fault (before the re-characterization is complete), the field corresponding to an empty pad may be associated with the faulty receiver and the LED indication may continue to indicate a fault state even though no receiver is present. This indication persists until either the HOLDOFF time expires or a new receiver disturbs the field, at which time normal operation, with proper LED indication, is resumed.
(3) The TX may retry immediately (<1 s) to start power after first EPT-01 is received. If the receiver is continuously sending EPT-01, the TX holdoff time will be 5 seconds

8.3.9 Power Transfer Start Signal

The bq501210 features two signal outputs to indicate that power transfer has begun. BUZZ_AC outputs a 400-ms duration, 4-kHz square wave for driving low cost AC type ceramic buzzers. BUZZ_DC outputs logic high, also for 400-ms, which is suitable for DC type buzzers with built-in tone generators, or as a trigger for any type of customized indication scheme. Do not exceed 4-mA loading from either of these pins which is more than adequate for small signaling and actuation. If not used, these pins should be left open.

8.3.10 Power-On Reset

The bq501210 has an integrated power-on reset (POR) circuit which monitors the supply voltage and handles the correct device startup sequence. Additional supply voltage supervisor or reset circuits are not needed.

8.3.11 External Reset, RESET Pin

The bq501210 can be forced into a reset state by an external circuit connected to the RESET pin. A logic low voltage on this pin holds the device in reset. For normal operation, this pin is pulled up to 3.3-V supply (V33A) with a 10-kΩ pullup resistor.

8.3.12 Trickle Charge and CS100

The WPC specification provides an EPT message (EPT–01) to indicate charge complete. Upon receipt of the charge complete message, the bq501210 disables the output and changes the LED indication. The exact indication depends on the LED_MODE chosen.

In some battery charging applications, there is a benefit to continue the charging process in trickle-charge mode to top off the battery. The WPC specification provides for an informational 'Charge Status' packet that conveys the level of battery charger. The bq501210 uses this command to enable top-off charging. The bq501210 changes the LED indication to reflect charge complete when a Charge Status message is 100% received, but unlike the response to an EPT, it will not halt power transfer while the LED indicates charge complete. The mobile device can use a CS100 packet to enable trickle charge mode.

If the reported charge status drops below 90%, normal charging indication is resumed.

8.4 Device Functional Modes

8.4.1 LED Modes

The bq501210 can directly drive three LED outputs (LED-A, LED-B, and LED-C, refer to the table in Pin Configuration and Functions) through a simple current limit resistor (typically 475 Ω), based on the mode selected. The three current limit resistors can be individually adjusted to tune or match the brightness of the LEDs. Do not exceed the maximum output current rating of the device.

The selection resistor, connected between pin 61 and GND, selects one of the desired LED indication schemes presented in Table 3. Note that some options require fewer LEDs to implement than others.

Table 3. LED Modes

LED CONTROL OPTION LED SELECTION RESISTOR LED OPERATIONAL STATES
STANDBY POWER TRANSFER CHARGE COMPLETE FAULT FOD Warning High Power Transfer(4)
0 <36.5 kΩ LED_A LED CONTROL OPTION 0 disables SNOOZE - Used in system debug only.
LED_B
LED_C
1 42.2 kΩ LED_A Off Blink slow(1) On Off Off Blink fast(2)
LED_B Off Off Off On Blink fast(2) Off(2)
LED_C
2 48.7 kΩ LED_A On Blink slow(1) On Off Off Blink fast(2)
LED_B On Off Off On Blink fast(2) Off(2)
LED_C
3(3) 56.2 kΩ LED_A Off On Off Blink fast(2) On On
LED_B
LED_C
4 64.9 kΩ LED_A Off On Off Off Off On
LED_B Off Off Off On Blink fast(2) Off
LED_C
5 75 kΩ LED_A Off Off On Off Off Off
LED_B Off On Off Off On On
LED_C Off Off Off Blink slow(1) Off Off
6 86.6 kΩ LED_A Off Blink slow(1) On Off Off Blink fast(2)
LED_B Off Off Off On Blink fast(2) Off
LED_C Off Off Off Off Off Off
7 100 kΩ LED_A Off Blink slow(1) Off Off Off Blink fast(2)
LED_B Off Off On Off Off Off
LED_C Off Off Off On Blink fast(2) Off
8 115 kΩ LED_A Off Off On Blink slow(1) Off Off
LED_B Off On Off Blink slow(1) On On
LED_C
9 133 kΩ LED_A Off Blink slow(1) On Off Off Blink fast(2)
LED_B Off OFF Off On Blink fast(2) Off
LED_C
10 154 kΩ LED_A Off On Off Blink fast(2) On On
LED_B Off Off On Off Off Off
LED_C
(1) Blink slow = 0.625 Hz
(2) Blink fast = 2.5 Hz
(3) The indication of the shutdown after an negative temperature coefficient (NTC) event may experience a delay in the rapid LED blinking even though the power transfer has been disabled. The indication delay may persist up to as long as the entire NTC FAULT holdoff time.
(4) Power transfer when operating with bq51025 wireless power receiver in 10-W mode.

8.4.2 Power Transfer

Power transfer depends on coil coupling. Coupling depends on the distance between coils, alignment, coil dimensions, coil materials, number of turns, magnetic shielding, impedance matching, frequency, and duty cycle.

Most importantly, the receiver and transmitter coils must be aligned for best coupling and efficient power transfer. The smaller the space between the coils, the better the coupling.

Shielding is added as a backing to both the transmitter and receiver coils to direct the magnetic field to the coupled zone. Magnetic fields outside the coupled zone do not transfer power. Thus, shielding also serves to contain the fields to avoid coupling to other adjacent system components.

Regulation can be achieved by controlling any one of the coil coupling parameters. However, for WPC v1.2 compatibility, the transmitter-side coils and capacitance are specified and the resonant frequency point is fixed. Power transfer is regulated by changing the supply voltage to the full-bridge power stage; higher voltage delivers more power. Duty cycle remains constant at 50% throughout the power band and frequency also remains constant at 130 kHz.

The WPC standard describes the dimensions, materials of the coils, and information regarding the tuning of the coils to resonance. The value of the inductor and resonant capacitor are critical to proper operation and system efficiency.

8.4.3 Communication

Most communication within the WPC is from the receiver to the transmitter, where the receiver tells the transmitter to send power and how much. To regulate, the receiver must communicate with the transmitter whether to increase or decrease the power level. The receiver monitors the rectifier output and using amplitude modulation (AM), sends packets of information to the transmitter. A packet is comprised of a preamble, a header, the actual message, and a checksum, as defined by the WPC standard.

The receiver sends a packet by modulating an impedance network. This AM signal reflects back as a change in the voltage amplitude on the transmitter coil. The signal is demodulated and decoded by the transmitter-side electronics and the voltage on the inverter is adjusted to close the regulation loop. The bq501210 features internal digital demodulation circuitry.

The modulated impedance network on the receiver can either be resistive or capacitive. Figure 7 shows the resistive modulation approach, where a resistor is periodically added to the load, and the resulting amplitude change in the transmitter voltage. Figure 8 shows the capacitive modulation approach, where a capacitor is periodically added to the load and the resulting amplitude change in the transmitter voltage.

In the WPC v1.2 specification, transmitter to receiver communication is introduced to allow a medium power receiver to negotiate for higher power while maintaining backward compatibility with low power (v1.1) devices.

bq501210 res_mod_cir_lusal8.gif Figure 7. Receiver Resistive Modulation Circuit
bq501210 cap_mod_cir_lusal8.gif Figure 8. Receiver Capacitive Modulation Circuit

The bq501210 also supports a proprietary handshake with the bq51025 in which minimal communication from the TX to the RX is used. This proprietary handshake enables the bq501210 to deliver power to the bq51025 receiver at levels higher than 5 W. The transmitter-to-receiver communication is achieved through frequency modulation of the power signal.

8.4.4 Power Trains

The bq501210 drives a full-bridge power stage, which drives the coil assembly. TI recommends the bq500101 (SLPS585) as the driver-plus-MOSFET device for this application. The supply voltage (Vrail) is controlled by the bq501210 device.

8.4.5 Power Train Voltage Control

The bq501210 controls power delivery by modulating the supply voltage (Vrail) of the power stage driving the coil assembly. The bq501210 device generates a PWM control signal in the PWM_RAIL terminal that controls an external power stage circuit (TI recommends bq500101). The switching frequency for this DC-DC controller signal is 520 kHz.

8.4.6 Signal Processing Components

The COMM signal used to control power transfer is derived from the coil voltage. The AC coupled coil voltage is scaled down to a manageable level and biased to a 1-V offset. Series connected diodes are provided for protection from any possible transients.