ZHCSCY4B November   2013  – October 2014

PRODUCTION DATA.  

  1. 特性
  2. 应用
  3. 说明
  4. 简化电路原理图
  5. 修订历史记录
  6. Device Comparison Table
  7. Pin Configuration and Functions
  8. Specifications
    1. 8.1  Absolute Maximum Ratings
    2. 8.2  Handling Ratings
    3. 8.3  Recommended Operating Conditions
    4. 8.4  Thermal Information
    5. 8.5  Supply Current
    6. 8.6  Digital Input and Output DC Characteristics
    7. 8.7  LDO Regulator, Wake-up, and Auto-Shutdown DC Characteristics
    8. 8.8  LDO Regulator, Wake-up, and Auto-shutdown AC Characteristics
    9. 8.9  ADC (Temperature and Cell Measurement) Characteristics
    10. 8.10 Integrating ADC (Coulomb Counter) Characteristics
    11. 8.11 I2C-Compatible Interface Communication Timing Characteristics
    12. 8.12 SHUTDOWN and WAKE-UP Timing
    13. 8.13 Typical Characteristics
  9. Detailed Description
    1. 9.1 Overview
    2. 9.2 Functional Block Diagram
    3. 9.3 Feature Description
    4. 9.4 Device Functional Modes
    5. 9.5 Programming
      1. 9.5.1 Standard Data Commands
      2. 9.5.2 ControlSRP - SRN): 0x00 and 0x01
      3. 9.5.3 Extended Data Commands
      4. 9.5.4 Communications
        1. 9.5.4.1 I2C Interface
        2. 9.5.4.2 I2C Time Out
        3. 9.5.4.3 I2C Command Waiting Time
        4. 9.5.4.4 I2C Clock Stretching
  10. 10Application and Implementation
    1. 10.1 Application Information
    2. 10.2 Typical Applications
      1. 10.2.1 Design Requirements
      2. 10.2.2 Detailed Design Procedure
        1. 10.2.2.1 BAT Voltage Sense Input
        2. 10.2.2.2 Integrated LDO Capacitor
        3. 10.2.2.3 Sense Resistor Selection
      3. 10.2.3 Application Curves
  11. 11Power Supply Recommendation
    1. 11.1 Power Supply Decoupling
  12. 12Layout
    1. 12.1 Layout Guidelines
    2. 12.2 Layout Example
  13. 13器件和文档支持
    1. 13.1 文档支持
      1. 13.1.1 相关文档 
    2. 13.2 商标
    3. 13.3 静电放电警告
    4. 13.4 术语表
  14. 14机械封装和可订购信息

封装选项

机械数据 (封装 | 引脚)
散热焊盘机械数据 (封装 | 引脚)
订购信息

8 Specifications

8.1 Absolute Maximum Ratings

over operating free-air temperature range (unless otherwise noted)(1)
MIN MAX UNIT
VBAT BAT pin input voltage range –0.3 6 V
VSR SRP and SRN pins input voltage range –0.3 VBAT + 0.3 V
Differential voltage across SRP and SRN. ABS(SRP – SRN) 2 V
VDD VDD pin supply voltage range (LDO output) –0.3 2 V
VIOD Open-drain IO pins (SDA, SCL) –0.3 6 V
VIOPP Push-pull IO pins (BIN) –0.3 VDD + 0.3 V
TA Operating free-air temperature range –40 85 °C
(1) Stresses beyond those listed under "absolute maximum ratings" may cause permanent damage to the device. These are stress ratings only, and functional operation of the device at these or any other conditions beyond those indicated under "recommended operating conditions" is not implied. Exposure to absolute-maximum-rated conditions for extended periods may affect device reliability.

8.2 Handling Ratings

MIN MAX UNIT
Tstg Storage temperature range –65 150 °C
V(ESD) Electrostatic discharge Human body model (HBM), per ANSI/ESDA/JEDEC JS-001, all pins(1) –1.5 1.5 kV
Charged device model (CDM), per JEDEC specification JESD22-C101, all pins(2) –250 250 V
(1) JEDEC document JEP155 states that 500-V HBM allows safe manufacturing with a standard ESD control process.
(2) JEDEC document JEP157 states that 250-V CDM allows safe manufacturing with a standard ESD control process.

8.3 Recommended Operating Conditions

TA = 30°C and VREGIN = VBAT = 3.6 V (unless otherwise noted)
MIN TYP MAX UNIT
CBAT(1) External input capacitor for internal LDO between BAT and VSS Nominal capacitor values specified. Recommend a 5% ceramic X5R-type capacitor located close to the device. 0.1 μF
CLDO18(1) External output capacitor for internal LDO between VDD and VSS 0.47 μF
VPU(1) External pullup voltage for open-drain pins (SDA, SCL, GPOUT) 1.62 3.6 V
(1) Specified by design. Not production tested.

8.4 Thermal Information

THERMAL METRIC DRZ (12 PINS) UNIT
RθJA Junction-to-ambient thermal resistance 64.1 °C/W
RθJCtop Junction-to-case (top) thermal resistance 59.8
RθJB Junction-to-board thermal resistance 52.7
ψJT Junction-to-top characterization parameter 0.3
ψJB Junction-to-board characterization parameter 28.3
RθJCbot Junction-to-case (bottom) thermal resistance 2.4

8.5 Supply Current

TA = 30°C and VREGIN = VBAT = 3.6V (unless otherwise noted)
PARAMETER TEST CONDITIONS MIN TYP MAX UNIT
ICC(1) NORMAL mode current ILOAD > Sleep Current(2) 93 μA
ISLP(1) SLEEP mode current ILOAD < Sleep Current(2) 21 μA
IHIB(1) HIBERNATE mode current ILOAD < Hibernate Current(2) 9 μA
ISD(1) SHUTDOWN mode current Fuel gauge in host commanded SHUTDOWN mode.
(LDO regulator output disabled)
0.6 μA
(1) Specified by design. Not production tested.
(2) Wake Comparator Disabled.

8.6 Digital Input and Output DC Characteristics

TA = –40°C to 85°C, typical values at TA = 30°C and VREGIN = 3.6 V (unless otherwise noted)
PARAMETER TEST CONDITIONS MIN TYP MAX UNIT
VIH(OD) Input voltage, high(2) External pullup resistor to VPU VPU × 0.7 V
VIH(PP) Input voltage, high (3) 1.4 V
VIL Input voltage, low(2)(3) 0.6 V
VOL Output voltage, low(2) 0.6 V
IOH Output source current, high(2) 0.5 mA
IOL(OD) Output sink current, low(2) –3 mA
CIN(1) Input capacitance(2)(3) 5 pF
Ilkg Input leakage current
(SCL, SDA, BIN)
0.1 μA
Input leakage current (GPOUT) 1
(1) Specified by design. Not production tested.
(2) Open Drain pins: (SCL, SDA, GPOUT)
(3) Push-Pull pin: (BIN)

8.7 LDO Regulator, Wake-up, and Auto-Shutdown DC Characteristics

TA = –40°C to 85°C, typical values at TA = 30°C and VREGIN = 3.6 V (unless otherwise noted)
PARAMETER TEST CONDITIONS MIN TYP MAX UNIT
VBAT BAT pin regulator input 2.45 4.5 V
VDD Regulator output voltage 1.8 V
UVLOIT+ VBAT undervoltage lock-out
LDO wake-up rising threshold
2 V
UVLOIT– VBAT undervoltage lock-out
LDO auto-shutdown falling threshold
1.95 V
VWU+(1) GPOUT (input) LDO Wake-up rising edge threshold(2) LDO Wake-up from SHUTDOWN mode 1.2 V
(1) Specified by design. Not production tested.
(2) If the device is commanded to SHUTDOWN via I2C with VBAT > UVLOIT+, a wake-up rising edge trigger is required on GPOUT.

8.8 LDO Regulator, Wake-up, and Auto-shutdown AC Characteristics

TA = –40°C to 85°C, typical values at TA = 30°C and VREGIN = 3.6 V (unless otherwise noted)
PARAMETER TEST CONDITIONS MIN TYP MAX UNIT
tSHDN(1) SHUTDOWN entry time Time delay from SHUTDOWN command to LDO output disable. 250 ms
tSHUP(1) SHUTDOWN GPOUT low time Minimum low time of GPOUT (input) in SHUTDOWN before WAKEUP 10 μs
tVDD(1) Initial VDD output delay 13 ms
tWUVDD(1) Wake-up VDD output delay Time delay from rising edge of GPOUT (input) to nominal VDD output. 8 ms
tPUCD Power-up communication delay Time delay from rising edge of REGIN to the Active state. Includes firmware initialization time. 250 ms
(1) Specified by design. Not production tested.

8.9 ADC (Temperature and Cell Measurement) Characteristics

TA = –40°C to 85°C; typical values at TA = 30°C and VREGIN = 3.6 V (unless otherwise noted)
PARAMETER TEST CONDITIONS MIN TYP MAX UNIT
VIN(BAT) BAT pin voltage measurement range Voltage divider enabled 2.45 4.5 V
tADC_CONV Conversion time 125 ms
Effective resolution 15 bits
(1) Specified by design. Not tested in production.

8.10 Integrating ADC (Coulomb Counter) Characteristics

TA = –40°C to 85°C; typical values at TA = 30°C and VREGIN = 3.6 V (unless otherwise noted)
PARAMETER TEST CONDITIONS MIN TYP MAX UNIT
VSR Input voltage range from BAT to SRX pins BAT ± 25 mV
tSR_CONV Conversion time Single conversion 1 s
Effective Resolution Single conversion 16 bits
(1) Specified by design. Not tested in production.

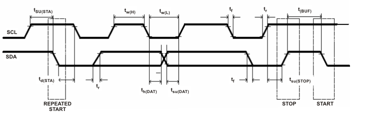
8.11 I2C-Compatible Interface Communication Timing Characteristics

TA = –40°C to 85°C; typical values at TA = 30°C and VREGIN = 3.6 V (unless otherwise noted)
MIN TYP MAX UNIT
Standard Mode (100 kHz)
td(STA) Start to first falling edge of SCL 4 μs
tw(L) SCL pulse duration (low) 4.7 μs
tw(H) SCL pulse duration (high) 4 μs
tsu(STA) Setup for repeated start 4.7 μs
tsu(DAT) Data setup time Host drives SDA 250 ns
th(DAT) Data hold time Host drives SDA 0 ns
tsu(STOP) Setup time for stop 4 μs
t(BUF) Bus free time between stop and start Includes Command Waiting Time 66 μs
tf SCL or SDA fall time(1) 300 ns
tr SCL or SDA rise time(1) 300 ns
fSCL Clock frequency(2) 100 kHz
Fast Mode (400 kHz)
td(STA) Start to first falling edge of SCL 600 ns
tw(L) SCL pulse duration (low) 1300 ns
tw(H) SCL pulse duration (high) 600 ns
tsu(STA) Setup for repeated start 600 ns
tsu(DAT) Data setup time Host drives SDA 100 ns
th(DAT) Data hold time Host drives SDA 0 ns
tsu(STOP) Setup time for stop 600 ns
t(BUF) Bus free time between stop and start Includes Command Waiting Time 66 μs
tf SCL or SDA fall time(1) 300 ns
tr SCL or SDA rise time(1) 300 ns
fSCL Clock frequency(2) 400 kHz
(1) Specified by design. Not production tested.
(2) If the clock frequency (fSCL) is > 100 kHz, use 1-byte write commands for proper operation. All other transactions types are supported at 400 kHz. (See I2C Interface and I2C Command Waiting Time.)
tim_dia_i2c.gifFigure 1. I2C-Compatible Interface Timing Diagrams

8.12 SHUTDOWN and WAKE-UP Timing

wake_shutdown_ds.gifFigure 2. SHUTDOWN and WAKE-UP Timing Diagram

8.13 Typical Characteristics

D003_SLUSBH1.gifFigure 3. Voltage Accuracy
D002_SLUSBH1.gifFigure 5. Current Accuracy
D001_SLUSBH1.gifFigure 4. Temperature Accuracy