ZHCSKO6B July   2010  – January 2020 BQ24650

PRODUCTION DATA.  

  1. 特性
  2. 应用
  3. 说明
    1.     Device Images
      1.      典型应用
  4. 修订历史记录
  5. 说明 (续)
  6. Pin Configuration and Functions
    1.     Pin Functions
  7. Specifications
    1. 7.1 Absolute Maximum Ratings
    2. 7.2 ESD Ratings
    3. 7.3 Recommended Operating Conditions
    4. 7.4 Thermal Information
    5. 7.5 Electrical Characteristics
    6. 7.6 Typical Characteristics
  8. Detailed Description
    1. 8.1 Overview
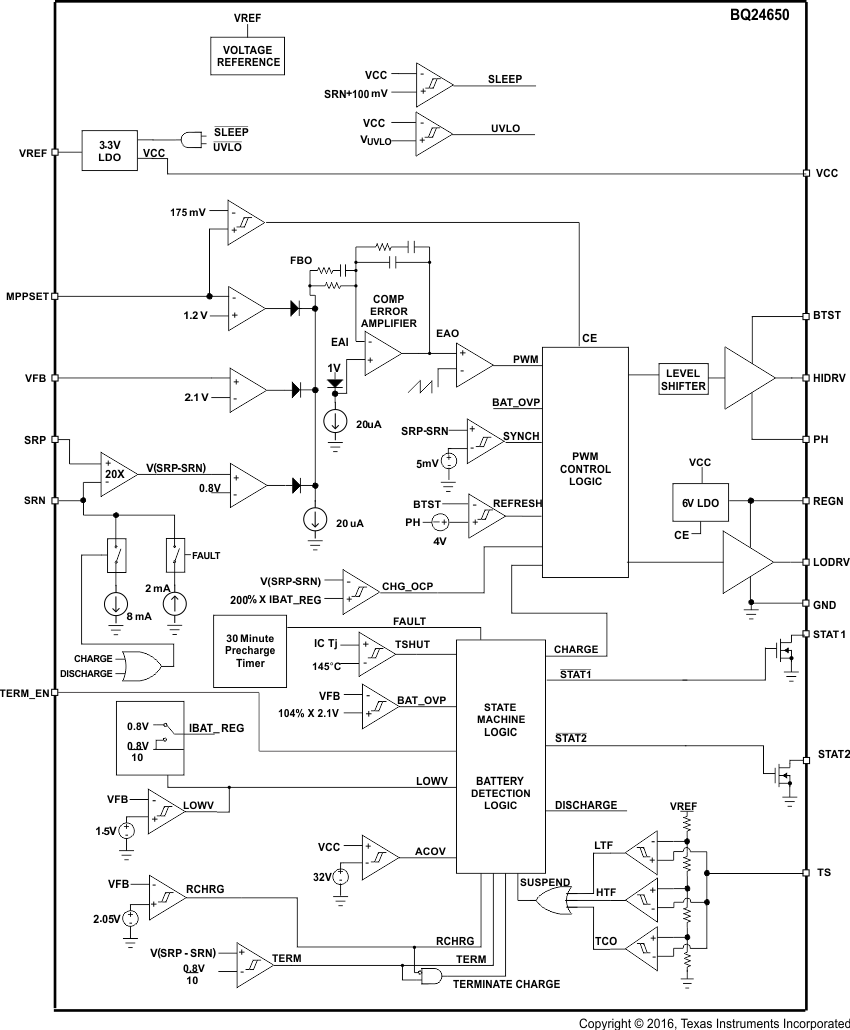
    2. 8.2 Functional Block Diagram
    3. 8.3 Feature Description
      1. 8.3.1  Battery Voltage Regulation
      2. 8.3.2  Input Voltage Regulation
      3. 8.3.3  Battery Current Regulation
      4. 8.3.4  Battery Precharge
      5. 8.3.5  Charge Termination and Recharge
      6. 8.3.6  Power Up
      7. 8.3.7  Enable and Disable Charging
      8. 8.3.8  Automatic Internal Soft-Start Charger Current
      9. 8.3.9  Converter Operation
      10. 8.3.10 Synchronous and Non-Synchronous Operation
      11. 8.3.11 Cycle-by-Cycle Charge Undercurrent
      12. 8.3.12 Input Overvoltage Protection (ACOV)
      13. 8.3.13 Input Undervoltage Lockout (UVLO)
      14. 8.3.14 Battery Overvoltage Protection
      15. 8.3.15 Cycle-by-Cycle Charge Overcurrent Protection
      16. 8.3.16 Thermal Shutdown Protection
      17. 8.3.17 Temperature Qualification
      18. 8.3.18 Charge Enable
      19. 8.3.19 Inductor, Capacitor, and Sense Resistor Selection Guidelines
      20. 8.3.20 Charge Status Outputs
      21. 8.3.21 Battery Detection
        1. 8.3.21.1 Example
    4. 8.4 Device Functional Modes
      1. 8.4.1 Converter Operation
      2. 8.4.2 Synchronous and Non-Synchronous Operation
  9. Application and Implementation
    1. 9.1 Application Information
    2. 9.2 Typical Application
      1. 9.2.1 Design Requirements
      2. 9.2.2 Detailed Design Procedure
        1. 9.2.2.1 Inductor Selection
        2. 9.2.2.2 Input Capacitor
        3. 9.2.2.3 Output Capacitor
        4. 9.2.2.4 Power MOSFETs Selection
        5. 9.2.2.5 Input Filter Design
        6. 9.2.2.6 MPPT Temperature Compensation
      3. 9.2.3 Application Curves
  10. 10Power Supply Recommendations
  11. 11Layout
    1. 11.1 Layout Guidelines
    2. 11.2 Layout Example
  12. 12器件和文档支持
    1. 12.1 器件支持
      1. 12.1.1 第三方产品免责声明
    2. 12.2 接收文档更新通知
    3. 12.3 支持资源
    4. 12.4 商标
    5. 12.5 静电放电警告
    6. 12.6 Glossary
  13. 13机械、封装和可订购信息

封装选项

机械数据 (封装 | 引脚)
散热焊盘机械数据 (封装 | 引脚)
订购信息

Functional Block Diagram

BQ24650 fbd_lusa75.gif