ZHCSBL6D september   2013  – april 2023 BQ24296 , BQ24297

PRODUCTION DATA  

  1. 特性
  2. 应用
  3. 说明
  4. Revision History
  5. Description (continued)
  6. Device Comparison Table
  7. Pin Configuration and Functions
  8. Specifications
    1. 8.1 Absolute Maximum Ratings #GUID-BA2DB09A-966C-4324-B633-1AB165FC219B/SLUSBC14058
    2. 8.2 ESD Ratings
    3. 8.3 Recommended Operating Conditions
    4. 8.4 Thermal Information
    5. 8.5 Electrical Characteristics
    6. 8.6 Timing Requirements
    7. 8.7 Typical Characteristics
  9. Detailed Description
    1. 9.1 Overview
    2. 9.2 Functional Block Diagram
    3. 9.3 Feature Description
      1. 9.3.1 Device Power Up
        1. 9.3.1.1 Power-On-Reset (POR)
        2. 9.3.1.2 Power Up from Battery without DC Source
          1. 9.3.1.2.1 BATFET Turn Off
          2. 9.3.1.2.2 Shipping Mode
        3. 9.3.1.3 Power Up from DC Source
          1. 9.3.1.3.1 REGN LDO
          2. 9.3.1.3.2 Input Source Qualification
          3. 9.3.1.3.3 Input Current Limit Detection
          4. 9.3.1.3.4 D+/D– Detection Sets Input Current Limit (BQ24297)
          5. 9.3.1.3.5 PSEL/OTG Pins Set Input Current Limit
          6. 9.3.1.3.6 HIZ State with 100mA USB Host
          7. 9.3.1.3.7 Force Input Current Limit Detection
        4. 9.3.1.4 Converter Power-Up
        5. 9.3.1.5 Boost Mode Operation from Battery
      2. 9.3.2 Power Path Management
        1. 9.3.2.1 Narrow VDC Architecture
        2. 9.3.2.2 Dynamic Power Management
        3. 9.3.2.3 Supplement Mode
      3. 9.3.3 Battery Charging Management
        1. 9.3.3.1 Autonomous Charging Cycle
        2. 9.3.3.2 Battery Charging Profile
        3. 9.3.3.3 Thermistor Qualification
          1. 9.3.3.3.1 Cold/Hot Temperature Window
        4. 9.3.3.4 Charging Termination
          1. 9.3.3.4.1 Termination When REG02[0] = 1
        5. 9.3.3.5 Charging Safety Timer
          1. 9.3.3.5.1 Safety Timer Configuration Change
        6. 9.3.3.6 USB Timer When Charging from USB100mA Source
      4. 9.3.4 Status Outputs ( PG, STAT, and INT)
        1. 9.3.4.1 Power Good Indicator ( PG) (BQ24296)
        2. 9.3.4.2 Charging Status Indicator (STAT)
        3. 9.3.4.3 Interrupt to Host (INT)
      5. 9.3.5 Protections
        1. 9.3.5.1 Input Current Limit on ILIM
        2. 9.3.5.2 Thermal Regulation and Thermal Shutdown
        3. 9.3.5.3 Voltage and Current Monitoring in Buck Mode
          1. 9.3.5.3.1 Input Over-Voltage (ACOV)
          2. 9.3.5.3.2 System Over-Voltage Protection (SYSOVP)
        4. 9.3.5.4 Voltage and Current Monitoring in Boost Mode
          1. 9.3.5.4.1 Over-Current Protection
          2. 9.3.5.4.2 VBUS Over-Voltage Protection
        5. 9.3.5.5 Battery Protection
          1. 9.3.5.5.1 Battery Over-Voltage Protection (BATOVP)
          2. 9.3.5.5.2 Battery Short Protection
          3. 9.3.5.5.3 System Over-Current Protection
    4. 9.4 Device Functional Modes
      1. 9.4.1 Host Mode and Default Mode
        1. 9.4.1.1 Plug in USB100mA Source with Good Battery
        2. 9.4.1.2 USB Timer When Charging from USB100mA Source
    5. 9.5 Programming
      1. 9.5.1 Serial Interface
        1. 9.5.1.1 Data Validity
        2. 9.5.1.2 START and STOP Conditions
        3. 9.5.1.3 Byte Format
        4. 9.5.1.4 Acknowledge (ACK) and Not Acknowledge (NACK)
        5. 9.5.1.5 Target Address and Data Direction Bit
          1. 9.5.1.5.1 Single Read and Write
          2. 9.5.1.5.2 Multi-Read and Multi-Write
    6. 9.6 Register Map
      1. 9.6.1 I2C Registers
        1. 9.6.1.1  Input Source Control Register REG00 [reset = 00110xxx, or 3x]
        2. 9.6.1.2  Power-On Configuration Register REG01 [reset = 00011011, or 0x1B]
        3. 9.6.1.3  Charge Current Control Register REG02 [reset = 01100000, or 60]
        4. 9.6.1.4  Pre-Charge/Termination Current Control Register REG03 [reset = 00010001, or 0x11]
        5. 9.6.1.5  Charge Voltage Control Register REG04 [reset = 10110010, or 0xB2]
        6. 9.6.1.6  Charge Termination/Timer Control Register REG05 [reset = 10011010, or 0x9A]
        7. 9.6.1.7  Boost Voltage/Thermal Regulation Control Register REG06 [reset = 01110011, or 0x73]
        8. 9.6.1.8  Misc Operation Control Register REG07 [reset = 01001011, or 4B]
        9. 9.6.1.9  System Status Register REG08
        10. 9.6.1.10 New Fault Register REG09
        11. 9.6.1.11 Vender / Part / Revision Status Register REG0A
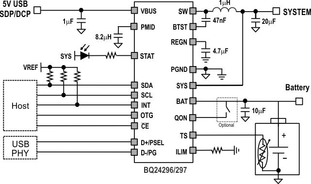
  10. 10Application and Implementation
    1. 10.1 Application Information
    2. 10.2 Typical Application
      1. 10.2.1 Design Requirements
      2. 10.2.2 Detailed Design Procedure
        1. 10.2.2.1 Inductor Selection
        2. 10.2.2.2 Input Capacitor
        3. 10.2.2.3 Output Capacitor
      3. 10.2.3 Application Performance Plots
  11. 11Power Supply Recommendations
  12. 12Layout
    1. 12.1 Layout Guidelines
    2. 12.2 Layout Example
  13. 13Device and Documentation Support
    1. 13.1 Device Support
      1. 13.1.1 第三方产品免责声明
    2. 13.2 Documentation Support
      1. 13.2.1 Related Documentation
    3. 13.3 接收文档更新通知
    4. 13.4 支持资源
    5. 13.5 Trademarks
    6. 13.6 静电放电警告
    7. 13.7 术语表
  14. 14Mechanical, Packaging, and Orderable Information

封装选项

机械数据 (封装 | 引脚)
散热焊盘机械数据 (封装 | 引脚)
订购信息

说明

BQ24296/BQ24297 是高度集成的开关模式电池充电管理和系统电源路径管理器件,适用于各种智能手机和平板电脑应用中的 1 节锂离子和锂聚合物电池。

器件信息(1)
器件型号封装封装尺寸(标称值)
BQ24296/7VQFN (24)4.00mm x 4.00mm
如需了解所有可用封装,请参阅数据表末尾的可订购产品附录。
GUID-3BEE2C11-B891-4C04-AC92-4D67D7A7AC09-low.gif应用原理图