ZHCSND4H january   2010  – april 2021 BQ24090 , BQ24091 , BQ24092 , BQ24093 , BQ24095

PRODUCTION DATA  

  1.   1
  2. 特性
  3. 应用
  4. 说明
  5. Revision History
  6. 说明(续)
  7. Device Options
  8. Pin Configuration and Functions
  9. Specifications
    1. 8.1 Absolute Maximum Ratings #GUID-9FC6FB05-10A6-4323-9A52-EE32AE4C5F67/SLUS9405873
    2. 8.2 ESD Ratings
    3. 8.3 Recommended Operating Conditions #GUID-4D70561B-CB71-403D-B731-8EF5DEBEBDF9/SLUS9401392
    4. 8.4 Thermal Information
    5. 8.5 Dissipation Ratings #GUID-196940BE-C3C2-4CDF-A8A4-7C186292F803/SLUS9404025 #GUID-196940BE-C3C2-4CDF-A8A4-7C186292F803/SLUS9403553
    6. 8.6 Electrical Characteristics
    7. 8.7 Typical Characteristics
      1. 8.7.1 Power Up, Power Down, OVP, Disable and Enable Waveforms
      2. 8.7.2 Protection Circuits Waveforms
  10. Detailed Description
    1. 9.1 Overview
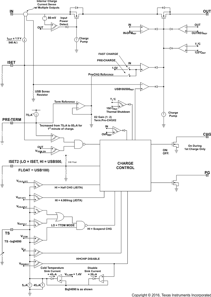
    2. 9.2 Functional Block Diagram
    3. 9.3 Feature Description
      1. 9.3.1  Power Down or Undervoltage Lockout (UVLO)
      2. 9.3.2  UVLO
      3. 9.3.3  Power Up
      4. 9.3.4  Sleep Mode
      5. 9.3.5  New Charge Cycle
      6. 9.3.6  Overvoltage Protection (OVP) – Continuously Monitored
      7. 9.3.7  Power Good Indication ( PG)
      8. 9.3.8  CHG Pin Indication
      9. 9.3.9  CHG and PG LED Pullup Source
      10. 9.3.10 IN-DPM (VIN-DPM or IN–DPM)
      11. 9.3.11 OUT
      12. 9.3.12 ISET
      13. 9.3.13 PRE_TERM – Precharge and Termination Programmable Threshold
      14. 9.3.14 ISET2
      15. 9.3.15 TS
    4. 9.4 Device Functional Modes
      1. 9.4.1 Termination and Timer Disable Mode (TTDM) - TS Pin High
      2. 9.4.2 Timers
      3. 9.4.3 Termination
      4. 9.4.4 Battery Detect Routine
      5. 9.4.5 Refresh Threshold
      6. 9.4.6 Starting a Charge on a Full Battery
  11. 10Application and Implementation
    1. 10.1 Application Information
    2. 10.2 Typical Application
      1. 10.2.1 Design Requirements
      2. 10.2.2 Detailed Design Procedure
        1. 10.2.2.1 Calculations
          1. 10.2.2.1.1 Program the Fast Charge Current, ISET:
          2. 10.2.2.1.2 Program the Termination Current Threshold, ITERM:
          3. 10.2.2.1.3 TS Function
          4. 10.2.2.1.4 CHG and PG
        2. 10.2.2.2 Selecting IN and OUT Pin Capacitors
      3. 10.2.3 Application Curves
  12. 11Power Supply Recommendations
  13. 12Layout
    1. 12.1 Layout Guidelines
    2. 12.2 Layout Example
    3. 12.3 Thermal Considerations
      1. 12.3.1 Leakage Current Effects on Battery Capacity
  14. 13Device and Documentation Support
    1. 13.1 Device Support
      1. 13.1.1 第三方产品免责声明
    2. 13.2 接收文档更新通知
    3. 13.3 支持资源
    4. 13.4 Trademarks
    5. 13.5 静电放电警告
    6. 13.6 术语表
  15.   Mechanical, Packaging, and Orderable Information

封装选项

机械数据 (封装 | 引脚)
散热焊盘机械数据 (封装 | 引脚)
订购信息

Functional Block Diagram

GUID-B64C4FFC-1E36-4D1C-A4D6-C957AC562846-low.gif