ZHCSIF0N September   2008  – October 2021 BQ24072 , BQ24073 , BQ24074 , BQ24075 , BQ24079

PRODUCTION DATA  

  1. 特性
  2. 应用
  3. 说明
  4. Revision History
  5. 说明(续)
  6. Device Comparison Table
  7. Pin Configuration and Functions
  8. Specifications
    1. 8.1 Absolute Maximum Ratings (1)
    2. 8.2 ESD Ratings
    3. 8.3 Recommended Operating Conditions
    4. 8.4 Thermal Information
    5. 8.5 Electrical Characteristics
    6. 8.6 Typical Characteristics
  9. Detailed Description
    1. 9.1 Overview
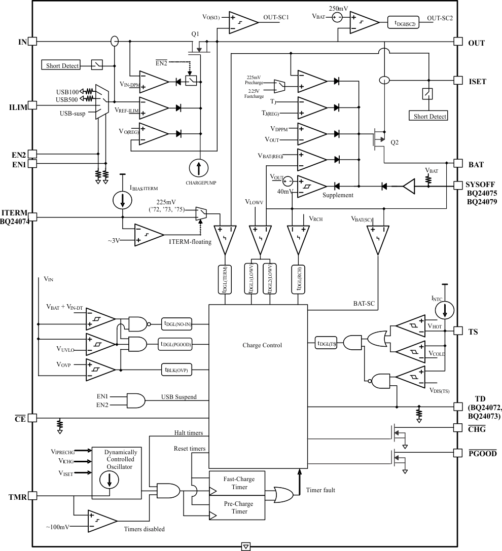
    2. 9.2 Functional Block Diagram
    3. 9.3 Feature Description
      1. 9.3.1 Undervoltage Lockout (UVLO)
      2. 9.3.2 Power On
      3. 9.3.3 Overvoltage Protection (OVP)
      4. 9.3.4 Dynamic Power Path Management
        1. 9.3.4.1 Input Source Connected (ADAPTER or USB)
          1. 9.3.4.1.1 Input DPM Mode (VIN-DPM)
          2. 9.3.4.1.2 DPPM Mode
          3. 9.3.4.1.3 Battery Supplement Mode
        2. 9.3.4.2 Input Source Not Connected
      5. 9.3.5 Battery Charging
        1. 9.3.5.1 Charge Current Translator
        2. 9.3.5.2 Adjustable Termination Threshold (ITERM Input, BQ24074)
        3. 9.3.5.3 Termination Disable (TD Input, BQ24072, BQ24073)
        4. 9.3.5.4 Battery Detection and Recharge
        5. 9.3.5.5 Battery Disconnect (SYSOFF Input, BQ24075, BQ24079)
        6. 9.3.5.6 Dynamic Charge Timers (TMR Input)
        7. 9.3.5.7 Status Indicators ( PGOOD, CHG)
        8. 9.3.5.8 Thermal Regulation and Thermal Shutdown
      6. 9.3.6 Battery Pack Temperature Monitoring
    4. 9.4 Device Functional Modes
      1. 9.4.1 Sleep Mode
      2. 9.4.2 Explanation of Deglitch Times and Comparator Hysteresis
  10. 10Application and Implementation
    1. 10.1 Application Information
    2. 10.2 Typical Application
      1. 10.2.1 Design Requirements
      2. 10.2.2 Detailed Design Procedure
        1. 10.2.2.1 BQ2407x Charger Design Example
          1. 10.2.2.1.1 Termination Disable (TD) (BQ24072, BQ24073 only)
          2. 10.2.2.1.2 System ON/OFF (SYSOFF) (BQ24075 or BQ24079 only)
        2. 10.2.2.2 Calculations
          1. 10.2.2.2.1 Program the Fast Charge Current (ISET):
          2. 10.2.2.2.2 Program the Input Current Limit (ILIM)
          3. 10.2.2.2.3 Program the Termination Current Threshold (ITERM) (BQ24074 only)
          4. 10.2.2.2.4 Program 6.25-hour Fast-Charge Safety Timer (TMR)
        3. 10.2.2.3 TS Function
        4. 10.2.2.4 CHG and PGOOD
        5. 10.2.2.5 Selecting IN, OUT, and BAT Pin Capacitors
      3. 10.2.3 Application Curves
    3. 10.3 System Examples
      1. 10.3.1 Standalone Charger
      2. 10.3.2 Disconnecting the Battery From the System
  11. 11Power Supply Recommendations
  12. 12Layout
    1. 12.1 Layout Guidelines
    2. 12.2 Layout Example
    3. 12.3 Thermal Considerations
  13. 13Device and Documentation Support
    1. 13.1 Device Support
      1. 13.1.1 第三方产品免责声明
    2. 13.2 接收文档更新通知
    3. 13.3 支持资源
    4. 13.4 Trademarks
    5. 13.5 Electrostatic Discharge Caution
    6. 13.6 术语表
  14. 14Mechanical, Packaging, and Orderable Information

封装选项

机械数据 (封装 | 引脚)
散热焊盘机械数据 (封装 | 引脚)
订购信息

Functional Block Diagram

GUID-FC7FCE0F-6C37-4A95-8672-4209C6977918-low.gif