ZHCSG26C March   2017  – Janaury 2020 AMC1306E05 , AMC1306E25 , AMC1306M05 , AMC1306M25

PRODUCTION DATA.  

  1. 特性
  2. 应用
  3. 说明
    1.     Device Images
      1.      简化原理图
  4. 修订历史记录
  5. Device Comparison Table
  6. Pin Configuration and Functions
    1.     Pin Functions
  7. Specifications
    1. 7.1  Absolute Maximum Ratings
    2. 7.2  ESD Ratings
    3. 7.3  Recommended Operating Conditions
    4. 7.4  Thermal Information
    5. 7.5  Power Ratings
    6. 7.6  Insulation Specifications
    7. 7.7  Safety-Related Certifications
    8. 7.8  Safety Limiting Values
    9. 7.9  Electrical Characteristics: AMC1306x05
    10. 7.10 Electrical Characteristics: AMC1306x25
    11. 7.11 Switching Characteristics
    12. 7.12 Insulation Characteristics Curves
    13. 7.13 Typical Characteristics
  8. Detailed Description
    1. 8.1 Overview
    2. 8.2 Functional Block Diagram
    3. 8.3 Feature Description
      1. 8.3.1 Analog Input
      2. 8.3.2 Modulator
      3. 8.3.3 Isolation Channel Signal Transmission
      4. 8.3.4 Digital Output
      5. 8.3.5 Manchester Coding Feature
    4. 8.4 Device Functional Modes
      1. 8.4.1 Fail-Safe Output
      2. 8.4.2 Output Behavior in Case of a Full-Scale Input
  9. Application and Implementation
    1. 9.1 Application Information
      1. 9.1.1 Digital Filter Usage
    2. 9.2 Typical Applications
      1. 9.2.1 Frequency Inverter Application
        1. 9.2.1.1 Design Requirements
        2. 9.2.1.2 Detailed Design Procedure
        3. 9.2.1.3 Application Curve
      2. 9.2.2 Isolated Voltage Sensing
        1. 9.2.2.1 Design Requirements
        2. 9.2.2.2 Detailed Design Procedure
        3. 9.2.2.3 Application Curve
      3. 9.2.3 What To Do and What Not To Do
  10. 10Power Supply Recommendations
  11. 11Layout
    1. 11.1 Layout Guidelines
    2. 11.2 Layout Example
  12. 12器件和文档支持
    1. 12.1 器件支持
      1. 12.1.1 器件命名规则
        1. 12.1.1.1 隔离相关术语
    2. 12.2 文档支持
      1. 12.2.1 相关文档
    3. 12.3 相关链接
    4. 12.4 接收文档更新通知
    5. 12.5 社区资源
    6. 12.6 商标
    7. 12.7 静电放电警告
    8. 12.8 Glossary
  13. 13机械、封装和可订购信息

封装选项

请参考 PDF 数据表获取器件具体的封装图。

机械数据 (封装 | 引脚)
  • DWV|8
散热焊盘机械数据 (封装 | 引脚)
订购信息

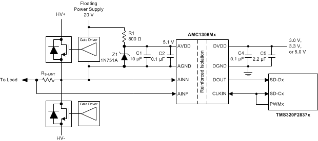
Power Supply Recommendations

In a typical frequency-inverter application, the high-side power supply (AVDD) for the device is directly derived from the floating power supply of the upper gate driver. For lowest system-level cost, a Zener diode can be used to limit the voltage to 5 V or 3.3 V (±10%). Alternatively a low-cost low-drop regulator (LDO), for example the LM317-N, can be used to adjust the supply voltage level and minimize noise on the power-supply node. A low-ESR decoupling capacitor of 0.1 µF is recommended for filtering this power-supply path. Place this capacitor (C2 in Figure 61) as close as possible to the AVDD pin of the AMC1306 for best performance. If better filtering is required, an additional 10-µF capacitor can be used.

The floating ground reference (AGND) is derived from the end of the shunt resistor that is connected to the negative input (AINN) of the device. If a four-pin shunt is used, the device inputs are connected to the inner leads and AGND is connected to one of the outer leads of the shunt.

For decoupling of the digital power supply on the controller side, a 0.1-µF capacitor is recommended to be placed as close to the DVDD pin of the AMC1306 as possible, followed by an additional capacitor in the range of 1 µF to 10 µF.

AMC1306E05 AMC1306E25 AMC1306M05 AMC1306M25 ai_pwr_bas734.gifFigure 61. Decoupling the AMC1306