ZHCSG26C March   2017  – Janaury 2020 AMC1306E05 , AMC1306E25 , AMC1306M05 , AMC1306M25

PRODUCTION DATA.  

  1. 特性
  2. 应用
  3. 说明
    1.     Device Images
      1.      简化原理图
  4. 修订历史记录
  5. Device Comparison Table
  6. Pin Configuration and Functions
    1.     Pin Functions
  7. Specifications
    1. 7.1  Absolute Maximum Ratings
    2. 7.2  ESD Ratings
    3. 7.3  Recommended Operating Conditions
    4. 7.4  Thermal Information
    5. 7.5  Power Ratings
    6. 7.6  Insulation Specifications
    7. 7.7  Safety-Related Certifications
    8. 7.8  Safety Limiting Values
    9. 7.9  Electrical Characteristics: AMC1306x05
    10. 7.10 Electrical Characteristics: AMC1306x25
    11. 7.11 Switching Characteristics
    12. 7.12 Insulation Characteristics Curves
    13. 7.13 Typical Characteristics
  8. Detailed Description
    1. 8.1 Overview
    2. 8.2 Functional Block Diagram
    3. 8.3 Feature Description
      1. 8.3.1 Analog Input
      2. 8.3.2 Modulator
      3. 8.3.3 Isolation Channel Signal Transmission
      4. 8.3.4 Digital Output
      5. 8.3.5 Manchester Coding Feature
    4. 8.4 Device Functional Modes
      1. 8.4.1 Fail-Safe Output
      2. 8.4.2 Output Behavior in Case of a Full-Scale Input
  9. Application and Implementation
    1. 9.1 Application Information
      1. 9.1.1 Digital Filter Usage
    2. 9.2 Typical Applications
      1. 9.2.1 Frequency Inverter Application
        1. 9.2.1.1 Design Requirements
        2. 9.2.1.2 Detailed Design Procedure
        3. 9.2.1.3 Application Curve
      2. 9.2.2 Isolated Voltage Sensing
        1. 9.2.2.1 Design Requirements
        2. 9.2.2.2 Detailed Design Procedure
        3. 9.2.2.3 Application Curve
      3. 9.2.3 What To Do and What Not To Do
  10. 10Power Supply Recommendations
  11. 11Layout
    1. 11.1 Layout Guidelines
    2. 11.2 Layout Example
  12. 12器件和文档支持
    1. 12.1 器件支持
      1. 12.1.1 器件命名规则
        1. 12.1.1.1 隔离相关术语
    2. 12.2 文档支持
      1. 12.2.1 相关文档
    3. 12.3 相关链接
    4. 12.4 接收文档更新通知
    5. 12.5 社区资源
    6. 12.6 商标
    7. 12.7 静电放电警告
    8. 12.8 Glossary
  13. 13机械、封装和可订购信息

封装选项

请参考 PDF 数据表获取器件具体的封装图。

机械数据 (封装 | 引脚)
  • DWV|8
散热焊盘机械数据 (封装 | 引脚)
订购信息

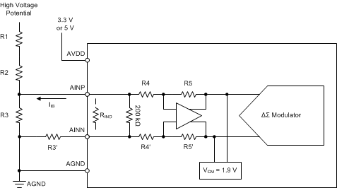
Isolated Voltage Sensing

The AMC1306 is optimized for usage in current-sensing applications using low-impedance shunts. However, the device can also be used in isolated voltage-sensing applications if the affect of the (usually higher) impedance of the resistor used in this case is considered.

AMC1306E05 AMC1306E25 AMC1306M05 AMC1306M25 ai_v-sensing_bas734.gifFigure 59. Using the AMC1306 for Isolated Voltage Sensing