ZHCS596B December   2011  – June 2019 AFE030

PRODUCTION DATA.  

  1. 特性
  2. 应用
  3. 说明
    1.     Device Images
      1.      方框图
  4. 修订历史记录
  5. 说明(续)
  6. Pin Configuration and Functions
    1.     Pin Functions
  7. Specifications
    1. 7.1  Absolute Maximum Ratings
    2. 7.2  ESD Ratings
    3. 7.3  Thermal Information
    4. 7.4  Electrical Characteristics: Transmitter (Tx), Tx_DAC
    5. 7.5  Electrical Characteristics: Transmitter (Tx), Tx_PGA
    6. 7.6  Electrical Characteristics: Transmitter (Tx), Tx_FILTER
    7. 7.7  Electrical Characteristics: Power Amplifier (PA)
    8. 7.8  Electrical Characteristics: Receiver (Rx), Rx PGA1
    9. 7.9  Electrical Characteristics: Receiver (Rx), Rx Filter
    10. 7.10 Electrical Characteristics: Receiver (Rx), Rx PGA2
    11. 7.11 Electrical Characteristics: Digital
    12. 7.12 Electrical Characteristics: Two-Wire Interface
    13. 7.13 Electrical Characteristics: Zero-Crossing Detector
    14. 7.14 Electrical Characteristics: Internal Bias Generator
    15. 7.15 Electrical Characteristics: Power Supply
    16. 7.16 Typical Characteristics
  8. Parameter Measurement Information
    1. 8.1 Timing Requirements
    2. 8.2 Timing Diagrams
  9. Detailed Description
    1. 9.1 Overview
    2. 9.2 Functional Block Diagram
    3. 9.3 Feature Description
      1. 9.3.1 PA Block
      2. 9.3.2 Tx Block
      3. 9.3.3 Rx Block
      4. 9.3.4 DAC Block
      5. 9.3.5 REF1 and REF2 Blocks
      6. 9.3.6 Zero Crossing Detector Block
      7. 9.3.7 ETx and ERx Blocks
    4. 9.4 Power Supplies
    5. 9.5 Pin Descriptions
      1. 9.5.1 Current Overload
      2. 9.5.2 Thermal Overload
    6. 9.6 Calibration Modes
      1. 9.6.1 Tx Calibration Mode
      2. 9.6.2 Rx Calibration Mode
    7. 9.7 Serial Interface
  10. 10Application and Implementation
    1. 10.1 Application Information
    2. 10.2 Typical Application
    3. 10.3 Line-Coupling Circuit
    4. 10.4 Circuit Protection
    5. 10.5 Thermal Considerations
  11. 11器件和文档支持
    1. 11.1 器件支持
      1. 11.1.1 开发支持
        1. 11.1.1.1 TINA-TI™(免费软件下载)
        2. 11.1.1.2 TI 高精度设计
        3. 11.1.1.3 WEBENCH滤波器设计器
      2. 11.1.2 电力线通信开发者套件
    2. 11.2 文档支持
      1. 11.2.1 相关文档
    3. 11.3 接收文档更新通知
    4. 11.4 社区资源
    5. 11.5 商标
    6. 11.6 静电放电警告
    7. 11.7 Glossary

封装选项

机械数据 (封装 | 引脚)
散热焊盘机械数据 (封装 | 引脚)
订购信息

Timing Diagrams

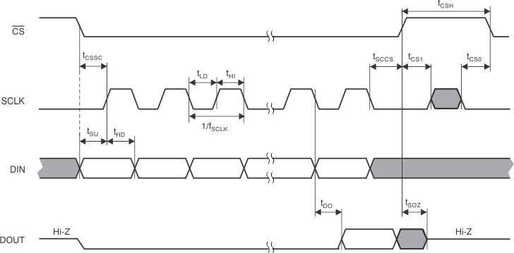
AFE030 tim_spi00_bos531.gifFigure 20. SPI Mode 0,0
AFE030 tim_spi11_bos531.gifFigure 21. SPI Mode 1,1
AFE030 tim_write_standalone_bos531.gifFigure 22. Write Operation in Stand-Alone Mode
AFE030 tim_read_standalone_bos531.gifFigure 23. Read Operation in Stand-Alone Mode