ZHCSBG8B May   2013  – March 2019 ADS8864

PRODUCTION DATA.  

  1. 特性
  2. 应用
  3. 说明
    1.     Device Images
      1.      ADC 电源无需独立的 LDO
  4. 修订历史记录
  5. Device Comparison Table
  6. Pin Configuration and Functions
    1.     Pin Functions
  7. Specifications
    1. 7.1 Absolute Maximum Ratings
    2. 7.2 ESD Ratings
    3. 7.3 Recommended Operating Conditions
    4. 7.4 Thermal Information
    5. 7.5 Electrical Characteristics
    6. 7.6 Timing Requirements: 3-Wire Operation
    7. 7.7 Timing Requirements: 4-Wire Operation
    8. 7.8 Timing Requirements: Daisy-Chain
    9. 7.9 Typical Characteristics
  8. Parameter Measurement Information
    1. 8.1 Equivalent Circuits
  9. Detailed Description
    1. 9.1 Overview
    2. 9.2 Functional Block Diagram
    3. 9.3 Feature Description
      1. 9.3.1 Analog Input
      2. 9.3.2 Reference
      3. 9.3.3 Clock
      4. 9.3.4 ADC Transfer Function
    4. 9.4 Device Functional Modes
      1. 9.4.1 CS Mode
        1. 9.4.1.1 3-Wire CS Mode Without a Busy Indicator
        2. 9.4.1.2 3-Wire CS Mode With a Busy Indicator
        3. 9.4.1.3 4-Wire CS Mode Without a Busy Indicator
        4. 9.4.1.4 4-Wire CS Mode With a Busy Indicator
      2. 9.4.2 Daisy-Chain Mode
        1. 9.4.2.1 Daisy-Chain Mode Without a Busy Indicator
        2. 9.4.2.2 Daisy-Chain Mode With a Busy Indicator
  10. 10Application and Implementation
    1. 10.1 Application Information
      1. 10.1.1 ADC Reference Driver
      2. 10.1.2 ADC Input Driver
        1. 10.1.2.1 Input Amplifier Selection
        2. 10.1.2.2 Charge-Kickback Filter
    2. 10.2 Typical Applications
      1. 10.2.1 DAQ Circuit for a 2.5-µs, Full-Scale Step Response
        1. 10.2.1.1 Design Requirements
        2. 10.2.1.2 Detailed Design Procedure
      2. 10.2.2 DAQ Circuit for Lowest Distortion and Noise Performance at 400 kSPS
        1. 10.2.2.1 Design Requirements
        2. 10.2.2.2 Detailed Design Procedure
      3. 10.2.3 Ultralow-Power DAQ Circuit at 10 kSPS
        1. 10.2.3.1 Design Requirements
        2. 10.2.3.2 Detailed Design Procedure
  11. 11Power Supply Recommendations
    1. 11.1 Power-Supply Decoupling
    2. 11.2 Power Saving
  12. 12Layout
    1. 12.1 Layout Guidelines
    2. 12.2 Layout Example
  13. 13器件和文档支持
    1. 13.1 文档支持
      1. 13.1.1 相关文档
    2. 13.2 接收文档更新通知
    3. 13.3 社区资源
    4. 13.4 商标
    5. 13.5 静电放电警告
    6. 13.6 术语表
  14. 14机械、封装和可订购信息

封装选项

机械数据 (封装 | 引脚)
散热焊盘机械数据 (封装 | 引脚)
订购信息

4-Wire CS Mode Without a Busy Indicator

This interface option is useful when one or more ADCs are connected to an SPI-compatible digital host. Figure 52 shows the connection diagram for single ADC; see Figure 54 for the connection diagram for two ADCs.

ADS8864 ai_cs_4wire_conex_1ADC_bas557.gifFigure 52. Connection Diagram: Single ADC With 4-Wire CS Mode Without a Busy Indicator

In this interface option, DIN is controlled by the digital host and functions as CS. As shown in Figure 53, with DIN high, a CONVST rising edge selects CS mode, forces DOUT to 3-state, samples the input signal, and causes the device to enter a conversion phase. In this interface option, CONVST must be held at a high level from the start of the conversion until all data bits are read. Conversion is done with the internal clock and continues regardless of the state of DIN. As a result, DIN (functioning as CS) can be pulled low to select other devices on the board. However, DIN must be pulled high before the minimum conversion time (tconv-min) elapses and remains high until the maximum possible conversion time (tconv-max) elapses. A high level on DIN at the end of the conversion ensures the device does not generate a busy indicator.

ADS8864 ai_cs_4wire_tim_1ADC_bas557.gifFigure 53. Interface Timing Diagram: Single ADC With 4-Wire CS Mode Without a Busy Indicator

When conversion is complete, the device enters acquisition phase and powers down. DIN (functioning as CS) can be brought low after the maximum conversion time (tconv-max) elapses. On the DIN falling edge, DOUT comes out of 3-state and the device outputs the MSB of the data. The lower data bits are output on subsequent SCLK falling edges. Data can be read at either SCLK falling or rising edges. Note that with any SCLK frequency, reading data at SCLK falling edge requires the digital host to clock in the data during the th_CK_DO-min time frame. DOUT goes to 3-state after the 16th SCLK falling edge or when DIN goes high, whichever occurs first.

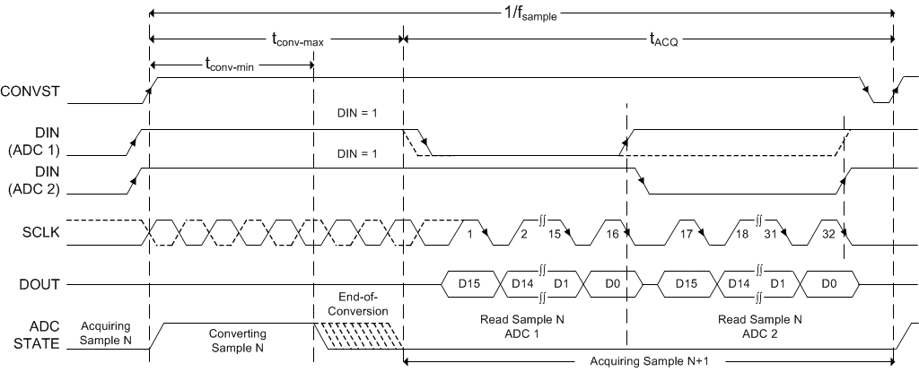
As shown in Figure 54, multiple devices can be hooked together on the same data bus. In this case, as shown in Figure 55, the DIN of the second device (functioning as CS for the second device) can go low after the first device data are read and the DOUT of the first device is in 3-state.

Care must be taken so that CONVST and DIN are not both low together at any time during the cycle.

ADS8864 ai_cs_4wire_conex_2ADC_bas557.gifFigure 54. Connection Diagram: Two ADCs With 4-Wire CS Mode Without a Busy Indicator
ADS8864 ai_cs_4wire_tim_2ADC_bas557.gifFigure 55. Interface Timing Diagram: Two ADCs With 4-Wire CS Mode Without a Busy Indicator