ZHCSBG4B May   2013  – February 2019 ADS8862

PRODUCTION DATA.  

  1. 特性
  2. 应用
  3. 说明
    1.     Device Images
      1.      ADC 电源无需独立的 LDO
  4. 修订历史记录
  5. Device Comparison Table
  6. Pin Configuration and Functions
    1.     Pin Functions
  7. Specifications
    1. 7.1 Absolute Maximum Ratings
    2. 7.2 ESD Ratings
    3. 7.3 Recommended Operating Conditions
    4. 7.4 Thermal Information
    5. 7.5 Electrical Characteristics
    6. 7.6 Timing Requirements: 3-Wire Operation
    7. 7.7 Timing Requirements: 4-Wire Operation
    8. 7.8 Timing Requirements: Daisy-Chain
    9. 7.9 Typical Characteristics
  8. Parameter Measurement Information
    1. 8.1 Equivalent Circuits
  9. Detailed Description
    1. 9.1 Overview
    2. 9.2 Functional Block Diagram
    3. 9.3 Feature Description
      1. 9.3.1 Analog Input
      2. 9.3.2 Reference
      3. 9.3.3 Clock
      4. 9.3.4 ADC Transfer Function
    4. 9.4 Device Functional Modes
      1. 9.4.1 CS Mode
        1. 9.4.1.1 3-Wire CS Mode Without a Busy Indicator
        2. 9.4.1.2 3-Wire CS Mode With a Busy Indicator
        3. 9.4.1.3 4-Wire CS Mode Without a Busy Indicator
        4. 9.4.1.4 4-Wire CS Mode With a Busy Indicator
      2. 9.4.2 Daisy-Chain Mode
        1. 9.4.2.1 Daisy-Chain Mode Without a Busy Indicator
        2. 9.4.2.2 Daisy-Chain Mode With a Busy Indicator
  10. 10Application and Implementation
    1. 10.1 Application Information
      1. 10.1.1 ADC Reference Driver
      2. 10.1.2 ADC Input Driver
        1. 10.1.2.1 Input Amplifier Selection
        2. 10.1.2.2 Charge-Kickback Filter
    2. 10.2 Typical Applications
      1. 10.2.1 DAQ Circuit for a 1.5-µs, Full-Scale Step Response
        1. 10.2.1.1 Design Requirements
        2. 10.2.1.2 Detailed Design Procedure
      2. 10.2.2 DAQ Circuit for Lowest Distortion and Noise Performance at 680 kSPS
        1. 10.2.2.1 Design Requirements
        2. 10.2.2.2 Detailed Design Procedure
      3. 10.2.3 Ultralow-Power DAQ Circuit at 10 kSPS
        1. 10.2.3.1 Design Requirements
        2. 10.2.3.2 Detailed Design Procedure
  11. 11Power Supply Recommendations
    1. 11.1 Power-Supply Decoupling
    2. 11.2 Power Saving
  12. 12Layout
    1. 12.1 Layout Guidelines
    2. 12.2 Layout Example
  13. 13器件和文档支持
    1. 13.1 文档支持
      1. 13.1.1 相关文档
    2. 13.2 接收文档更新通知
    3. 13.3 社区资源
    4. 13.4 商标
    5. 13.5 静电放电警告
    6. 13.6 术语表
  14. 14机械、封装和可订购信息

封装选项

机械数据 (封装 | 引脚)
散热焊盘机械数据 (封装 | 引脚)
订购信息

Timing Requirements: Daisy-Chain

all specifications are at AVDD = 3 V, DVDD = 3 V, and over the operating free-air temperature range (unless otherwise noted)
MIN TYP MAX UNIT
tACQ Acquisition time 540 ns
tconv Conversion time 500 930 ns
1/fsample Time between conversions 1470 ns
tsu-CK-CNV Setup time: SCLK valid to CONVST rising edge 5 ns
th-CK-CNV Hold time: SCLK valid from CONVST rising edge 5 ns
tsu-DI-CNV Setup time: DIN low to CONVST rising edge (see Figure 2) 7.5 ns
th-DI-CNV Hold time: DIN low from CONVST rising edge (see Figure 61) 0 ns
tsu-DI-CK Setup time: DIN valid to SCLK falling edge 1.5 ns
ADS8862 tim_3wire_op_bas557.gifFigure 1. 3-Wire Operation: CONVST Functions as Chip Select

NOTE: Figure 1 shows the timing diagram for the 3-Wire CS Mode Without a Busy Indicator interface option. However, the timing parameters specified in Timing Requirements: 3-Wire Operation table are also applicable for the 3-Wire CS Mode With a Busy Indicator interface option, unless otherwise specified; see the Device Functional Modes section for specific details for each interface option.

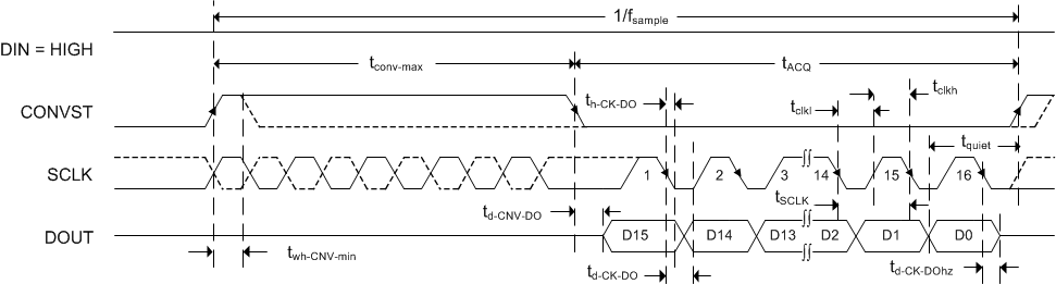
ADS8862 tim_4wire_op_bas557.gifFigure 2. 4-Wire Operation: DIN Functions as Chip Select

NOTE: Figure 2 shows the timing diagram for the 4-Wire CS Mode Without a Busy Indicator interface option. However, the timing parameters specified in Timing Requirements: 4-Wire Operation table are also applicable for the 4-Wire CS Mode With a Busy Indicator interface option, unless otherwise specified; see the Device Functional Modes section for specific details for each interface option.

ADS8862 tim_daisy_op_bas557.gifFigure 3. Daisy-Chain Operation: Two Devices

NOTE: Figure 3 shows the timing diagram for the Daisy-Chain Mode Without a Busy Indicator interface option. However, the timing parameters specified in Timing Requirements: Daisy-Chain table are also applicable for the Daisy-Chain Mode With a Busy Indicator interface option, unless otherwise specified; see the Device Functional Modes section for specific details for each interface option.