ZHCSKW7D October   2003  – February 2020 ADS1204

PRODUCTION DATA.  

  1. 特性
  2. 应用
  3. 说明
    1.     功能方框图
  4. 修订历史记录
  5. Pin Configuration and Functions
    1.     Pin Functions
  6. Specifications
    1. 6.1 Absolute Maximum Ratings
    2. 6.2 ESD Ratings
    3. 6.3 Recommended Operating Conditions
    4. 6.4 Thermal Information
    5. 6.5 Electrical Characteristics
    6. 6.6 Timing Requirements: 5.0 V
    7. 6.7 Timing Requirements: 3.0 V
    8. 6.8 Typical Characteristics
  7. Detailed Description
    1. 7.1 Overview
    2. 7.2 Functional Block Diagram
    3. 7.3 Feature Description
      1. 7.3.1 Analog Input Stage
        1. 7.3.1.1 Analog Input
        2. 7.3.1.2 Modulator
      2. 7.3.2 Digital Output
      3. 7.3.3 Equivalent Input Circuits
    4. 7.4 Device Functional Modes
  8. Application and Implementation
    1. 8.1 Application Information
      1. 8.1.1 Filter Usage
  9. Power Supply Recommendations
    1. 9.1 Power-Supply Sequencing
    2. 9.2 Power-Supply Decoupling
  10. 10Layout
    1. 10.1 Layout Guidelines
    2. 10.2 Layout Example
  11. 11器件和文档支持
    1. 11.1 接收文档更新通知
    2. 11.2 支持资源
    3. 11.3 商标
    4. 11.4 静电放电警告
    5. 11.5 Glossary
  12. 12机械、封装和可订购信息

封装选项

机械数据 (封装 | 引脚)
散热焊盘机械数据 (封装 | 引脚)
订购信息

Overview

The ADS1204 is a four-channel, second-order, CMOS device with four delta-sigma (ΔΣ) modulators, designed for medium- to high-resolution A/D signal conversions from dc to 39 kHz (filter response –3 dB) if an oversampling ratio (OSR) of 64 is chosen. The output of the converter (OUTX) provides a stream of digital ones and zeros. The time average of this serial output is proportional to the analog input voltage.

The modulator shifts the quantization noise to high frequencies. A low-pass digital filter should be used at the output of the ΔΣ modulator. The filter serves two functions. First, it filters out high-frequency noise. Second, the filter converts the 1-bit data stream at a high sampling rate into a higher-bit data word at a lower rate (decimation).

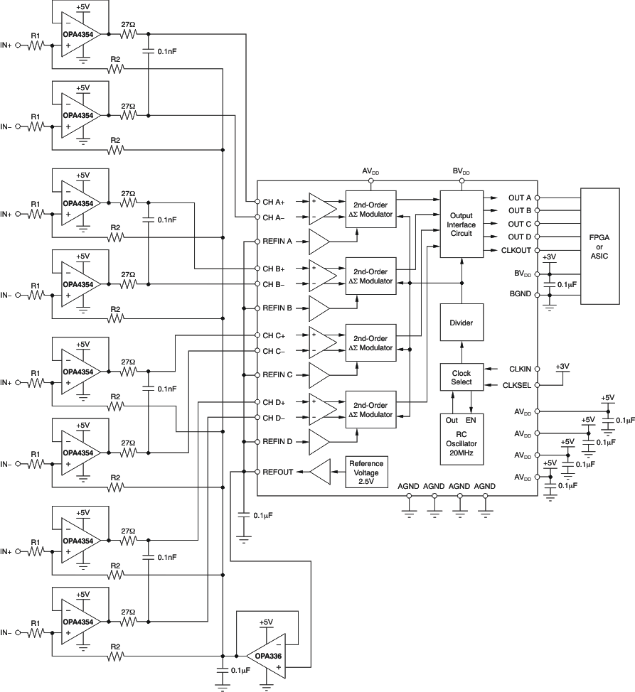
An application-specific integrated circuit (ASIC) or field-programmable gate array (FPGA) could be used to implement the digital filter. Figure 26 and Figure 27 illustrate typical application circuits with the ADS1204 connected to an FPGA.

The overall performance (that is, speed and accuracy) depends on the selection of an appropriate OSR and filter type. A higher OSR produces greater output accuracy while operating at a lower refresh rate. Alternatively, a lower OSR produces lower output accuracy, but operates at a higher refresh rate. This system allows flexibility with the digital filter design and is capable of A/D conversion results that have a dynamic range exceeding 100 dB with an OSR equal to 256.

ADS1204 ai_dsmod_1end_bas301.gifFigure 26. Single-Ended Connection Diagram for the ADS1204 ΔΣ Modulator
ADS1204 ai_dsmod_diff_bas301.gifFigure 27. Differential Connection Diagram for the ADS1204 ΔΣ Modulator