ZHCSPO2 September   2023 ADC32RF52

PRODUCTION DATA  

  1.   1
  2. 特性
  3. 应用
  4. 说明
  5. Revision History
  6. Pin Configuration and Functions
  7. Specifications
    1. 6.1  Absolute Maximum Ratings
    2. 6.2  ESD Ratings
    3. 6.3  Recommended Operating Conditions
    4. 6.4  Thermal Information
    5. 6.5  Electrical Characteristics - Power Consumption
    6. 6.6  Electrical Characteristics - DC Specifications
    7. 6.7  Electrical Characteristics - AC Specifications (Dither DISABLED)
    8. 6.8  Electrical Characteristics - AC Specifications (Dither ENABLED)
    9. 6.9  Timing Requirements
    10. 6.10 Typical Characteristics
  8. Detailed Description
    1. 7.1 Overview
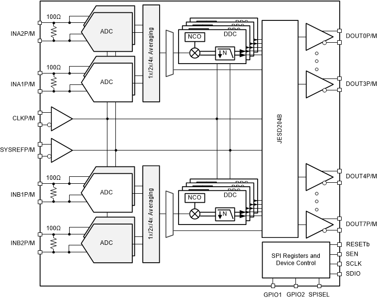
    2. 7.2 功能方框图
    3. 7.3 Feature Description
      1. 7.3.1 Analog Inputs
        1. 7.3.1.1 Input Bandwidth and Full-Scale
        2. 7.3.1.2 Input Imbalance
        3. 7.3.1.3 Overrange Indication
        4. 7.3.1.4 Analog out-of-band dither
      2. 7.3.2 Sampling Clock Input
      3. 7.3.3 SYSREF
        1. 7.3.3.1 SYSREF Capture Detection
      4. 7.3.4 ADC Foreground Calibration
        1. 7.3.4.1 Calibration Control
        2. 7.3.4.2 ADC Switch
        3. 7.3.4.3 Calibration Configuration
      5. 7.3.5 Decimation Filter
        1. 7.3.5.1 Decimation Filter Response
        2. 7.3.5.2 Decimation Filter Configuration
        3. 7.3.5.3 20-bit Output Mode
        4. 7.3.5.4 Dynamic Switching
          1. 7.3.5.4.1 2 Lane Mode
          2. 7.3.5.4.2 1 Lane Mode
        5. 7.3.5.5 Numerically Controlled Oscillator (NCO)
        6. 7.3.5.6 NCO Frequency Programming
        7. 7.3.5.7 Fast Frequency Hopping
          1. 7.3.5.7.1 Fast frequency hopping using the GPIO1/2 pins
          2. 7.3.5.7.2 Fast frequency hopping using GPIO1/2, SEN and SDATA pins
          3. 7.3.5.7.3 Fast frequency hopping using the fast SPI
      6. 7.3.6 JESD204B Interface
        1. 7.3.6.1 JESD204B Initial Lane Alignment (ILA)
          1. 7.3.6.1.1 SYNC Signal
        2. 7.3.6.2 JESD204B Frame Assembly
        3. 7.3.6.3 JESD204B Frame Assembly in Bypass Mode
        4. 7.3.6.4 JESD204B Frame Assembly with Complex Decimation - Single Band
        5. 7.3.6.5 JESD204B Frame Assembly with Complex Decimation - Dual Band
        6. 7.3.6.6 JESD204B Frame Assembly with Complex Decimation - Quad Band
      7. 7.3.7 SERDES Output MUX
      8. 7.3.8 Test Pattern
        1. 7.3.8.1 Transport Layer
        2. 7.3.8.2 Link Layer
        3. 7.3.8.3 Internal Capture Memory Buffer
    4. 7.4 Device Functional Modes
      1. 7.4.1 Digital Averaging
    5. 7.5 Programming
      1. 7.5.1 GPIO Pin Control
      2. 7.5.2 Configuration using the SPI interface
        1. 7.5.2.1 Register Write
        2. 7.5.2.2 Register Read
    6. 7.6 Register Maps
      1. 7.6.1 Detailed Register Description
  9. Application and Implementation
    1. 8.1 Application Information
    2. 8.2 Typical Applications
      1. 8.2.1 Wideband RF Sampling Receiver
        1. 8.2.1.1 Design Requirements
          1. 8.2.1.1.1 Input Signal Path
          2. 8.2.1.1.2 Clocking
        2. 8.2.1.2 Detailed Design Procedure
          1. 8.2.1.2.1 Sampling Clock
        3. 8.2.1.3 Application Curves
    3. 8.3 Initialization Set Up
      1. 8.3.1 Initial Device Configuration After Power-Up
        1. 8.3.1.1  STEP 1: RESET
        2. 8.3.1.2  STEP 2: Device Configuration
        3. 8.3.1.3  STEP 3: JESD Interface Configuration (1)
        4. 8.3.1.4  STEP 4: SYSREF Synchronization
        5. 8.3.1.5  STEP 5: JESD Interface Configuration (2)
        6. 8.3.1.6  STEP 6: Analog Trim Settings
        7. 8.3.1.7  STEP 7: Calibration Configuration
        8. 8.3.1.8  STEP 8: SYSREF Synchronization
        9. 8.3.1.9  STEP 9: Run Power up Calibration
        10. 8.3.1.10 STEP 10: JESD Interface Synchronization
    4. 8.4 Power Supply Recommendations
    5. 8.5 Layout
      1. 8.5.1 Layout Guidelines
      2. 8.5.2 Layout Example
  10. Device and Documentation Support
    1. 9.1 接收文档更新通知
    2. 9.2 支持资源
    3. 9.3 Trademarks
    4. 9.4 静电放电警告
    5. 9.5 术语表
  11. 10Mechanical, Packaging, and Orderable Information

封装选项

机械数据 (封装 | 引脚)
散热焊盘机械数据 (封装 | 引脚)
订购信息

说明

ADC32RF52 是一款单核 14 位、1.5GSPS 双通道模数转换器 (ADC),支持输入频率高达 2GHz 的射频采样。该设计更大限度地提高了信噪比 (SNR) 并提供 -153dBFS/Hz 的噪声频谱密度。使用额外的内部 ADC 以及片上信号平均,噪声密度提高到 -156dBFS/Hz (2x AVG) 和 -159dBFS/Hz (4x AVG)。

每个 ADC 通道都可以使用支持相位同调的 48 位 NCO 连接到四频带数字下变频器 (DDC)。使用 GPIO 引脚进行 NCO 频率控制,可以在不到 1µs 的时间内实现跳频。

ADC32RF52 支持具有子类 1 确定性延时的 JESD204B 串行数据接口,使用高达 13Gbps 的数据速率。

高能效 ADC 架构在 1.5Gsps 时的功耗为 1.4W/通道,并以较低的采样率提供功率调节。

封装信息
器件型号封装(1)封装尺寸(2)
ADC32RF52QFN (64)9mm × 9mm
如需了解所有可用封装,请参阅数据表末尾的封装选项附录。
封装尺寸(长 × 宽)为标称值,并包括引脚(如适用)。
表 3-1 器件比较
器件型号采样率
ADC32RF553GSPS
ADC32RF542.6GSPS
ADC32RF521.5GSPS
GUID-8755E7CB-AA45-4ED0-996B-6B03CE3C7F62-low.gif方框图