ZHCSPO2 September   2023 ADC32RF52

PRODUCTION DATA  

  1.   1
  2. 特性
  3. 应用
  4. 说明
  5. Revision History
  6. Pin Configuration and Functions
  7. Specifications
    1. 6.1  Absolute Maximum Ratings
    2. 6.2  ESD Ratings
    3. 6.3  Recommended Operating Conditions
    4. 6.4  Thermal Information
    5. 6.5  Electrical Characteristics - Power Consumption
    6. 6.6  Electrical Characteristics - DC Specifications
    7. 6.7  Electrical Characteristics - AC Specifications (Dither DISABLED)
    8. 6.8  Electrical Characteristics - AC Specifications (Dither ENABLED)
    9. 6.9  Timing Requirements
    10. 6.10 Typical Characteristics
  8. Detailed Description
    1. 7.1 Overview
    2. 7.2 功能方框图
    3. 7.3 Feature Description
      1. 7.3.1 Analog Inputs
        1. 7.3.1.1 Input Bandwidth and Full-Scale
        2. 7.3.1.2 Input Imbalance
        3. 7.3.1.3 Overrange Indication
        4. 7.3.1.4 Analog out-of-band dither
      2. 7.3.2 Sampling Clock Input
      3. 7.3.3 SYSREF
        1. 7.3.3.1 SYSREF Capture Detection
      4. 7.3.4 ADC Foreground Calibration
        1. 7.3.4.1 Calibration Control
        2. 7.3.4.2 ADC Switch
        3. 7.3.4.3 Calibration Configuration
      5. 7.3.5 Decimation Filter
        1. 7.3.5.1 Decimation Filter Response
        2. 7.3.5.2 Decimation Filter Configuration
        3. 7.3.5.3 20-bit Output Mode
        4. 7.3.5.4 Dynamic Switching
          1. 7.3.5.4.1 2 Lane Mode
          2. 7.3.5.4.2 1 Lane Mode
        5. 7.3.5.5 Numerically Controlled Oscillator (NCO)
        6. 7.3.5.6 NCO Frequency Programming
        7. 7.3.5.7 Fast Frequency Hopping
          1. 7.3.5.7.1 Fast frequency hopping using the GPIO1/2 pins
          2. 7.3.5.7.2 Fast frequency hopping using GPIO1/2, SEN and SDATA pins
          3. 7.3.5.7.3 Fast frequency hopping using the fast SPI
      6. 7.3.6 JESD204B Interface
        1. 7.3.6.1 JESD204B Initial Lane Alignment (ILA)
          1. 7.3.6.1.1 SYNC Signal
        2. 7.3.6.2 JESD204B Frame Assembly
        3. 7.3.6.3 JESD204B Frame Assembly in Bypass Mode
        4. 7.3.6.4 JESD204B Frame Assembly with Complex Decimation - Single Band
        5. 7.3.6.5 JESD204B Frame Assembly with Complex Decimation - Dual Band
        6. 7.3.6.6 JESD204B Frame Assembly with Complex Decimation - Quad Band
      7. 7.3.7 SERDES Output MUX
      8. 7.3.8 Test Pattern
        1. 7.3.8.1 Transport Layer
        2. 7.3.8.2 Link Layer
        3. 7.3.8.3 Internal Capture Memory Buffer
    4. 7.4 Device Functional Modes
      1. 7.4.1 Digital Averaging
    5. 7.5 Programming
      1. 7.5.1 GPIO Pin Control
      2. 7.5.2 Configuration using the SPI interface
        1. 7.5.2.1 Register Write
        2. 7.5.2.2 Register Read
    6. 7.6 Register Maps
      1. 7.6.1 Detailed Register Description
  9. Application and Implementation
    1. 8.1 Application Information
    2. 8.2 Typical Applications
      1. 8.2.1 Wideband RF Sampling Receiver
        1. 8.2.1.1 Design Requirements
          1. 8.2.1.1.1 Input Signal Path
          2. 8.2.1.1.2 Clocking
        2. 8.2.1.2 Detailed Design Procedure
          1. 8.2.1.2.1 Sampling Clock
        3. 8.2.1.3 Application Curves
    3. 8.3 Initialization Set Up
      1. 8.3.1 Initial Device Configuration After Power-Up
        1. 8.3.1.1  STEP 1: RESET
        2. 8.3.1.2  STEP 2: Device Configuration
        3. 8.3.1.3  STEP 3: JESD Interface Configuration (1)
        4. 8.3.1.4  STEP 4: SYSREF Synchronization
        5. 8.3.1.5  STEP 5: JESD Interface Configuration (2)
        6. 8.3.1.6  STEP 6: Analog Trim Settings
        7. 8.3.1.7  STEP 7: Calibration Configuration
        8. 8.3.1.8  STEP 8: SYSREF Synchronization
        9. 8.3.1.9  STEP 9: Run Power up Calibration
        10. 8.3.1.10 STEP 10: JESD Interface Synchronization
    4. 8.4 Power Supply Recommendations
    5. 8.5 Layout
      1. 8.5.1 Layout Guidelines
      2. 8.5.2 Layout Example
  10. Device and Documentation Support
    1. 9.1 接收文档更新通知
    2. 9.2 支持资源
    3. 9.3 Trademarks
    4. 9.4 静电放电警告
    5. 9.5 术语表
  11. 10Mechanical, Packaging, and Orderable Information

封装选项

机械数据 (封装 | 引脚)
散热焊盘机械数据 (封装 | 引脚)
订购信息

Sampling Clock Input

The internal sampling clock path was designed for lowest residual phase noise contribution. The sampling clock circuitry requires a dedicated low noise power supply for best performance. The internal residual clock phase noise is also sensitive to clock amplitude and for best performance the clock amplitude should be larger than
1 VPP.

Table 7-7 Internal Aperture Clock Phase Noise
(FS = 1.5 Gsps, VIN = 1 VPP)
Frequency Offset (MHz)Amplitude (dBc/Hz)
0.001-123
0.01-133
0.1-143
1-152
10-157
250-160

The clock input and ADC sampling circuitry also have an amplitude noise component which modulates on to the sampled input signal. Unlike phase noise, the amplitude noise does not scale with input frequency as shown in Figure 7-8. This noise component can dominate the close in noise performance at lower input frequencies.

GUID-20230216-SS0I-HGQB-L7WJ-3Q81QT8NBTGG-low.svgFigure 7-8 Amplitude Noise

The internal aperture jitter is also dependent on the amplitude of the external clock input signal. Figure 7-9 and Figure 7-10 show the expected SNR performance with dither on/off across clock amplitude.

GUID-20230815-SS0I-DPNK-3GV8-RLB2JS61WXND-low.svgFigure 7-9 SNR vs Clock Amplitude (FIN = 900 MHz)
GUID-20230215-SS0I-FQKM-VLBS-SKQFL8QF1GKM-low.svgFigure 7-10 SNR vs Clock Amplitude (FIN = 1800 MHz)

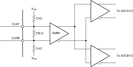
The sampling clock input is internally terminated to 100 Ω differentially and provides a return loss better than 10 dB (see Figure 7-11). The clock input consists of a single clock input buffer followed by a dedicated clock buffer for ADCA1/2 as well as ADCB1/2. When averaging multiple ADCs, there are some close in clock buffer noise which is correlated; and thus, does not improve with averaging.

GUID-08645406-B9B2-4CE9-A659-F496223D5C33-low.gifFigure 7-11 Clock Input Internal Circuitry