ZHCSD67C July   2014  – March 2016 ADC3241 , ADC3242 , ADC3243 , ADC3244

PRODUCTION DATA.  

  1. 特性
  2. 应用
  3. 说明
  4. 修订历史记录
  5. Device Comparison Table
  6. Pin Configuration and Functions
  7. Specifications
    1. 7.1  Absolute Maximum Ratings
    2. 7.2  ESD Ratings
    3. 7.3  Recommended Operating Conditions
    4. 7.4  Thermal Information
    5. 7.5  Electrical Characteristics: ADC3241, ADC3242
    6. 7.6  Electrical Characteristics: ADC3243, ADC3244
    7. 7.7  Electrical Characteristics: General
    8. 7.8  AC Performance: ADC3241
    9. 7.9  AC Performance: ADC3242
    10. 7.10 AC Performance: ADC3243
    11. 7.11 AC Performance: ADC3244
    12. 7.12 Digital Characteristics
    13. 7.13 Timing Requirements: General
    14. 7.14 Timing Requirements: LVDS Output
    15. 7.15 Typical Characteristics: ADC3241
    16. 7.16 Typical Characteristics: ADC3242
    17. 7.17 Typical Characteristics: ADC3243
    18. 7.18 Typical Characteristics: ADC3244
    19. 7.19 Typical Characteristics: Common
    20. 7.20 Typical Characteristics: Contour
  8. Parameter Measurement Information
    1. 8.1 Timing Diagrams
  9. Detailed Description
    1. 9.1 Overview
    2. 9.2 Functional Block Diagram
    3. 9.3 Feature Description
      1. 9.3.1 Analog Inputs
      2. 9.3.2 Clock Input
        1. 9.3.2.1 SNR and Clock Jitter
      3. 9.3.3 Digital Output Interface
        1. 9.3.3.1 One-Wire Interface: 14x Serialization
        2. 9.3.3.2 Two-Wire Interface: 7x Serialization
    4. 9.4 Device Functional Modes
      1. 9.4.1 Input Clock Divider
      2. 9.4.2 Chopper Functionality
      3. 9.4.3 Power-Down Control
        1. 9.4.3.1 Improving Wake-Up Time From Global Power-Down
      4. 9.4.4 Internal Dither Algorithm
    5. 9.5 Programming
      1. 9.5.1 Serial Interface
        1. 9.5.1.1 Register Initialization
          1. 9.5.1.1.1 Serial Register Write
          2. 9.5.1.1.2 Serial Register Readout
      2. 9.5.2 Register Initialization
    6. 9.6 Register Maps
      1. 9.6.1 Summary of Special Mode Registers
      2. 9.6.2 Serial Register Description
        1. 9.6.2.1  Register 01h
        2. 9.6.2.2  Register 03h
        3. 9.6.2.3  Register 04h
        4. 9.6.2.4  Register 05h
        5. 9.6.2.5  Register 06h
        6. 9.6.2.6  Register 07h
        7. 9.6.2.7  Register 09h
        8. 9.6.2.8  Register 0Ah
        9. 9.6.2.9  Register 0Bh
        10. 9.6.2.10 Register 0Eh
        11. 9.6.2.11 Register 0Fh
        12. 9.6.2.12 Register 13h (address = 13h)
        13. 9.6.2.13 Register 15h
        14. 9.6.2.14 Register 25h
        15. 9.6.2.15 Register 27h
        16. 9.6.2.16 Register 41Dh
        17. 9.6.2.17 Register 422h
        18. 9.6.2.18 Register 434h
        19. 9.6.2.19 Register 439h
        20. 9.6.2.20 Register 51Dh
        21. 9.6.2.21 Register 522h
        22. 9.6.2.22 Register 534h
        23. 9.6.2.23 Register 539h
        24. 9.6.2.24 Register 608h
        25. 9.6.2.25 Register 70Ah
  10. 10Applications and Implementation
    1. 10.1 Application Information
    2. 10.2 Typical Applications
      1. 10.2.1 Driving Circuit Design: Low Input Frequencies
        1. 10.2.1.1 Design Requirements
        2. 10.2.1.2 Detailed Design Procedure
        3. 10.2.1.3 Application Curve
      2. 10.2.2 Driving Circuit Design: Input Frequencies Between 100 MHz to 230 MHz
        1. 10.2.2.1 Design Requirements
        2. 10.2.2.2 Detailed Design Procedure
        3. 10.2.2.3 Application Curve
      3. 10.2.3 Driving Circuit Design: Input Frequencies Greater than 230 MHz
        1. 10.2.3.1 Design Requirements
        2. 10.2.3.2 Detailed Design Procedure
        3. 10.2.3.3 Application Curve
  11. 11Power-Supply Recommendations
  12. 12Layout
    1. 12.1 Layout Guidelines
    2. 12.2 Layout Example
  13. 13器件和文档支持
    1. 13.1 相关链接
    2. 13.2 社区资源
    3. 13.3 商标
    4. 13.4 静电放电警告
    5. 13.5 Glossary
  14. 14机械、封装和可订购信息

封装选项

机械数据 (封装 | 引脚)
散热焊盘机械数据 (封装 | 引脚)
订购信息

10 Applications and Implementation

NOTE

Information in the following applications sections is not part of the TI component specification, and TI does not warrant its accuracy or completeness. TI’s customers are responsible for determining suitability of components for their purposes. Customers should validate and test their design implementation to confirm system functionality.

10.1 Application Information

Typical applications involving transformer coupled circuits are discussed in this section. Transformers (such as ADT1-1WT or WBC1-1) can be used up to 250 MHz to achieve good phase and amplitude balances at ADC inputs. While designing the dc driving circuits, the ADC input impedance must be considered. Figure 176 and Figure 177 show the impedance (Zin = Rin || Cin) across the ADC input pins.

ADC3241 ADC3242 ADC3243 ADC3244 D024_BAS671.gif Figure 176. Differential Input Resistance (RIN)
ADC3241 ADC3242 ADC3243 ADC3244 D025_BAS671.gif Figure 177. Differential Input Capacitance (CIN)

10.2 Typical Applications

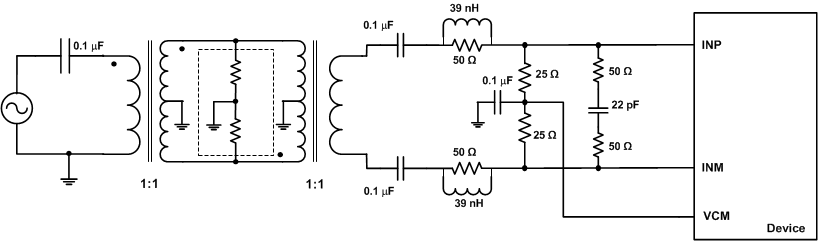
10.2.1 Driving Circuit Design: Low Input Frequencies

ADC3241 ADC3242 ADC3243 ADC3244 Drv_Crct_Lw_Inpt_Freq_BAS663.gif Figure 178. Driving Circuit for Low Input Frequencies

10.2.1.1 Design Requirements

For optimum performance, the analog inputs must be driven differentially. An optional 5-Ω to 15-Ω resistor in series with each input pin can be kept to damp out ringing caused by package parasitic. The drive circuit may have to be designed to minimize the impact of kick-back noise generated by sampling switches opening and closing inside the ADC, as well as ensuring low insertion loss over the desired frequency range and matched impedance to the source.

10.2.1.2 Detailed Design Procedure

A typical application involving using two back-to-back coupled transformers is shown in Figure 178. The circuit is optimized for low input frequencies. An external R-C-R filter using 50-Ω resistors and a 22-pF capacitor is used with the series inductor (39 nH), this combination helps absorb the sampling glitches.

10.2.1.3 Application Curve

Figure 179 shows the performance obtained by using circuit shown in Figure 178.

ADC3241 ADC3242 ADC3243 ADC3244 D101_SBAS671.gif
SFDR = 102.6 dBc, SNR = 72.9 dBFS, SINAD = 72.8 dBFS,
THD = 99.8 dBc, HD2 = –108.6 dBc, HD3 = –104.0 dBc
Figure 179. Performance FFT at 10 MHz (Low Input Frequency)

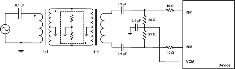
10.2.2 Driving Circuit Design: Input Frequencies Between 100 MHz to 230 MHz

ADC3241 ADC3242 ADC3243 ADC3244 Drv_Crct_Md_Inpt_Freq_BAS663.gif Figure 180. Driving Circuit for Mid-Range Input Frequencies (100 MHz < fIN < 230 MHz)

10.2.2.1 Design Requirements

See the Design Requirements section for further details.

10.2.2.2 Detailed Design Procedure

When input frequencies are between 100 MHz to 230 MHz, an R-LC-R circuit can be used to optimize performance, as shown in Figure 180.

10.2.2.3 Application Curve

Figure 181 shows the performance obtained by using circuit shown in Figure 180.

ADC3241 ADC3242 ADC3243 ADC3244 D105_SBAS671.gif
SFDR = 96.4 dBc, SNR = 72.1 dBFS, SINAD = 72.0 dBFS,
THD = 92.6 dBc, HD2 = –96.4 dBc, HD3 = –98.8 dBc
Figure 181. Performance FFT at 170 MHz (Mid Input Frequency)

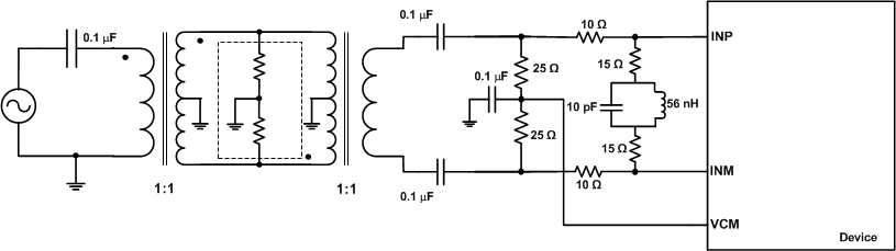
10.2.3 Driving Circuit Design: Input Frequencies Greater than 230 MHz

ADC3241 ADC3242 ADC3243 ADC3244 Drv_Crct_Hg_Inpt_Freq_BAS663.gif Figure 182. Driving Circuit for High input Frequencies ( fIN > 230 MHz)

10.2.3.1 Design Requirements

See the Design Requirements section for further details.

10.2.3.2 Detailed Design Procedure

For high input frequencies (> 230 MHz), using the R-C-R or R-LC-R circuit does not show significant improvement in performance. However, a series resistance of 10 Ω can be used as shown in Figure 182.

10.2.3.3 Application Curve

Figure 183 shows the performance obtained by using circuit shown in Figure 182.

ADC3241 ADC3242 ADC3243 ADC3244 D109_SBAS671.gif
SFDR = 76.2 dBc, SNR = 68.3 dBFS, SINAD = 67.5 dBFS,
THD = 74.3 dBc, HD2 = –76.2 dBc, HD3 = –79.2 dBc
Figure 183. Performance FFT at 450 MHz (High Input Frequency)