SLUSA29D April   2010  – August 2015 UCC28250

PRODUCTION DATA.  

  1. Features
  2. Applications
  3. Description
  4. Revision History
  5. Pin Configuration and Functions
  6. Specifications
    1. 6.1 Absolute Maximum Ratings
    2. 6.2 ESD Ratings
    3. 6.3 Recommended Operating Conditions
    4. 6.4 Thermal Information
    5. 6.5 Electrical Characteristics
    6. 6.6 Typical Characteristics
  7. Detailed Description
    1. 7.1 Overview
    2. 7.2 Functional Block Diagram
    3. 7.3 Feature Description
      1. 7.3.1  VDD (5/12)
      2. 7.3.2  VREF (Reference Generator) (20/7)
      3. 7.3.3  EN (Enable Pin) (18/5)
      4. 7.3.4  RT (Oscillator Frequency Set and Synchronization) (15/2)
      5. 7.3.5  SP (Synchronous Rectifier Turnoff to Primary Output Turnon Dead Time Programming) (13/19)
      6. 7.3.6  PS (Primary Output Turnoff to Synchronous Rectifier Turnon Dead Time Programming) (11/18)
      7. 7.3.7  RAMP/CS (PWM Ramp Input or Current Sense Input) (16/3)
        1. 7.3.7.1 RAMP: Voltage Mode Control With Feed-Forward Operation
        2. 7.3.7.2 CS: Current Mode Control
      8. 7.3.8  REF/EA+ (1/8)
      9. 7.3.9  FB/EA- (2/9)
      10. 7.3.10 COMP (3/10)
      11. 7.3.11 VSENSE (14/1)
      12. 7.3.12 SS (Soft Start Programming Pin) (13/20)
      13. 7.3.13 ILIM (Current Limit for Cycle-By-Cycle Overcurrent Protection) (17/4)
      14. 7.3.14 HICC (10/17)
      15. 7.3.15 OVP/OTP (19/6)
      16. 7.3.16 OUTA (9/16) and OUTB (8/15)
      17. 7.3.17 SRA (7/14) and SRB (6/13)
      18. 7.3.18 GND (4/11)
    4. 7.4 Device Functional Modes
  8. Applications and Implementation
    1. 8.1 Application Information
      1. 8.1.1 Error Amplifier and PWM Generation
      2. 8.1.2 Prebiased Start-Up
        1. 8.1.2.1 Secondary-Side Control
        2. 8.1.2.2 Primary-Side Control
        3. 8.1.2.3 Voltage Mode Control and Input Voltage Feed-Forward
          1. 8.1.2.3.1 Condition 1
          2. 8.1.2.3.2 Condition 2
          3. 8.1.2.3.3 Condition 3
        4. 8.1.2.4 Peak Current Mode Control
        5. 8.1.2.5 Cycle-by-Cycle Current Limit and Hiccup Mode Protection
    2. 8.2 Typical Applications
      1. 8.2.1 Design Example
        1. 8.2.1.1 Design Requirements
        2. 8.2.1.2 Detailed Design Procedure
          1. 8.2.1.2.1 Step 1, Power Stage Design
          2. 8.2.1.2.2 Step 2, Feedback Loop Design
          3. 8.2.1.2.3 Step 3, Programming the Device
            1. 8.2.1.2.3.1 Step 3-1
            2. 8.2.1.2.3.2 Step 3-2, Determine RAMP Resistance and Capacitance
          4. 8.2.1.2.4 Step 3-3, Determine Soft-Start Capacitance
          5. 8.2.1.2.5 Step 3-4, Determine Dead-Time Resistance
          6. 8.2.1.2.6 Step 3-5, Determine OCP Hiccup Off-Time Capacitance
          7. 8.2.1.2.7 Step 3-6, Determine Primary-Side OVP Resistance
          8. 8.2.1.2.8 Step 3-7, Select Capacitance for VDD and VREF
        3. 8.2.1.3 Application Curves
      2. 8.2.2 Secondary-Side Half-Bridge Controller with Synchronous Rectification
  9. Power Supply Recommendations
  10. 10Layout
    1. 10.1 Layout Guidelines
    2. 10.2 Layout Example
    3. 10.3 Thermal Protection
  11. 11Device and Documentation Support
    1. 11.1 Documentation Support
      1. 11.1.1 Related Documentation
    2. 11.2 Community Resources
    3. 11.3 Trademarks
    4. 11.4 Electrostatic Discharge Caution
    5. 11.5 Glossary
  12. 12Mechanical, Packaging, and Orderable Information

封装选项

机械数据 (封装 | 引脚)
散热焊盘机械数据 (封装 | 引脚)
订购信息

Features

  • Prebiased Start-up
  • Synchronous Rectifier Control Outputs With Programmable Delays (Including Zero Delay Support)
  • Voltage Mode Control With Input Voltage Feed-Forward or Current Mode Control
  • Primary or Secondary-Side Control
  • 3.3-V, 1.5% Accurate Reference Output
  • 1-MHz Capable Switching Frequency
  • 1% Accurate Cycle-by-Cycle Overcurrent Protection with Matched Duty Cycle Outputs
  • Programmable Soft-Start and Hiccup Restart Timer
  • Thermally Enhanced 4-mm × 4-mm QFN-20 Package and 20-pin TSSOP Package

Applications

  • Half-Bridge, Full-Bridge, Interleaved Forward, and Push-Pull Isolated Converters
  • Telecom and Data-com Power
  • Wireless Base Station Power
  • Server Power
  • Industrial Power Systems

Description

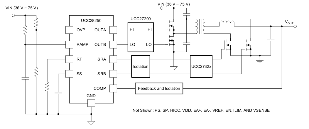
The UCC28250 PWM controller is designed for high power density applications that may have stringent prebiased start-up requirements. The integrated synchronous rectifier control outputs target high-efficiency and high-performance topologies such as half-bridge, full-bridge, interleaved forward, and push-pull. The UCC27200 half-bridge drivers and UCC2732X MOSFET drivers used in conjunction with the UCC28250 provide a complete power converter solution.

Externally programmable soft-start, used in conjunction with an internal prebiased start-up circuit, allows the controller to gradually reach a steady-state operating point under all output conditions. The UCC28250 can be configured for primary or secondary-side control and either voltage or current mode control can be implemented.

The oscillator operates at frequencies up to 2 MHz, and can be synchronized to an external clock. Input voltage feedforward, cycle-by-cycle current limit, and a programmable hiccup timer allow the system to stay within a safe operation range. Input voltage, output voltage and temperature protection can be implemented. Dead time between primary-side switch and secondary-side synchronous rectifiers can be independently programmed.

Device Information(1)

PART NUMBER PACKAGE BODY SIZE (NOM)
UCC28250 TSSOP (20) 6.50 mm × 4.40 mm
VQFN (20) 4.00 mm × 3.50 mm
  1. For all available packages, see the orderable addendum at the end of the data sheet.

Simplified Application Diagram

UCC28250 alt_lusa29.gif