ZHCSGL9A July   2016  – May 2017 TPS65381A-Q1

PRODUCTION DATA.  

  1. 器件概述
    1. 1.1 特性
    2. 1.2 应用
    3. 1.3 说明
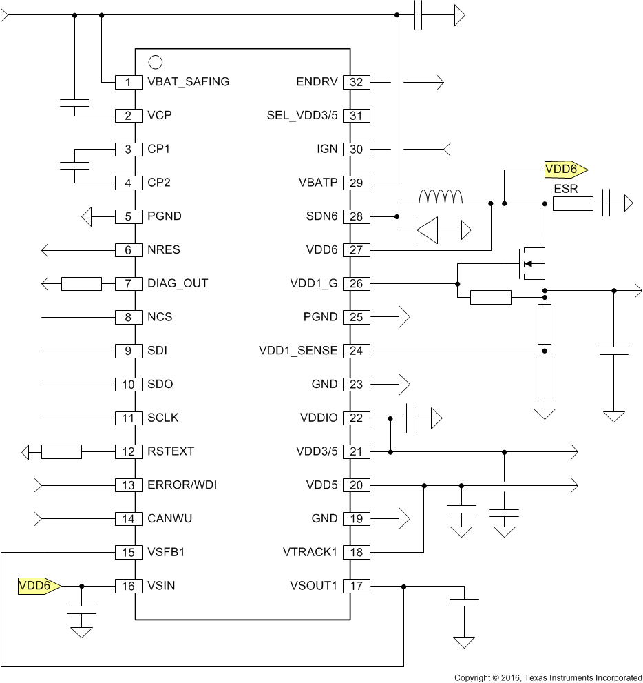
    4. 1.4 典型应用图
  2. 修订历史记录
  3. 引脚配置和功能
  4. 规格
    1. 4.1 绝对最大额定值
    2. 4.2 ESD 额定值
    3. 4.3 建议运行条件
    4. 4.4 热性能信息
    5. 4.5 电气特性
    6. 4.6 时序要求
    7. 4.7 开关特性
    8. 4.8 典型特性
  5. 详细 说明
    1. 5.1 概述
    2. 5.2 功能框图
    3. 5.3 功能 说明
      1. 5.3.1 VDD6 降压开关模式电源
      2. 5.3.2 VDD5 线性稳压器
      3. 5.3.3 VDD3/5 线性稳压器
      4. 5.3.4 VDD1 线性稳压器
      5. 5.3.5 VSOUT1 线性稳压器
      6. 5.3.6 电荷泵
      7. 5.3.7 唤醒
      8. 5.3.8 复位延长
    4. 5.4 器件功能模式
      1. 5.4.1  上电和断电行为
      2. 5.4.2  安全功能和诊断概述
      3. 5.4.3  电压监控器 (VMON)
      4. 5.4.4  TPS65381A-Q1 内部错误信号
      5. 5.4.5  时钟丢失监控器 (LCMON)
      6. 5.4.6  模拟内置自检 (ABIST)
      7. 5.4.7  逻辑内置自检 (LBIST)
      8. 5.4.8  结温监控和电流限制
      9. 5.4.9  诊断多路复用器和诊断输出引脚 (DIAG_OUT)
        1. 5.4.9.1 模拟多路复用器 (AMUX)
        2. 5.4.9.2 数字多路复用器 (DMUX)
        3. 5.4.9.3 诊断多路复用器输出状态(通过 MUX_OUT 位)
        4. 5.4.9.4 多路复用器互连检查
      10. 5.4.10 看门狗计时器 (WD)
      11. 5.4.11 看门狗失效计数器、状态和失效事件
      12. 5.4.12 看门狗序列
      13. 5.4.13 MCU 与看门狗的同步
      14. 5.4.14 触发模式(默认模式)
      15. 5.4.15 Q&A 模式
        1. 5.4.15.1 看门狗 Q&A 相关定义
        2. 5.4.15.2 Q&A 模式下的看门狗序列
        3. 5.4.15.3 问题(令牌)生成
        4. 5.4.15.4 应答比较和参考应答
          1. 5.4.15.4.1 2 位看门狗应答计数器的序列
        5. 5.4.15.5 看门狗 Q&A 模式序列事件和 WD_STATUS 寄存器更新
      16. 5.4.16 MCU 错误信号监控器 (MCU ESM)
        1. 5.4.16.1 TMS570 模式
        2. 5.4.16.2 PWM 模式
      17. 5.4.17 器件配置寄存器保护
      18. 5.4.18 启用和复位驱动器电路
      19. 5.4.19 器件运行状态
      20. 5.4.20 待机状态
      21. 5.4.21 复位状态
      22. 5.4.22 诊断状态
      23. 5.4.23 活动状态
      24. 5.4.24 安全状态
      25. 5.4.25 状态转换优先级
      26. 5.4.26 上电复位 (NPOR)
    5. 5.5 寄存器映射
      1. 5.5.1 串行外设接口 (SPI)
        1. 5.5.1.1 SPI 命令传输阶段
        2. 5.5.1.2 SPI 数据传输阶段
        3. 5.5.1.3 器件状态标志字节响应
        4. 5.5.1.4 器件 SPI 数据响应
        5. 5.5.1.5 SPI 帧概览
      2. 5.5.2 SPI 寄存器写入访问锁定(SW_LOCK 命令)
      3. 5.5.3 SPI 寄存器(SPI 映射响应)
        1. 5.5.3.1 器件版本和 ID
          1. 5.5.3.1.1 DEV_REV 寄存器
          2. 5.5.3.1.2 DEV_ID 寄存器
        2. 5.5.3.2 器件状态
          1. 5.5.3.2.1 DEV_STAT 寄存器
        3. 5.5.3.3 器件配置
          1. 5.5.3.3.1 DEV_CFG1 寄存器
          2. 5.5.3.3.2 DEV_CFG2 寄存器
      4. 5.5.4 器件安全状态和控制寄存器
        1. 5.5.4.1  VMON_STAT_1 寄存器
        2. 5.5.4.2  VMON_STAT_2 寄存器
        3. 5.5.4.3  SAFETY_STAT_1 寄存器
        4. 5.5.4.4  SAFETY_STAT_2 寄存器
        5. 5.5.4.5  SAFETY_STAT_3 寄存器
        6. 5.5.4.6  SAFETY_STAT_4 寄存器
        7. 5.5.4.7  SAFETY_STAT_5 寄存器
        8. 5.5.4.8  SAFETY_ERR_CFG 寄存器
        9. 5.5.4.9  SAFETY_BIST_CTRL 寄存器
        10. 5.5.4.10 SAFETY_CHECK_CTRL 寄存器
        11. 5.5.4.11 SAFETY_FUNC_CFG 寄存器
        12. 5.5.4.12 SAFETY_ERR_STAT 寄存器
        13. 5.5.4.13 SAFETY_ERR_PWM_H 寄存器
        14. 5.5.4.14 SAFETY_ERR_PWM_L 寄存器
        15. 5.5.4.15 SAFETY_PWD_THR_CFG 寄存器
        16. 5.5.4.16 SAFETY_CFG_CRC 寄存器
        17. 5.5.4.17 诊断
          1. 5.5.4.17.1 DIAG_CFG_CTRL 寄存器
          2. 5.5.4.17.2 DIAG_MUX_SEL 寄存器
      5. 5.5.5 看门狗计时器
        1. 5.5.5.1 WD_TOKEN_FDBK 寄存器
        2. 5.5.5.2 WD_WIN1_CFG 寄存器
        3. 5.5.5.3 WD_WIN2_CFG 寄存器
        4. 5.5.5.4 WD_TOKEN_VALUE 寄存器
        5. 5.5.5.5 WD_STATUS 寄存器
        6. 5.5.5.6 WD_ANSWER 寄存器
      6. 5.5.6 传感器电源
        1. 5.5.6.1 SENS_CTRL 寄存器
  6. 应用和实现
    1. 6.1 应用信息
    2. 6.2 典型应用
      1. 6.2.1 设计要求
      2. 6.2.2 详细设计流程
        1. 6.2.2.1 VDD6 前置稳压器
        2. 6.2.2.2 VDD1 线性控制器
        3. 6.2.2.3 VSOUT1 跟踪线性稳压器(配置为跟踪 VDD5)
        4. 6.2.2.4 VSOUT1 跟踪线性稳压器的替代用法(配置为 3.3V 模式下的 6V 输出跟踪 VDD3/5)
        5. 6.2.2.5 为从 VDD5 到 5V 输入的 9V 输出跟踪配置的 VSOUT1 跟踪线性稳压器的替代用法
        6. 6.2.2.6 在非跟踪模式下配置(提供 4.5V 输出)的 VSOUT1 跟踪线性稳压器的替代用法
      3. 6.2.3 应用曲线
    3. 6.3 系统示例
  7. 电源建议
  8. 布局
    1. 8.1 布局准则
      1. 8.1.1 VDD6 降压前置稳压器
      2. 8.1.2 VDD1 线性稳压器控制器
      3. 8.1.3 VDD5 和 VDD3/5 线性稳压器
      4. 8.1.4 VSOUT1 跟踪线性稳压器
      5. 8.1.5 电荷泵
      6. 8.1.6 其他注意事项
    2. 8.2 布局示例
    3. 8.3 功率耗散和热效应注意事项
  9. 器件和文档支持
    1. 9.1 文档支持
      1. 9.1.1 相关文档
    2. 9.2 接收文档更新通知
    3. 9.3 社区资源
    4. 9.4 商标
    5. 9.5 静电放电警告
    6. 9.6 术语表
  10. 10机械、封装和可订购信息

封装选项

机械数据 (封装 | 引脚)
散热焊盘机械数据 (封装 | 引脚)
订购信息

器件概述

特性

  • 适用于汽车电子 应用
  • 具有符合 AEC-Q100 标准的下列特性:
    • 器件温度 1 级:–40°C 至 +125°C 的环境运行温度范围
    • 器件 HBM ESD 分类等级 H2
    • 器件 CDM ESD 分类等级 C3B
  • 多轨电源支持等
    • TI Hercules™TMS570、 C2000™以及各种功能安全架构微控制器
  • 电源轨
    • 输入电压范围:
      • 5.8V 至 36V(CAN、I/O、MCU 内核以及传感器电源稳压器功能)
      • 4.5V 至 5.8V(3.3V I/O 和 MCU 内核稳压器功能)
    • 6V 异步开关模式前置稳压器,具有内部 FET 和 1.3A 输出电流
    • 5V (CAN) 电源电压线性稳压器,具有内部 FET、300mA 输出电流
    • 3.3V 或 5V (MCU I/O) 电压线性稳压器,具有内部 FET、300mA 输出电流
    • 0.8V 至 3.3V 可调(MCU 内核电压)线性稳压器控制器,具有外部 FET
    • 3.3V 至 9.5V 可调传感器电源:线性跟踪稳压器,具有内部 FET、100mA 输出电流以及用于对电源短路和接地短路的保护措施
    • 电荷泵:通常比电池电压高 12V
  • 电源和系统监控
    • 所有稳压器输出、电池电压和内部电源均具有独立欠压和过压监控
    • 稳压器基准电压和用于电压监控的电压基准是相互独立的。电压监控电路具有独立带隙基准和单独电源输入引脚
    • 针对所有电压监控的自检(在开通期间以及由外部 MCU 启动之后自动执行)
    • 通过电流限制和过热关断对所有具有内部 FET 的电源进行保护
  • 微控制器 (MCU) 接口
    • 看门狗:触发模式(打开/关闭窗口)或问答模式
    • 用于锁步双核 MCU 的 MCU 错误信号监控器,包括 Hercules™ TMS570、C2000™ 以及各种使用脉宽调制 (PWM) 错误输出的功能安全架构 MCU
    • 用于执行器件自检、诊断和外部互连检查的诊断状态
    • 在进行错误事件检测时用于器件和系统保护的安全状态
    • 用于内部振荡器的时钟监视器
    • 诊断状态中,每个器件开通或由 MCU 激活时执行的模拟和数字关键电路自检
    • 在非易失性存储器、器件和配置寄存器上执行 CRC
    • MCU 的复位电路和输出引脚
    • 诊断输出引脚,允许 MCU 通过多路复用器监测器件的内部模拟和数字信号
  • 串行外设接口 (SPI)
    • 可配置寄存器
    • 看门狗问答
    • 诊断状态读取
    • 与 3.3V 和 5V 逻辑电平兼容
  • 使能驱动输出,可在检测到系统故障时禁用保险路径或外部功率级
  • 通过 IGNITION 引脚或 CAN WAKEUP 引脚唤醒
  • 封装:32 引脚 HTSSOP PowerPAD™ IC 封装

应用

  • 汽车安全 应用
    • 助力转向:电动助力转向 (EPS) 和电液助力转向 (EHPS)
    • 制动:防抱死制动系统 (ABS)、电子稳定性控制 (ESC) 和电子驻车制动
    • 高级驾驶员辅助系统 (ADAS)
    • 悬架
  • 工业安全 应用
    • 安全可编程逻辑控制器 (PLC)
    • 安全 I/O 控制模块
    • 测试和测量
    • 铁路和地铁信号控制和安全模块
    • 升降机和自动扶梯安全控制
    • 风力涡轮机控制

说明

TPS65381A-Q1 器件是一种多轨电源,旨在为汽车和工业等市场中的安全相关 应用微控制器 (MCU) 供电。该器件支持德州仪器 (TI) 的 Hercules™ TMS570 MCU 和 C2000™ MCU 系列以及其他各种具有双核锁步 (LS) 或松散耦合架构 (LC) 的 MCU。

TPS65381A-Q1 器件集成了多个为 MCU、控制器局域网 (CAN) 或 FlexRay 以及外部传感器供电的电源轨。异步降压开关模式电源转换器具有内部 FET,可将输入电源(电池)电压转换为 6V 的前置稳压器输出。该 6V 前置稳压器为其他稳压器供电。该器件支持通过 IGNITION 或 CAN 收发器唤醒。

例如,该具有内部 FET 的集成式固定 5V 线性稳压器可用于 CAN 或 FlexRay 收发器电源。第二个线性稳压器也具有内部 FET,可选择将输出电压调节至 5V 或 3.3V,以适用于 MCU I/O 电压。

TPS65381A-Q1 器件包含可调线性稳压器控制器,需要使用外部 FET 和电阻分压器,将可调电压稳定在 0.8V 和 3.3V 之间,以适用于 MCU 内核电源。

集成式传感器电源能够以跟踪模式或可调输出模式运行,并包含接地短路和对电池短路保护。因此,该稳压器能够为模块外部的传感器或电子控制单元 (ECU) 供电。

集成式电荷泵为内部稳压器提供过驱电压。通过使用电荷泵输出来控制外部 NMOS 晶体管,该电荷泵还可用于电池反向保护电路。当器件必须以可能的最低电源电压运行时,与传统电池反向阻断二极管相比,该解决方案支持以更低的最小电池电压运行。

该器件监控所有稳压器输出、电池电压和内部电源轨上的欠压和过压情况。第二个带隙基准独立于主带隙基准,可用于欠压和过压监控,以免未检测到主带隙基准内的任何漂移。此外,还实现了稳压器电流限制和温度保护。

TPS65381A-Q1 器件具有监控和保护功能,包括:具有触发模式和问答 模式的看门狗、MCU 错误信号监控器、针对内部振荡器的时钟监控、针对时钟监控器的自检、针对非易失性存储器的 CRC、支持 MCU 监测器件的内部模拟和数字信号的诊断输出引脚、针对 MCU 的复位电路以及可在检测到故障时禁用保险路径或外部功率级的使能驱动输出。内置自检 (BIST) 可在启动时自动监控器件功能。专用的诊断状态支持 MCU 检查 TPS65381A-Q1 监控和保护功能。

TPS65381A-Q1 器件采用 32 引脚 HTSSOP PowerPAD 封装。

器件信息(1)

器件型号 封装 封装尺寸(标称值)
TPS65381A-Q1 HTSSOP (32) 11.00mm x 6.20mm
如需了解所有可用封装,请参阅数据表末尾的可订购产品附录。

典型应用图

添加了ADC和VDD6TPS65381A-Q1 Typ_App_Dia_1_lvsbc4.gif Figure 1-1 典型应用图