ZHCSGL9A July   2016  – May 2017 TPS65381A-Q1

PRODUCTION DATA.  

  1. 器件概述
    1. 1.1 特性
    2. 1.2 应用
    3. 1.3 说明
    4. 1.4 典型应用图
  2. 修订历史记录
  3. 引脚配置和功能
  4. 规格
    1. 4.1 绝对最大额定值
    2. 4.2 ESD 额定值
    3. 4.3 建议运行条件
    4. 4.4 热性能信息
    5. 4.5 电气特性
    6. 4.6 时序要求
    7. 4.7 开关特性
    8. 4.8 典型特性
  5. 详细 说明
    1. 5.1 概述
    2. 5.2 功能框图
    3. 5.3 功能 说明
      1. 5.3.1 VDD6 降压开关模式电源
      2. 5.3.2 VDD5 线性稳压器
      3. 5.3.3 VDD3/5 线性稳压器
      4. 5.3.4 VDD1 线性稳压器
      5. 5.3.5 VSOUT1 线性稳压器
      6. 5.3.6 电荷泵
      7. 5.3.7 唤醒
      8. 5.3.8 复位延长
    4. 5.4 器件功能模式
      1. 5.4.1  上电和断电行为
      2. 5.4.2  安全功能和诊断概述
      3. 5.4.3  电压监控器 (VMON)
      4. 5.4.4  TPS65381A-Q1 内部错误信号
      5. 5.4.5  时钟丢失监控器 (LCMON)
      6. 5.4.6  模拟内置自检 (ABIST)
      7. 5.4.7  逻辑内置自检 (LBIST)
      8. 5.4.8  结温监控和电流限制
      9. 5.4.9  诊断多路复用器和诊断输出引脚 (DIAG_OUT)
        1. 5.4.9.1 模拟多路复用器 (AMUX)
        2. 5.4.9.2 数字多路复用器 (DMUX)
        3. 5.4.9.3 诊断多路复用器输出状态(通过 MUX_OUT 位)
        4. 5.4.9.4 多路复用器互连检查
      10. 5.4.10 看门狗计时器 (WD)
      11. 5.4.11 看门狗失效计数器、状态和失效事件
      12. 5.4.12 看门狗序列
      13. 5.4.13 MCU 与看门狗的同步
      14. 5.4.14 触发模式(默认模式)
      15. 5.4.15 Q&A 模式
        1. 5.4.15.1 看门狗 Q&A 相关定义
        2. 5.4.15.2 Q&A 模式下的看门狗序列
        3. 5.4.15.3 问题(令牌)生成
        4. 5.4.15.4 应答比较和参考应答
          1. 5.4.15.4.1 2 位看门狗应答计数器的序列
        5. 5.4.15.5 看门狗 Q&A 模式序列事件和 WD_STATUS 寄存器更新
      16. 5.4.16 MCU 错误信号监控器 (MCU ESM)
        1. 5.4.16.1 TMS570 模式
        2. 5.4.16.2 PWM 模式
      17. 5.4.17 器件配置寄存器保护
      18. 5.4.18 启用和复位驱动器电路
      19. 5.4.19 器件运行状态
      20. 5.4.20 待机状态
      21. 5.4.21 复位状态
      22. 5.4.22 诊断状态
      23. 5.4.23 活动状态
      24. 5.4.24 安全状态
      25. 5.4.25 状态转换优先级
      26. 5.4.26 上电复位 (NPOR)
    5. 5.5 寄存器映射
      1. 5.5.1 串行外设接口 (SPI)
        1. 5.5.1.1 SPI 命令传输阶段
        2. 5.5.1.2 SPI 数据传输阶段
        3. 5.5.1.3 器件状态标志字节响应
        4. 5.5.1.4 器件 SPI 数据响应
        5. 5.5.1.5 SPI 帧概览
      2. 5.5.2 SPI 寄存器写入访问锁定(SW_LOCK 命令)
      3. 5.5.3 SPI 寄存器(SPI 映射响应)
        1. 5.5.3.1 器件版本和 ID
          1. 5.5.3.1.1 DEV_REV 寄存器
          2. 5.5.3.1.2 DEV_ID 寄存器
        2. 5.5.3.2 器件状态
          1. 5.5.3.2.1 DEV_STAT 寄存器
        3. 5.5.3.3 器件配置
          1. 5.5.3.3.1 DEV_CFG1 寄存器
          2. 5.5.3.3.2 DEV_CFG2 寄存器
      4. 5.5.4 器件安全状态和控制寄存器
        1. 5.5.4.1  VMON_STAT_1 寄存器
        2. 5.5.4.2  VMON_STAT_2 寄存器
        3. 5.5.4.3  SAFETY_STAT_1 寄存器
        4. 5.5.4.4  SAFETY_STAT_2 寄存器
        5. 5.5.4.5  SAFETY_STAT_3 寄存器
        6. 5.5.4.6  SAFETY_STAT_4 寄存器
        7. 5.5.4.7  SAFETY_STAT_5 寄存器
        8. 5.5.4.8  SAFETY_ERR_CFG 寄存器
        9. 5.5.4.9  SAFETY_BIST_CTRL 寄存器
        10. 5.5.4.10 SAFETY_CHECK_CTRL 寄存器
        11. 5.5.4.11 SAFETY_FUNC_CFG 寄存器
        12. 5.5.4.12 SAFETY_ERR_STAT 寄存器
        13. 5.5.4.13 SAFETY_ERR_PWM_H 寄存器
        14. 5.5.4.14 SAFETY_ERR_PWM_L 寄存器
        15. 5.5.4.15 SAFETY_PWD_THR_CFG 寄存器
        16. 5.5.4.16 SAFETY_CFG_CRC 寄存器
        17. 5.5.4.17 诊断
          1. 5.5.4.17.1 DIAG_CFG_CTRL 寄存器
          2. 5.5.4.17.2 DIAG_MUX_SEL 寄存器
      5. 5.5.5 看门狗计时器
        1. 5.5.5.1 WD_TOKEN_FDBK 寄存器
        2. 5.5.5.2 WD_WIN1_CFG 寄存器
        3. 5.5.5.3 WD_WIN2_CFG 寄存器
        4. 5.5.5.4 WD_TOKEN_VALUE 寄存器
        5. 5.5.5.5 WD_STATUS 寄存器
        6. 5.5.5.6 WD_ANSWER 寄存器
      6. 5.5.6 传感器电源
        1. 5.5.6.1 SENS_CTRL 寄存器
  6. 应用和实现
    1. 6.1 应用信息
    2. 6.2 典型应用
      1. 6.2.1 设计要求
      2. 6.2.2 详细设计流程
        1. 6.2.2.1 VDD6 前置稳压器
        2. 6.2.2.2 VDD1 线性控制器
        3. 6.2.2.3 VSOUT1 跟踪线性稳压器(配置为跟踪 VDD5)
        4. 6.2.2.4 VSOUT1 跟踪线性稳压器的替代用法(配置为 3.3V 模式下的 6V 输出跟踪 VDD3/5)
        5. 6.2.2.5 为从 VDD5 到 5V 输入的 9V 输出跟踪配置的 VSOUT1 跟踪线性稳压器的替代用法
        6. 6.2.2.6 在非跟踪模式下配置(提供 4.5V 输出)的 VSOUT1 跟踪线性稳压器的替代用法
      3. 6.2.3 应用曲线
    3. 6.3 系统示例
  7. 电源建议
  8. 布局
    1. 8.1 布局准则
      1. 8.1.1 VDD6 降压前置稳压器
      2. 8.1.2 VDD1 线性稳压器控制器
      3. 8.1.3 VDD5 和 VDD3/5 线性稳压器
      4. 8.1.4 VSOUT1 跟踪线性稳压器
      5. 8.1.5 电荷泵
      6. 8.1.6 其他注意事项
    2. 8.2 布局示例
    3. 8.3 功率耗散和热效应注意事项
  9. 器件和文档支持
    1. 9.1 文档支持
      1. 9.1.1 相关文档
    2. 9.2 接收文档更新通知
    3. 9.3 社区资源
    4. 9.4 商标
    5. 9.5 静电放电警告
    6. 9.6 术语表
  10. 10机械、封装和可订购信息

封装选项

机械数据 (封装 | 引脚)
散热焊盘机械数据 (封装 | 引脚)
订购信息

规格

绝对最大额定值

在自然通风条件下的工作温度范围内(除非另有说明)(1)(2)
POS 最小值 最大值 单位
M1.1 受保护的电池电压 VBATP、VBAT_SAFING、VSIN –0.3 40 V
M1.2 电荷泵电压 VCP、CP1(3) –0.3 VBATP + 16 和 52 中的较小者 V
M1.3 电荷泵泵浦电容器电压 CP2 –0.3 40 V
M1.3a 电荷泵过驱电压 VCP(3)-VBATP –0.3 16 V
M1.4 VDD6 开关节点电压 SDN6 –0.3 40 V
M1.5 VDD6 输出电压 VDD6 –0.3 40 V
M1.6 VDD5 输出电压 VDD5 –0.3 7 V
M1.7 VDD3/5 输出电压 VDD3/5 –0.3 7 V
M1.8 VDD1_G 电压 VDD1_G –0.3 15 V
M1.10 VDD1_SENSE 电压 VDD1_SENSE –0.3 7 V
M1.11 传感器电压跟踪电压 VTRACK1 –0.3 40 V
M1.12 传感器电源输出和反馈电压 VSOUT1、VSFB1(4) –2 18 V
M1.14 模拟/数字基准输出电压 DIAG_OUT –0.3 7 V
M1.15 逻辑 I/O 电压 VDDIO、ERROR/WDI、ENDRV、NRES、NCS、SDI, SDO, SCLK, RSTEXT –0.3 7 V
M1.16 SEL_VDD3/5 –0.3 40 V
M1.17 IGN 唤醒 IGN –7 40 V
M1.18 CAN 唤醒 CANWU –0.3 40 V
M1.19 运行虚拟结温 TJ 150 °C
贮存温度,Tstg –65 150 °C
超出绝对最大额定值下所列值的应力可能会对器件造成永久损坏。这些仅为在应力额定值下的工作情况,对于额定值下的器件的功能性操作以及在超出推荐的操作条件下的任何其它操作,在此并未说明。在绝对最大额定值条件下长时间运行会影响器件可靠性。
除非另有说明,否则所有电压值都以网络接地引脚为基准。
VCP 和 CP1 是输出引脚,不应向这些引脚施加任何外部电压。这些引脚的绝对最大额定值是可能在引脚上显示的值。
VSOUT1 直接连接至 VSFB1(适用于单位增益),或者通过电阻分压器进行连接(跟踪模式增益或非跟踪模式输出电压调节)。如果发生对电源短路故障,则 VSOUT1 上的电压等于器件的电源电压(VBATP、VBAT_SAFING 和 VSIN,其中 VSIN 连接至 VBATP,因为它是电源,而不是 VDD6),VSFB1 电压将直接(对于单位增益)或通过电阻分压器(跟踪模式增益或非跟踪模式输出电压调节)遵循 VSOUT1(根据用例)。

ESD 额定值

POS 单位
M1.21 V(ESD) 静电放电 人体放电模型 (HBM),符合 AEC Q100-002(1) 除 VSOUT1 (17) 和 VSFB1 (15) 以外的所有引脚 ±2000 V
M1.20 在传感器电源引脚 VSOUT1 (17) 和 VSFB1 (15) 上 ±4000
M1.22 充电器件模型 (CDM),符合 AEC Q100-011 转角引脚(1、16、17 和 32) ±750
M1.23 所有引脚 ±500
AEC Q100-002 指示应当按照 ANSI/ESDA/JEDEC JS-001 规范执行 HBM 应力测试。

建议运行条件

在工作温度范围内并以 GND 和 PGND (GND = PGND) 引脚为基准(除非另有说明)
POS 最小值 最大值 单位
M1.20a 运行环境温度 TA –40 125 °C
R1.1 用于初次开通的 VBATP 上的最低输入电源电压(POS 6.2,VBATP_UVon(2)(3) 5.8(4) V
R1.2 VBATP 上的输入电源电压 (2)(3)(1)
  • 为了支持在 VBATP 介于 5.8V 和 7V 之间时运行,器件保持正常工作。某些电源轨可能处于压降或欠压状态,具体取决于实际输入电源和特定稳压器的配置。
  • VDD6 可能处于压降模式(100% 占空比)
  • 配置为 5V 输出的 VDD3/5 可能处于压降状态。如果输出达到 VDD3/5_UV 阈值,则器件会由于 VDD3/5 欠压事件转换到复位状态。如果 VDD3/5 配置为 3.3V 输出,则将保持正常工作状态。
  • VDD5 可能处于压降状态。如果输出达到 VDD5_UV 阈值,则器件会通过 VDD5_UV 状态位指示欠压事件。
  • VSOUT1 可能处于压降状态,具体取决于配置。如果输出达到 VSOUT1_UV 阈值,则器件会通过 VSOUT1_UV 状态位指示欠压事件。
5.8 34(6) V
R1.3 初次开通后 VBATP 上的输入电源电压,可在发生低输入电源电压事件期间正常运行(POS 6.1,VBATP_UVoff):(2)(5)
  • 器件保持正常运行。某些电源轨可能处于压降或欠压状态,具体取决于实际输入电源和特定稳压器的配置。
  • VDD6 处于压降模式(100% 占空比)。
  • 配置为 5V 输出的 VDD3/5 可能处于压降状态。如果输出达到 VDD3/5_UV 阈值,则器件会由于 VDD3/5 欠压事件转换到复位状态。如果 VDD3/5 配置为 3.3V 输出,则将保持正常工作状态。
  • VDD5 可能处于压降状态。如果输出达到 VDD5_UV 阈值,则器件会通过 VDD5_UV 状态位指示欠压事件。
  • VSOUT1 可能处于压降状态(具体取决于配置),如果输出达到 VSOUT1_UV 阈值,则器件会通过 VSOUT1_UV 状态位指示欠压事件。
4.5 5.8 V
R1.4 VDDIO 电源电压范围 3.3 5 V
R1.5 待机模式下的电流消耗(禁用所有稳压器输出)
IGN = 0V,CANWU = 0V,5.8V ≤ VBAT ≤ 20V(对于 TJ < 85°C)或 5.8V ≤ VBAT ≤ 14V(对于 TJ = 125°C)
75 µA
在 VBAT 缓慢下降情况下以及当 VDD3/5 电源轨配置为 5V 电源轨时,NRES 输出可能会在 VBAT 处于大约 6.3V 时被拉低。这是由 VDD3/5 电源轨上的欠压瞬态导致的。
在 VBAT 缓慢上升情况下以及当 VDD3/5 电源轨配置为 5V 电源轨时,NRES 输出可能会在 VBAT 处于大约 6.6V 时被拉低。这是由 VDD3/5 电源轨上的欠压瞬态导致的。在类似的情况下,可以在 VDD5 和 VSOUT1 电源轨上观察到欠压瞬态(请参阅《VBAT 缓慢上升和下降时的器件行为》)。
VBATP 应连接至 VBAT_SAFING。
VBAT_SAFING 具有足够高的电源电压,能够为 VMON 块和 AVDD_VMON_UV 之上的内部电源轨 AVDD_VMON 供电。
器件可能会在 VBATP 低于 5.8V 时开通,但它在 VBATP 为 5.8V 或更高时会始终开通,而 VBAT_SAFING 具有足够高的电源电压,能够为 VMON 块和 AVDD_VMON_UV 之上的内部电源轨 AVDD_VMON 供电。
如果 VBATP 从 5.8V 下降至 VBATP_UVoff 阈值或另一个电压监控器在特定电源轨上检测到欠压并更改器件状态,器件将保持开启。可能会检测到 VBAT_UVoff 处于 4.5V,但也可能检测到它低至 4.2V。VBAT_SAFING 具有足够高的电源电压,能够为 VMON 块和 AVDD_VMON_UV 之上的内部电源轨 AVDD_VMON 供电。
VBATP 和 VBAT_SAFING 的建议最大工作电压列为 34V,略低于 VBATP、VBATP_OVrise 和 VBATP_OVfall 的过压检测阈值。TI 建议在 VBATP 上启用过压检测(默认为启用,MASK_VBATP_OV = 0)。TI 还建议对器件在应用中的热耗散和功率耗散进行评估,并确保设计具备充分的热管理功能,以便在必要的电源电压电平下运行。

热性能信息

热指标(1) TPS65381A-Q1 单位
DAP (HTSSOP)
32 引脚
RθJA 结至环境热阻 26.3 °C/W
RθJC(top) 结至外壳(顶部)热阻 14.1 °C/W
RθJB 结至电路板热阻 6 °C/W
ψJT 管结至顶部的特征参数 0.2 °C/W
ψJB 结至电路板的特征参数 6.2 °C/W
RθJC(bot) 结至外壳(底部)热阻 0.5 °C/W
有关传统和新热指标的更多信息,请参阅应用报告《半导体和 IC 封装热指标》
TPS65381A-Q1 power_dissipation_slvsbc4.gif
在 存在 功率耗散较高和/或封装热阻较差的应用中,可能必须降低最高环境温度。最高环境温度 (TAmax) 取决于最高运行结温 (TJmax)、应用中器件的最大功率耗散 (PDmax) 以及应用中的部件/封装的结至环境热阻 (RθJA),计算公式如下:TAmax = TJmax – (RθJA × PDmax)。
最大功率耗散是 TJmax、RθJA 和 TA 的函数。任何允许环境温度下的最大允许功率耗散为 PD = (TJmax – TA)/RθJA
Figure 4-1 基于高 K JEDEC PCB 的功率耗散降额曲线

电气特性

在运行环境温度 TA = –40°C 至最高运行结温 TJ = 150°C 范围内,并且 VBATP = VBAT_SAFING 处于建议运行范围内(请参阅Section 4.3中的 R1.2)(除非另有说明)
POS 参数 测试条件 最小值 典型值 最大值 单位
VDD6 - 具有内部 FET 的降压
AN CVDD6 输出陶瓷电容器的值(1) ESR 范围 100mΩ 至 300mΩ(2) 22 47 µF
AN LVDD6 电感器的值 22 33 µH
1.1 VDD6 VDD6 输出电压 平均直流值(不包括纹波和负载瞬态),VBAT > 7V,0 < IVDD6 < 1.3A,包括直流线路和负载调节、温度漂移和长期漂移(其中 VBAT = VBATP = VBAT_SAFING) 5.4 6 6.6 V
1.1a VDD6ripple VDD6 纹波电压 峰峰值,由设计确保
VBATP = VBAT_SAFING = 14V,L = 33µH,C = 22µF
200 mV
1.2 IVDD6 VDD6 输出电流 IVDD5 + IVDD3/5 + IVDD1 + IVSOUT1(6) 1.3 A
1.3 Vdropout6 VDD6 输出压降电压 Vdropout6 = (VBATP – SDN6) IVDD6 = 1.3A
(例如:RDS(on) = 0.46Ω)
0.6 V
1.4 IVDD6_limit SDN6 引脚提供的峰值电流(21) 1.5 2.5 A
1.5 ƒclk_VDD6 时钟频率(5) 396 440 484 kHz
1.6 DCVDD6 ton/tperiod 0 < IVDD6 < 1.3A
当 VBATP < 7V 时,VDD6 会进入压降模式(100% 占空比)
7%(22) 100%
1.7 TprotVDD6 温度保护阈值(7) 175 210 °C
VDD5 – 具有内部 FET 的 LDO
AN CVDD5 输出陶瓷电容器的值 ESR 范围 0mΩ 至 100mΩ 1 5 µF
2.1 VDD5 VDD5 输出电压(8) 0 < IVDD5 < 300mA 4.9 5 5.1 V
2.2 IVDD5 VDD5 输出电流,包括来自 660Ω(典型值)内部电阻器的负载 300 mA
2.3 VDD5dyn VDD5 动态输出电压 5µs 内 20% 至 80% 负载阶跃 (CVDD5 = 5µF) 4.85 5 5.15 V
2.4 VDD5max 10μs 内 5.5V 至 13.5V 的 VBATP 阶跃期间的最大 VDD5 输出电压 CVDD5 = 5µF,IVDD5 < 300mA 5.5 V
2.5 Vdropout5 VDD5 输出压降电压 Vdropout5 = (VDD6 – VDD5) IVDD5 < 300mA 0.3 V
2.6 PSRRVDD5 电源抑制比 50 < f < 20kHz,VBATP = 10V,U = 4Vpp,
CVDD5 = 5μF,0 < IVDD5 < 300mA
> 40 dB
2.7 LnRegVDD5 线路调节(IVDD5 恒定) 0 < IVDD5 < 300mA,
8V < VBATP < 19V
–25 25 mV
2.8 LdRegVDD5 负载调节(VDD6 恒定) 0 < IVDD5 < 300mA,
8V < VBATP < 19V
–25 25 mV
2.9 TmpCoVDD5 温度漂移 标准化为 25°C 值 –0.5% 0.5%
2.11 dVDD5/dt 启动时 VDD5 上的 dV/dt 介于 VDD5 最终值的 10% 和 90% 之间 5 50 V/ms
2.13 TprotVDD5 温度保护阈值(9) 175 210 °C
2.14 IVDD5_limit 电流限制(26) 350 650 mA
VDD3/5 – 具有内部 FET 的 LDO
AN CVDD3/5 输出陶瓷电容器的值 ESR 范围 0mΩ 至 100mΩ 1 5 µF
3.1a VDD3/5 VDD3/5 输出电压,SEL_VDD3/5 引脚:开路 = 3.3V 设置,接地 = 5V 设置 0 < IVDD3/5 < 300mA 3.3V 设置 3.234 3.3 3.366 V
3.1b 5V 设置 4.9 5 5.1
3.2 IVDD3/5 VDD3/5 输出电流,包括来自 440Ω(典型值)(对于 3.3V 设置)或 660Ω(典型值)(对于 5V 设置)内部电阻器的负载(23) 300 mA
3.3a VDD3/5dyn VDD3/5 动态输出电压 5µs 内 20% 至 80% 阶跃
CVDD3/5 = 5µF
3.3V 设置 3.15 3.3 3.43 V
3.3b 5V 设置 4.85 5 5.15
3.4 VDD3/5max 10μs 内 5.5V 至 13.5V 的 VBATP 阶跃期间的最大 VDD3/5 输出电压 CVDD3/5 = 5µF,IVDD3/5 < 300mA 3.3V 设置 3.6 V
5V 设置 5.5
3.5 Vdropout3/5 VDD3/5 输出压降电压 Vdropout3/5 = (VDD6–VDD3/5) IVDD3/5 < 300mA 0.3 V
3.6 PSRRVDD3/5 电源抑制比 50 < f < 20kHz,VBATP = 10V,U = 4Vpp
CVDD3/5 = 5μF,0 < IVDD3/5 < 300mA
> 40 dB
3.7 LnRegVDD3/5 线路调节(IVDD3 恒定) 0 < IVDD3/5 < 300mA,
8V < VBATP < 19V
–25 25 mV
3.8 LdRegVDD3/5 负载调节(VDD6 恒定) 0 < IVDD3/5 < 300mA,
8V < VBATP < 19V
–25 25 mV
3.9 TmpCoVDD3/5 温度漂移 标准化为 25°C 值 –0.5% 0.5%
3.11 dVDD35/dt 启动时 VDD3/5 上的 dV/dt 介于 VDD3/5 最终值的 10% 和 90% 之间 3.3V 设置 3 30 V/ms
5V 设置 5 50
3.13 TprotVDD3/5 温度保护阈值(10) 175 210 °C
3.14 IVDD3/5_limit 电流限制(27) 350 650 mA
3.15 Ipu_SEL_VDD3/5 SEL_VDD3/5 引脚上的上拉电流 20 µA
VDD1 – 具有外部 FET 的 LDO
AN Vgs(th) 栅极阈值电压,外部 FET ID = 1mA 0.3 3 V
AN Ciss 栅极电容,外部 FET VGS = 0V 3200 pF
AN Qgate 栅极电荷,外部 FET VGS = 0V 至 10V 70 nC
AN gfs 正向跨导,外部 FET ID = 50mA 0.4 S
AN CVDD1 输出陶瓷电容器的值 ESR 范围 0mΩ 至 100mΩ 5 40 µF
4.1 VDD1 VDD1 输出电压,取决于外部电阻分压器 0.8 3.3 V
4.2 VDD1SENSE VDD1 基准电压(11) 10mA < IVDD1 < 600mA 0.792 0.8 0.808 V
4.2a VDD1SENSE_BIAS VDD1SENSE 的偏置电流 –6.6 –10 µA
4.3 IVDD1 VDD1 输出电流 使用外部电阻分压器实现的最小电流 10 600 mA
4.4 VDD1G VDD1_G 输出电压 以 GND 为基准 15 V
4.5 VDD1G_off 关闭条件下的 VDD1_G 电压 流入 VDD1_G 引脚的电流为 20µA 0.3 V
4.6 I_VDD1G VDD1_G 直流负载电流 200 µA
4.7 VDD1dyn VDD1 动态输出电压 1μs 内 10% 至 90% 阶跃 (CVDD1 = 40μF)(24) ± 4%
4.8 VDD1max 10μs 内 5.5V 至 13.5V 的 VBATP 阶跃期间的最大 VDD1 输出电压 CVDD1 > 6µF,IVDD1< 600mA VDD1 = 0.8V 输出 0.898 V
VDD1 = 1.23V 输出 1.287
VDD1 = 3.3V 输出 3.435
4.9 PSRRVDD1 电源抑制比 50 < f < 20kHz,VBATP = 10V,U = 4Vpp,
CVDD1 = 10μF,10mA < IVDD1 < 600mA
> 40 dB
4.10 LnRegVDD1 VDD1_SENSE 上的线路调节(IVDD1 恒定) 10mA < IVDD1< 600mA,8V < VBATP < 19V –7 7 mV
4.11 LdRegVDD1 VDD1_SENSE 上的负载调节(VDD6 恒定) 10mA < IVDD1 < 600mA,8V < VBATP < 19V –7 7 mV
4.12 TmpCoVDD1 温度漂移 标准化为 25°C 值 –0.5% 0.5%
4.14 dVDD1/dt 启动时 VDD1_SENSE 上的 dV/dt 介于 VDD1 最终值的 10% 和 90% 之间 0.8 8 V/ms
VSOUT1 – 具有受保护的内部 FET 的 LDO
AN CVSOUT1 输出陶瓷电容器的值 ESR 范围 0mΩ 至 100mΩ 0.5 10 µF
5.1 VSOUT1 VSOUT1 输出电压,取决于外部电阻分压器以及跟踪或非跟踪模式 3.3 9.5 V
5.2 MVVSOUT1 对于跟踪模式:
匹配输出错误 MVVSOUT1 = (VTRACK1 VSFB1)(12)
0 < IVSOUT1 < 100mA –35 35 mV
5.3 VSFB1 对于非跟踪模式:VSOUT1 基准电压(13) 10mA < IVSOUT1 < 100mA 2.45 2.5 2.55 V
5.3a VTRACK1th 用于选择跟踪/非跟踪模式的阈值(对于跟踪模式,VTRACK1 > VTRACK1th_max V;对于非跟踪模式,VTRACK1 < VTRACK1th_min V)
1.1 1.2 1.3 V
5.3b VTRACK1pd VTRACK1 引脚上的内部下拉电阻 100
5.4 IVSOUT1 VSOUT1 输出电流,包括消耗最小电流的内部电阻器(25) 100 mA
5.5 VdrS1 VSOUT1 压降电压 VdrS1 = (VSIN-VSOUT1) 0 < IVSOUT1 < 100mA 0.75 V
5.6 PSRRVSOUT1 电源抑制比 VTRACK1 = GND,VSOUT1 = 4.5V,
50 < f < 20kHz,VSIN = 10V,U = 4Vpp
CVSOUT1 = 1μF,0 < IVSOUT1 < 100mA
> 40 dB
5.7 LnRegVSOUT1 线路调节(IVSOUT1 恒定) 0 < IVSOUT1 < 100mA,8V < VSIN < 19V –25 25 mV
5.8 LdRegVSOUT1 负载调节(VSIN 恒定) 0 < IVSOUT1 < 100mA,8V < VSIN < 19V –35 35 mV
5.9 TmpCoVSOUT1 温度漂移 标准化为 25°C 值 –0.5% 0.5%
5.11 VSOUT1SH 输出短路电压范围 VSOUT1(VSFB1 配置为稳压)(28) –2 18 V
5.12 –IVSIN 输出反向电流 VSOUT1 = 14V 并且 VBATP = 0V,稳压器关闭 20 mA
5.13 TprotVSOUT1 温度保护阈值(14) 175 210 °C
5.14 IVSOUT1_limit 电流限制 120 500 mA
电压监控
6.1 VBATP_UVoff 由 VBAT_UV 比较器指示的 VBATP 和 VBAT_SAFING 电平(15) VBATP = VBAT_SAFING 4.2 4.5 V
6.2 VBATP_UVon 由 VBAT_UV 比较器指示的 VBATP 和 VBAT_SAFING 电平(15) VBATP = VBAT_SAFING 5.4 5.8 V
6.3 VBATP_UVhys 欠压迟滞 VBATP = VBAT_SAFING 1.1 1.4 V
6.4 VBATP_OVrise 用于设置 VBAT_OV 标志的 VBATP 电平(16) VBATP = VBAT_SAFING 34.7 36.7 V
6.5 VBATP_OVfall 用于清除 VBAT_OV 标志的 VBATP 电平(17) VBATP = VBAT_SAFING 34.4 36.3 V
6.8 VDD5_UV VDD5 欠压电平 VBATP = VBAT_SAFING 4.5 4.85 V
6.8a 迟滞 VBATP = VBAT_SAFING 140 mV
6.9 VDD5_UVhead VDD5 欠压余量 (VDD5act – VDD5_UVact) VBATP = VBAT_SAFING 200 mV
6.10 VDD5_OV VDD5 过压电平 VBATP = VBAT_SAFING 5.2 5.45 V
6.10a 迟滞 VBATP = VBAT_SAFING 140 mV
6.11 VDD5_OVhead VDD5 过压余量 (VDD5_OVact – VDD5act) VBATP = VBAT_SAFING 200 mV
6.12 VDD3/5_UV VDD3/5 欠压电平 VBATP = VBAT_SAFING 3.3V 设置 3 3.17 V
5V 设置 4.5 4.85
6.12a 迟滞 VBATP = VBAT_SAFING 3.3V 设置 100 mV
5V 设置 140
6.13 VDD3/5_UVhead VDD3/5 欠压余量
(VDD3/5act – VDD3/5_UVact)
VBATP = VBAT_SAFING 3.3V 设置 155 mV
5V 设置 200
6.14 VDD3/5_OV VDD5_3 过压电平 VBATP = VBAT_SAFING 3.3V 设置 3.43 3.6 V
5V 设置 5.2 5.5
迟滞 VBATP = VBAT_SAFING 3.3V 设置 100 mV
6.14a 5V 设置 140
6.15 VDD3/5_UVhead VDD3/5 欠压余量
(VDD3/5_OVact – VDD3/5act)
VBATP = VBAT_SAFING 3.3V 设置 170 mV
5V 设置 200
6.16 VDD1_UV VDD1 欠压电平 VBATP = VBAT_SAFING。在 VDD1_SENSE 引脚上感应。相对阈值以标称 800mV VDD1SENSE (Pos 4.2) 为基准 752 784 mV
6.16a 迟滞 VBATP = VBAT_SAFING。在 VDD1_SENSE 引脚上感应。相对阈值以标称 800mV VDD1SENSE (Pos 4.2) 为基准 10 mV
6.17 VDD1_OV VDD1 过压电平 VBATP = VBAT_SAFING。在 VDD1_SENSE 引脚上感应。相对阈值以标称 800mV VDD1SENSE (Pos 4.2) 为基准 816 848 mV
6.17a 迟滞 VBATP = VBAT_SAFING。在 VDD1_SENSE 引脚上感应。相对阈值以标称 800mV VDD1SENSE (Pos 4.2) 为基准 9 mV
6.19 VSOUT1_UV VSOUT1 欠压电平 在 VSFB1 引脚上感应。相对阈值(比率):
  • 对于非跟踪模式,以标称 2.5V VSFB1 (Pos 5.3) 为基准
  • 对于跟踪模式,以施加到 VTRACK1 引脚上的电压为基准
  • 在跟踪模式下,VSOUT1_UV 比较器输出对于 VTRACK1 直流条件有效
0.88 0.94 VSOUT1
6.20 VSOUT1_OV VSOUT1 过压电平 在 VSFB1 引脚上感应。相对阈值(比率):
  • 对于非跟踪模式,以标称 2.5V VSFB1 (Pos 5.3) 为基准
  • 对于跟踪模式,以施加到 VTRACK1 引脚上的电压为基准
  • 在跟踪模式下,VSOUT1_OV 比较器输出对于 VTRACK1 直流条件有效
1.06 1.12 VSOUT1
6.22 VDD6_UV VDD6 欠压电平(18) 5.2 5.4 V
6.22a 迟滞 115 mV
6.23 VDD6_OV VDD6 过压电平(18) 7.8 8.2 V
6.23a 迟滞 115 mV
IGNITION 和 CAN WAKE-UP
7.1 IGN_WUP IGN 唤醒阈值(19) VBATP = VBAT_SAFING =12V 2 3 V
7.2 CAN_WUP CAN 唤醒阈值(19) VBATP = VBAT_SAFING =12V 2 3 V
7.3 WUP_hyst 唤醒迟滞 VBATP = VBAT_SAFING =12V 50 200 mV
7.4 I_IGN IGN 引脚正向泄漏电流 IGN 引脚处于 36V,VBATP = VBAT_SAFING = 12V 50 µA
7.5 I_IGN_rev IGN 反向电流 IGN 处于 –7V,VBATP = VBAT_SAFING =12V –1 mA
7.7 I_CANWU CANWU 引脚正向泄漏电流 CANWU 引脚处于 36V,VBATP = VBAT_SAFING = 12V 50 µA
7.8 I_CAN_rev CANWU 反向电流 CANWU 处于 –0.3 V,VBATP = VBAT_SAFING =12V mA
电荷泵
AN Cpump 泵浦电容器(位于 CP1 和 CP2 之间) 10 nF
AN Cstore 储能电容器(位于 VCP 和 VBATP 之间) 100 nF
8.1 VCPon 处于开启状态的 VCP 输出电压 VBATP > 5.8V VBATP + 4 VBATP + 15 V
8.2 ICP 外部负载 来自电池反向保护的 RGS 的负载 100 µA
8.3 fCP 电荷泵开关频率 225 250 275 kHz
复位和使能输出
9.1 VNRES_ENDRV_L NRES/ENDRV 低输出电平 具有外部 2mA 开漏电流 0.2 V
9.2 RNRES_ENDRV_PULLUP NRES/ENDRV 内部上拉电阻 3 6
9.2a RDS(on)_ENDRV_NRES RDS(on) NRES/ENDRV 下拉晶体管 40 Ω
9.3 RRSTEXT 外部复位扩展电阻器的值,如果连接开路,器件将保持复位状态(20) 0 22
9.5 VENDRV_NRES_TH ENDRV 和 NRES 输入反馈逻辑 1 阈值 读回多路复用至 DIAG_OUT 引脚 350 400 450 mV
数字输入/输出
10.1 VDIGIN_HIGH NCS、SDI、SCLK、ERROR/WDI 和 SEL_VDD3/5 的数字输入(高电平) 2 V
10.2 VDIGIN_LOW NCS、SDI、SCLK、ERROR/WDI 和 SEL_VDD3/5 的数字输入(低电平) 0.8 V
10.3 VDIGIN_HYST NCS、SCI、SCLK 和 ERROR/WDI 的数字输入迟滞(3) 0.1 V
10.4 RDIAGOUT_AMUX AMUX 模式下 DIAG_OUT 引脚上的输出电阻 在 AMUX 上选择了 BG1,流入或流出 DIAG_OUT 引脚的电流 < 200nA 15
10.5 VDIGOUT_HIGH 数字输出(高电平)(4) IOUT = –2mA(流出引脚) VDDIO – 0.2 V
10.6 VDIGOUT_LOW 数字输出(低电平)(4) IOUT = 2mA(流入引脚) 0.2 V
串行外设接口
13.12 RPULL_UP NCS 输入引脚上的内部上拉电阻器 40 70 100
13.13 RPULL_DOWN SDI 和 SCLK 输入引脚上的内部下拉电阻器 40 70 100
电容是针对工作电压、温度和使用寿命降额后的有效电容。
ESR 是电容器的总有效串联电阻,如有必要,添加串联电阻器。
在器件开通迟滞时对 SEL_VDD3/5 进行采样和锁存,VDIGIN_HYST 不适用。
针对处于 DMUX 模式的引脚 SDO 和 DIAG_OUT。
SND6 上的实际开关取决于 VDD6 上的输出电压在 Fclk_VDD6 时钟处于上升沿时是高于还是低于迟滞 PWM 比较器阈值。如果在发生 Fclk_VDD6 时钟上升沿时不需要开关,SDN6 不会打开。SDN6 关闭由迟滞 PWM 比较器阈值决定,当实际 VDD6 电压高于阈值时,SDN6 将关闭。
IVDD6 是来自 VDD6 稳压器上 VDD5、VDD3/5、VDD1 和 VSOUT1 的负载电流;对于无法以较宽的容差和纹波运行的应用或外设, 不建议 直接加载 VDD6,因为 VDD6 是前置稳压器。不过,只要 VDD6 上的总负载电流 IVDD6 不超过 VDD6 负载电流的规格,就可以直接连接 LDO 或直流/直流转换器。
VDD6 保护,与 VDD3/5 过热保护共享。
VDD5 输出调节包含线路和负载调节、温度漂移。
VDD5 保护。如果检测到过热,将仅关闭 VDD5。
VDD3/5 保护,被视为全局过热(针对所有稳压器关断)。
VDD1 调节,包含线路和负载调节、温度漂移和长期漂移。不包含用于设置 VDD1 输出电压的电阻分压器的容差。
以 VTRACK1 输入为基准(包括长期漂移和温度漂移)。
VSOUT1,包含线路和负载调节、温度漂移和长期漂移。
VSOUT1 传感器电源保护。仅 VSOUT1 关闭。
VBATP_UVoff 和 VBATP_UVon 是 VBATP 的阈值电平,其中 UV 将由 VMON_STAT_1 寄存器中的 VBAT_UV 位进行指示。将允许器件开通的 VBATP 电平由 R1.1 表示。
使器件进入复位状态并在 SPI 中设置标志
清除 SPI 中的标志
仅限 SPI 寄存器中的信息
对于器件唤醒,VBATP 和 VBAT_SAFING 必须是运行范围内、建议运行条件 R1.1 和 R1.3a 下以及允许器件启动的 IGN 或 CANWU 上的电平,尤其是在 VBATP 和 VBAT_SAFING 变化的情况下。
接地的 RSTEXT 的建议最大电阻是 120kΩ。
VDD6 电流限制基于流经 SDN6 开关的峰值电流,它不会直接对应于平均电流限制。
当 VDD6 控制环路在 fclk_VDD6 时钟周期的上升沿打开 SDN6 开关时,SDN6 将以 7% 的最小占空比保持开启。不过,如果控制环路跳过某个时钟周期,那么对于该 fclk_VDD6 时钟周期,占空比将为 0%。
在器件开通期间 NRES 变为高电平之前,在 VDD3/5 稳压器上施加的电流应低于 IVDD3/5 最大负载的 50%。
VDD1dyn 将依赖于外部 FET 选择。
VSOUT1 针对内部 FET 的最大功率耗散不得超过 0.6W,以避免过热。对于高于 5V 的输出电压以及使用 VBATP 为 VSIN(而不是 VDD6)供电时,必须进行特殊考虑。
IVDD5_limit 电流限制具有迅速反向行为。在发生短路情况期间,将发生高于最大值的瞬态电流,直到电流限制迅速反向到指定的范围。
IVDD3/5_limit 电流限制具有迅速反向行为。在发生短路情况期间,将发生高于最大值的瞬态电流,直到电流限制迅速反向到指定的范围。
VSOUT1 直接连接至 VSFB1(适用于单位增益),或者通过电阻分压器进行连接(跟踪模式增益或非跟踪模式输出电压调节)。如果发生对电源短路故障,则 VSOUT1 上的电压等于器件的电源电压(VBATP、VBAT_SAFING 和 VSIN,其中 VSIN 连接至 VBATP,因为它是电源,而不是 VDD6),VSFB1 电压将直接(对于单位增益)或通过电阻分压器(跟踪模式增益或非跟踪模式输出电压调节)遵循 VSOUT1(根据用例)。

时序要求

在运行环境温度 TA = –40°C 至最高运行结温 TJ = 150°C 范围内,并且 VBATP = VBAT_SAFING 处于建议运行范围内(请参阅Section 4.3中的 R1.2)(除非另有说明)
POS 最小值 标称值 最大值 单位
VDD5 – 具有内部 FET 的 LDO
2.12 tdelayVDD5 VDD5 电压稳定延迟 从 CANWU 引脚上的上升沿到 VDD5 达到最终值(2% 以内)的最大延迟 5 ms
VDD3/5 – 具有内部 FET 的 LDO
3.12 tVDD3/5 VDD3/5 电压稳定延迟 CANWU 唤醒后使 VDD3/5 输出稳定的最大延迟 5 ms
VDD1 – 具有外部 FET 的 LDO
4.15 tdelayVDD1 VDD1 电压稳定延迟 CANWU 唤醒后使 VDD1 输出稳定的最大延迟 5 ms
电压监控
6.7 VBATP_deglitch VBATP 欠压和过压监控抗尖峰脉冲时间 180 240(1) 260 µs
6.18 VDDx_deglitch VDDx 欠压和过压监控抗尖峰脉冲时间 10 40 µs
6.21 VSOUT1_deglitch VSOUT1 欠压和过压监控抗尖峰脉冲时间 10 40 µs
IGNITION 和 CAN WAKE-UP(IGN 和 CANWU)
7.6 IGN_deg IGN 抗尖峰脉冲滤波器时间 7.5 22 ms
7.9 CANWU_deg CANWU 抗尖峰脉冲滤波器时间 100 350 µs
复位和使能输出
9.4 tRSTEXT(22kΩ) 复位扩展延迟 22kΩ 4.05 4.5 4.95 ms
9.4a tRSTEXT(0kΩ) 复位扩展延迟 0kΩ 0.98 1.4 1.89 ms
内部系统锁定
11.1 ƒSysclk 系统时钟频率(2) 3.8 4 4.2 MHz
窗口看门狗
12.2 tWD_pulse ERROR/WDI 引脚上看门狗触发输入信号的抗尖峰脉冲时间 14.25 30 32 µs
串行外设接口时序(3)
13.1 ƒSPI SPI 时钟 (SCLK) 频率 VDDIO = 3.3V 5(4) MHz
VDDIO = 5V 6
13.2 tSPI SPI 时钟周期 VDDIO = 3.3V 200 ns
VDDIO = 5V 167
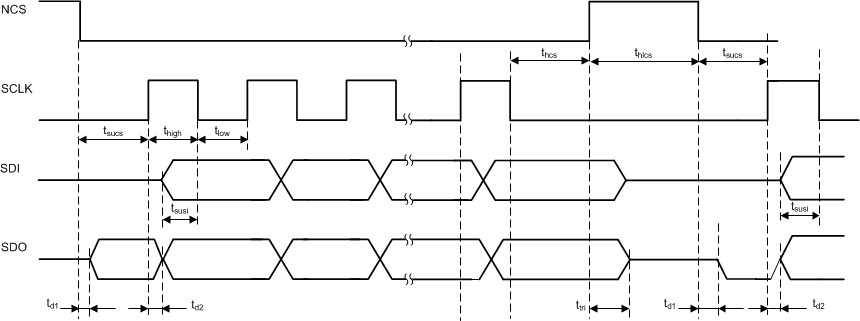
13.3 thigh 高电平时间:SCLK 逻辑高电平的持续时间 请参阅Figure 4-2 85.7 ns
13.4 tlow 低电平时间:SCLK 逻辑低电平的持续时间 45 ns
13.5 tsucs 建立时间:NCS 下降沿和 SCLK 上升沿之间的时间 45 ns
13.7 tsusi SDI 上的建立时间:在 SCLK 的下降沿之前 SDI 的建立时间 15 ns
13.9 thcs 保持时间:SCLK 下降沿和 NCS 上升沿之间的时间 45 ns
13.10 thlcs SPI 传输非活动时间(两次传输之间的时间),在此期间 NCS 必须保持高电平 788 ns
对于 VBAT-UV 抗尖峰脉冲为 240µs,对于 VBAT-OV 抗尖峰脉冲为 260µs
系统时钟还用于导出用于看门狗计时器的时钟,因此系统时钟容差还会影响看门狗计时器容差。
CSDO 上的电容 = 100pF
最大 SPI 时钟容差为 ±10%

开关特性

在运行环境温度 TA = –40°C 至最高运行结温 TJ = 150°C 范围内,并且 VBATP = VBAT_SAFING 处于建议运行范围内(请参阅Section 4.3中的 R1.2)(除非另有说明)
POS 参数 测试条件 最小值 典型值 最大值 单位
串行外设接口时序(1)
13.6 td1 延迟时间:从 NCS 的下降沿到 SDO 从三态转换至 0 的延时时间 请参阅 Figure 4-2 53.3 ns
13.8 td2 延迟时间:SCLK 的上升沿至 SDO 上的数据有效的延时时间 0 85.7 ns
13.11 ttri 三态延迟时间:NCS 的上升沿和 SDO 处于三态之间的时间 53.3 ns
CSDO 上的电容 = 100pF
TPS65381A-Q1 SPI_Tim_lvsbc4.gif Figure 4-2 SPI 时序参数
TPS65381A-Q1 C001_SLVSBC4.gif Figure 4-3 SPI SDO 缓冲器拉电流和灌电流

典型特性

TPS65381A-Q1 D001_slvsbc4.gif
Figure 4-4 VDD6 降压器效率