ZHCSDK1 March 2015 TPS61196-Q1
PRODUCTION DATA.
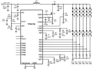
TPS61196-Q1 可为汽车 LCD 背光照明应用提供高度集成的解决方案,可使每个灯串都具有独立的 PWM 调光功能。 该器件是一款电流模式升压控制器,能够驱动多达六个由多个 LED 串联组成的白色发光二极管 (WLED) 灯串。 每个灯串均具有独立的电流稳压器,稳压器可在 50mA 至 400mA 范围内调节 LED 电流(匹配精度 ±1.5%)。 可在 0.3V 至 1V 范围内编程最低灌电流电压,以符合不同的 LED 电流设置。 器件的输入电压范围为 8V 至 30V。
TPS61196-Q1 会自动调整升压控制器的输出电压,以提供具有最大正向压降的 LED 灯串所需要的电压以及该灯串 IFB 引脚上所需的最小电压,从而优化驱动器效率。 可通过外部电阻将其开关频率设定在 100kHz 至 800kHz 之间。
TPS61196-Q1 支持直接 PWM 调光。 每个灯串均具有独立的 PWM 控制输入。 在 PWM 调光模式下,将通过外部 PWM 信号决定导通或关断 LED 电流的频率和占空比。 PWM 频率范围为 90kHz 至 22kHz。
TPS61196-Q1 集成了过流保护、输出短路保护、ISET 接地短路保护、二极管开路和短路保护、LED 开路和短路保护以及过热关断电路。 此外,TPS61196-Q1 还可检测 IFB 引脚接地短路以保护 LED 灯串。 该器件还具有可编程的输入欠压闭锁阈值和输出过压保护阈值。
| 器件型号 | 封装 | 封装尺寸(标称值) |
|---|---|---|
| TPS61196-Q1 | HTSSOP (28) | 9.70 mm x 4.40 mm |

| 日期 | 修订版本 | 注释 |
|---|---|---|
| 2015 年 3 月 | * | 最初发布。 |