SLVS631C December 2005 – May 2015 TPS51117
PRODUCTION DATA.
请参考 PDF 数据表获取器件具体的封装图。
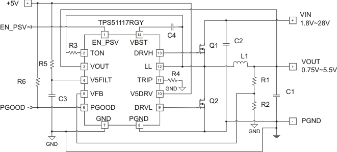
The TPS51117 device is a cost-effective, synchronous buck controller for POL voltage regulation in notebook PC applications. The controller is dedicated for the operation of the Adaptive On-Time D-CAP mode. This mode provides ease-of-use, low external component count, and fast transient response. Auto-skip mode for high efficiency down to the milliampere load range, or PWM-only mode for low-noise operation is selectable.
The current-sensing scheme for positive overcurrent and negative overcurrent protection is loss-less low-side RDS(on) sensing plus temperature compensation. The device receives a 5-V (4.5 V to
5.5 V) supply from another regulator such as the TPS51120 or TPS51020. The conversion input can be either VBAT or a 5-V rail, ranging from 1.8 V to
28 V, and the output voltage range is from 0.75 V to 5.5 V.
The TPS51117 is available in a 14-pin VQFN or a 14-pin TSSOP package and is specified from –40°C to 85°C.
| PART NUMBER | PACKAGE | BODY SIZE (NOM) |
|---|---|---|
| TPS51117 | TSSOP (14) | 4.40 mm × 5.00 mm |
| VQFN (14) | 3.50 mm × 3.50 mm |
