ZHCSCG6A May 2014 – December 2014 TPS2513A-Q1 , TPS2514A-Q1
PRODUCTION DATA.
TPS2513A-Q1 和 TPS2514A-Q1 是 USB 专用充电端口 (DCP) 控制器,用于为大多数常见手机和平板电脑充电。 一个自动检测特性监控 USB 数据线路电压,并在数据线路上自动提供正确的电气特征,以便在下列专用充电系统配置中为兼容器件充电:
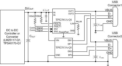
搭配使用 TPS2561A-Q1 与 TPS2513A-Q1(双通道)、TPS2557-Q1 与 TPS2514A-Q1(单通道)可提供一套低损耗的汽车级 USB 充电端口解决方案,该解决方案能够为目前所有常见的手机和平板电脑充电。
| 部件号 | 封装 | 封装尺寸(标称值) |
|---|---|---|
| TPS2513A-Q1 | SOT-23 (6) | 2.90mm x 1.60mm |
| TPS2514A-Q1 |
